No crank no start?

2008 SUZUKI XL7
80,000 MILES • 3.2L • V6 • 2WD • AUTOMATIC
Avatar
GERALDSPERLING
  • MEMBER
  • 1 POST
I try to check my fuses with a Multi meter when i put one side to the positive and the other side to a fuse half of the fuses are not working. now if i switch and put the negative on the negative terminal and the positive those same fuses. Then they seemed to work. To me it's a grounding issue to which I have no idea where to go from there.. Could it be the relays i have replaced and didn't seem to do anything? Is there a way i could get a correct fuse location and relay location and whether it's a 4 pin at 5 pin? Just to make sure that I didn't do something wrong.
Aug 3, 2022 at 3:28 PM
Advertisement
Avatar
JACOBANDNICKOLAS
  • CERTIFIED EXPERT
  • 110,175 POSTS
Hi,

I feel like I've seen this vehicle before. Were we working on it prior?

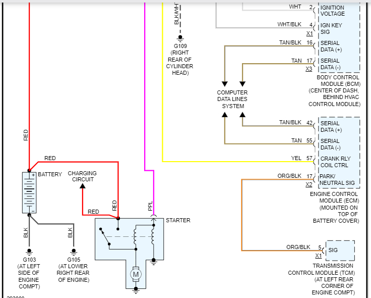
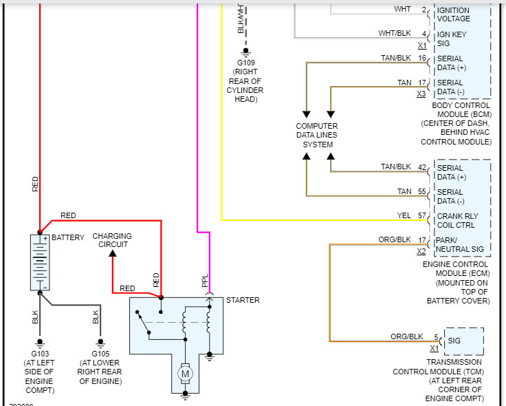
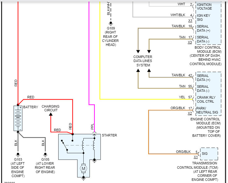
As far as the starter not working, do this. On the starter motor, there will be a heavy gauge red wire that will have battery voltage at all times, so don't short it but confirm it has power. There will also be a purple wire that is smaller in diameter. It will not have power until the key is in the start position. So, have a helper turn the key to start while you check if the purple wire gets power. If it does, the starter is bad. If not, then we need to see where power is being lost.

Next, when checking a fuse for power, you need to only use the ground/negative side of the battery. The power should come from the pins where the fuse goes.

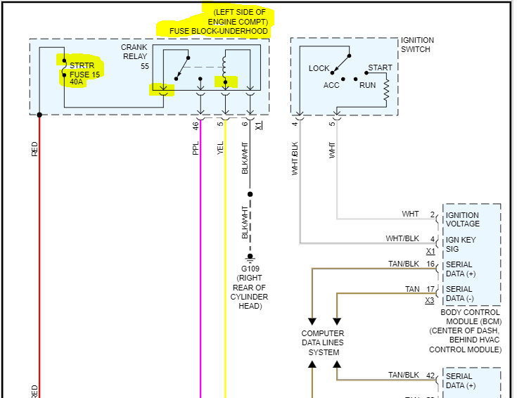
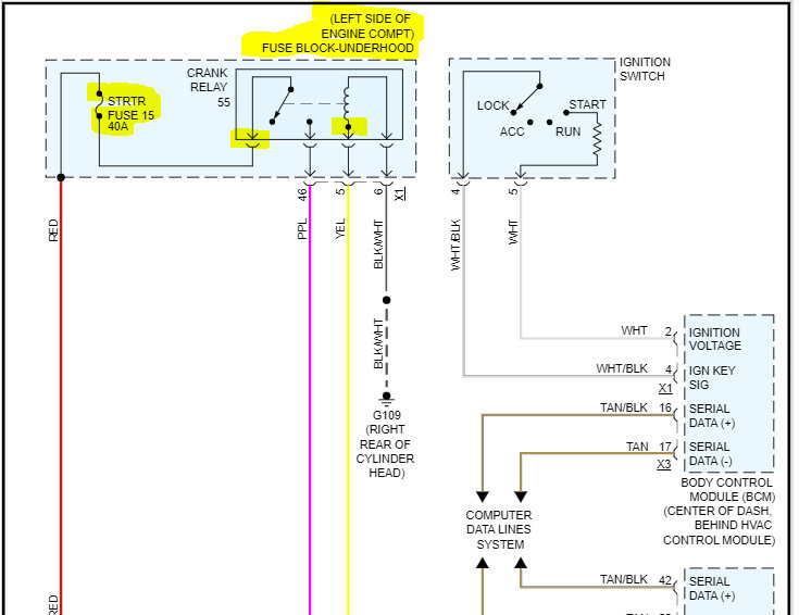
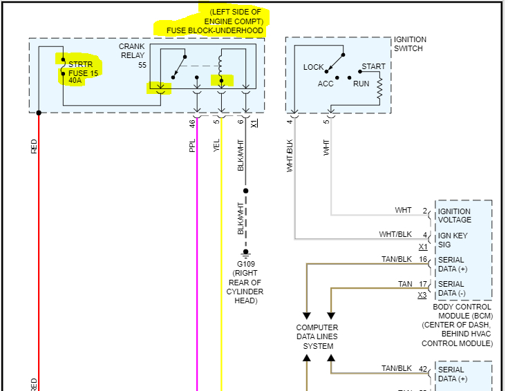
Next, the relay is a 4-pin relay. I attached the schematic below and highlighted the relay. Note there are four wires associated with it.

If you take a test light, ground one side to the battery negative. Probe one pin at a time. One should have battery voltage and turn the light on. Next, have a helper turn the key to the start position. At this point, an additional one of the pins in the box should have power and light the test light.

Now, at this point, out of the 4 pins in the relay box, you found power to two of them. That leaves two left. One will go to the purple wire on the starter and will not have power or ground. The other will have ground at all times. So, you need to check the remaining two pins to see if one has continuity to ground.

Here is a link that you may find helpful:

https://www.2carpros.com/articles/how-to-check-wiring

Let me know if that helps and what you find. Additionally, let me know if you have other questions.

Take care,

Joe

See pics below.
Aug 3, 2022 at 8:54 PM