No crank no start

2004 FORD F-350
165,000 MILES • 6.8L • V10 • 2WD • AUTOMATIC
Avatar
LARRYK335
  • MEMBER
  • 5 POSTS
Basic problem is no crank using the ignition. New battery. Ran jumper from positive term on battery to the after fusible link wire, engine cranked and started. checked fuses under dash drivers side. No blown fuses 113 and 33. I did replace the starter relay in fuse box. Still would not crank but when I turned the key the starter relay clicked. I was led to believe if the starter relay clicked it meant the ignition switch was okay? Then I replaced the transmission neutral safety switch. Nothing, just click from the starter relay. When I tried to start the dash lights stayed bright. Also, when I put in the new range sensor afterward I put the shift in reverse and the backup lights came on. I guess that the neutral safety switch is okay. I looked all over the engine compartment and did not see any fuse boxes or starter solenoid. I am no mechanic. This pretty is interesting. I appreciate your help.
May 6, 2018 at 8:25 PM
Advertisement
Avatar
CJ MEDEVAC
  • CERTIFIED EXPERT
  • 11,004 POSTS
Have you checked for power before and after the fusible link?

This may help you determine if it is the link, or where the power ceases to continue. Check your connections well. Sometimes loosening things up and moving them around then re-tightening them might get a better connection.

https://www.2carpros.com/articles/how-to-use-a-test-light-circuit-tester

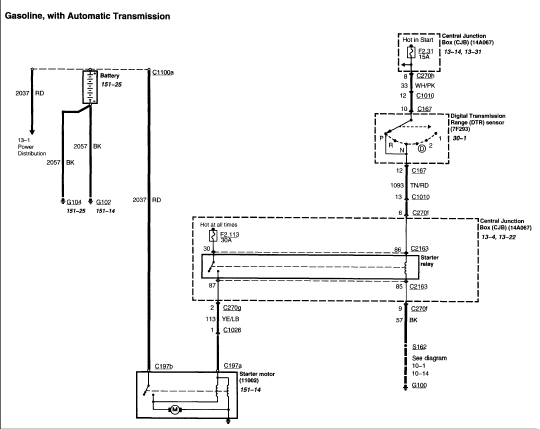
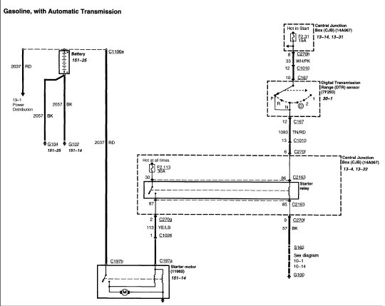
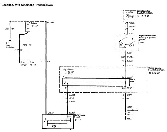
I also attached a diagram of the starting system (below). I had two choices for your engine. "VIN D" or "VIN S". So I pulled up both diagrams, they are the same.

Keep us posted.

The Medic
May 6, 2018 at 8:58 PM
Avatar
LARRYK335
  • MEMBER
  • 5 POSTS
Howdy, I tested the One thousand link before and after had a friend try to start engine which seemed as that should have resulted in a current flow before the fusible link, i got nothing. The starter relay clicked when the key was turned to start. The wire running to the fusible link goes into a harness that runs over the top back over the engine. I know the color of the wire white/yellow. The control wire that goes to the starter solenoid is white yellow. Should I take the harness apart to follow the line. The harness goes through the firewall inside, I guess to the fuse box. Could it be possible that this line is shorting out someplace? I am a little reluctant to pull the fuse box out to check the wires on the back. But is that what I am supposed to do? I hope this email makes some sense. Basically I guess there is something really simple going on. I appreciate any suggestions you can make. Thanks
May 7, 2018 at 5:57 PM
Advertisement
Avatar
STRAILER
  • CERTIFIED EXPERT
  • 53,854 POSTS
It sounds like you are losing power or there is something going on with the relay. Here is a guide to help you test for power:

https://www.2carpros.com/articles/how-to-check-wiring

Here is a relay test guide as well:

https://www.2carpros.com/articles/how-to-check-an-electrical-relay-and-wiring-control-circuit

Below is the starter wiring and the relay location.

Check out the diagrams (below). Please let us know what happens.

Cheers, Ken
May 10, 2018 at 6:51 PM