So, it did not start with a jump, right?
When you say the electrical went haywire, what did it actually do?
Did you get spark from the battery? Bunch of blow fuses?
If you turn the key to the on position now, what does it do?
Do you get dash lights? radio?
Then when you try to start it, do all the lights on the dash go off?
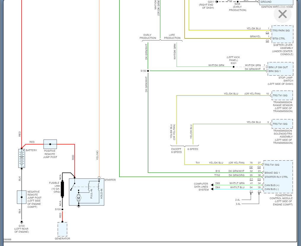
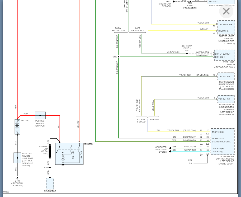
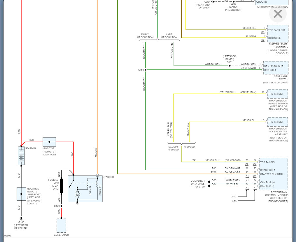
This vehicle is a TIPM based vehicle so if when you turn the key, and the dash comes on, but the starter does not attempt to turn over or click then we need to check the power in two places.
First, we need to check the voltage at the starter, and I suspect you will not have it on the yellow wire.
Here is a guide that will help with this:
https://www.2carpros.com/articles/how-to-check-wiring
Next, we need to go to the relay control wire on the relay and check for ground.
If the PCM is not grounding the relay, then you have an issue with the T41 circuit from the transmission range sensor.
If you don't have the signal to the PCM from this switch, then the PCM will not operate the starter. This is common on these, so I imagine at some point you disturbed this wire and the PCM is not grounding the relay.
Take a look at the wiring diagram below and see if that helps.
Thanks
Images (Click to enlarge)
Jan 28, 2022 at 11:23 AM