No cranking over

2002 SUZUKI ESTEEM
180,000 MILES • 1.8L • 4 CYL • 2WD • AUTOMATIC
Avatar
LARRY NASON
  • MEMBER
  • 48 POSTS
Car doesn't crank or start. battery and starter are both good. I hear a rapid clicking noise from relay motor does turn by hand. do you have any thoughts or suggestions please?
Feb 18, 2019 at 10:48 AM
Advertisement
Avatar
SCGRANTURISMO
  • CERTIFIED EXPERT
  • 4,897 POSTS
Hello,

This sounds like it could be a problem with your starter. I have included a few links for you down below. Please go through these guides and get back to us with what you find out.

https://www.2carpros.com/articles/how-a-starter-and-solenoid-works
https://www.2carpros.com/articles/starter-not-working-repair
https://www.2carpros.com/articles/how-to-replace-a-starter-motor

Thanks,
Alex
2CarPros
Feb 18, 2019 at 11:08 AM
Avatar
LARRY NASON
  • MEMBER
  • 48 POSTS
I've taken both the starter and battery down to have tested and both are good. the starter is brand new. The engine does rotate.
Feb 18, 2019 at 12:17 PM
Advertisement
Avatar
SCGRANTURISMO
  • CERTIFIED EXPERT
  • 4,897 POSTS
Hello again,

Okay, when you turn the key to run (ON), not start, do you hear the fuel pump come on for a couple of seconds? If you do please go to this link:

https://www.2carpros.com/articles/how-to-test-an-ignition-system

And if not please go to this link:

https://www.2carpros.com/articles/how-to-check-fuel-system-pressure-and-regulator

Whichever link you go to for the appropriate guide, please go through it and let us know what you find out.

Thanks,
Alex
2CarPros
Feb 18, 2019 at 2:04 PM
Avatar
LARRY NASON
  • MEMBER
  • 48 POSTS
So I got it to start and it started fine a half dozen or so times then I started it car was running with a high idle speed then suddenly it cuts off and it's back to no crank no start. I tested the voltage on the battery it's good. Headlights aren't working, dome light works but very dim practically goes off when you try to crank it. radio doesn't work. Also, I don't know if it has anything to do related but when my car was running, every now and then I'd get in and turn on the car and the stereo would act like somebody disconnected the battery. It would lose all my programmed stations and say system or whatever on the screen so I don't know if that is related. but yea
Feb 20, 2019 at 8:44 PM
Avatar
SCGRANTURISMO
  • CERTIFIED EXPERT
  • 4,897 POSTS
Hello again,

Have you checked to make sure the battery connections are good and tight with no corrosion? And double check the ground strap coming from the engine to the frame. Same thing good and tight with no corrosion. Here are a couple of links to guides for you. please go through them and get back to us with what you find out.

https://www.2carpros.com/articles/how-to-check-wiring
https://www.2carpros.com/articles/car-battery-load-test
https://www.2carpros.com/articles/how-to-check-a-car-alternator

Thanks,
Alex
2CarPros
Feb 20, 2019 at 9:53 PM
Avatar
LARRY NASON
  • MEMBER
  • 48 POSTS
Yes, I have battery cables. I cleaned there's no corrosion on them and I checked the ground strip strap and it's good and tight.
Feb 20, 2019 at 10:00 PM
Avatar
SCGRANTURISMO
  • CERTIFIED EXPERT
  • 4,897 POSTS
Hello again,

Please go through the guide in the link below.

https://www.2carpros.com/articles/car-battery-load-test

and if everything checks out with that then please go through the guide in the diagrams down below. Let us know what you find out. I have included a link down below with instructions on how to use a volt/multi-meter if you need it as well.

https://www.2carpros.com/articles/how-to-use-a-voltmeter

Thanks,
Alex
2CarPros
Feb 20, 2019 at 11:19 PM
Avatar
LARRY NASON
  • MEMBER
  • 48 POSTS
As I stated before the battery is good. I took it to AutoZone and they tested it for me and it came back good just earlier today I put a voltmeter on it and it came back 12.6 as it should. but yet I still get that voltage drop. by guess the link you sent me where the darn near dim down to nothing and that's the dome light to headlights aren't working for some reason.
Feb 20, 2019 at 11:59 PM
Avatar
LARRY NASON
  • MEMBER
  • 48 POSTS
Please excuse my last message. I'm using the voice to text and Its putting words in my mouth. what I meant to say was I did the voltage test on the battery and it came back perfect 12.6. again I apologize for my voice to text.
Feb 21, 2019 at 12:01 AM
Avatar
SCGRANTURISMO
  • CERTIFIED EXPERT
  • 4,897 POSTS
Hello again,

Okay, I have included in the diagrams down below a troubleshooting guide for checking your ignition switch. Please go through these guides and get to us with what you find out.

Thanks,
Alex
2CarPros
Feb 21, 2019 at 12:33 PM
Avatar
LARRY NASON
  • MEMBER
  • 48 POSTS
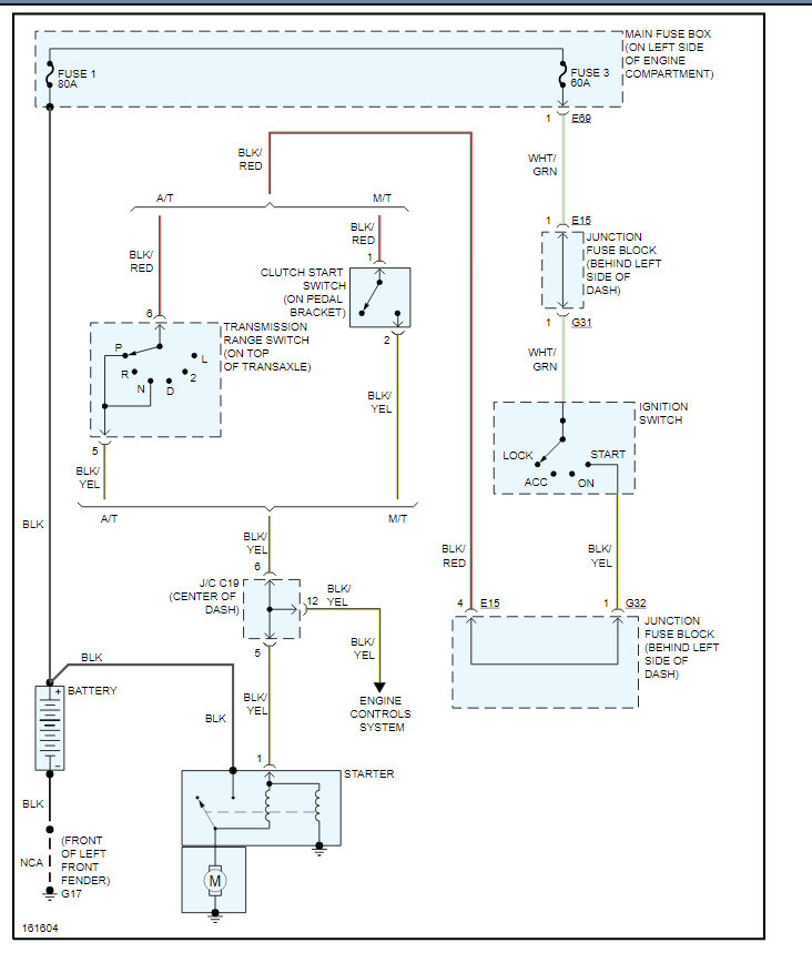
So I replaced the ignition switch still no luck. Can you tell me where the neutral safety switch is on this car?
Feb 24, 2019 at 7:21 AM
Avatar
SCGRANTURISMO
  • CERTIFIED EXPERT
  • 4,897 POSTS
Hello again,

I have included the information you requested as well as a few other things in the diagrams below. Let us know what you find out.

Thanks,
Alex
2CarPros
Feb 24, 2019 at 8:51 AM
Avatar
LARRY NASON
  • MEMBER
  • 48 POSTS
So I got it running. Thank you so much for your help.
Feb 25, 2019 at 7:17 PM
Avatar
STRAILER
  • CERTIFIED EXPERT
  • 53,854 POSTS
What was the problem?
Feb 28, 2019 at 12:43 PM
Avatar
LARRY NASON
  • MEMBER
  • 48 POSTS
I replaced the battery ground wire.
Feb 28, 2019 at 1:04 PM
Avatar
STRAILER
  • CERTIFIED EXPERT
  • 53,854 POSTS
Nice work, we are here to help, please use 2CarPros anytime.
Mar 1, 2019 at 12:08 PM
Avatar
TIFFANICAMPBELL94
  • MEMBER
  • 1 POST
I have a 2002 Suzuki esteem, my only car and the same day I got a full tune up it cut off when I got home and would not crank back up its been sitting for a month. I was told it was my fuel pump so I replaced that and now it still will not crank, now im being told its my crank sensor or the computer from when my husband tried to put his mothers expedition battery in it because that's what we thought it was before the fuel pump and he let the negative terminal touch the positive and it sparked and blew the battery fuse and we had to replace that, his grandpaw a mechanic of 43 years said when he did that it probably burned up the computer or crank sensor. I really need help before I keep wasting money. its not getting any power under the hood, the only thing getting power is the radio and the head lights.
Mar 1, 2019 at 12:48 PM (Merged)
Avatar
SATURNTECH9
  • CERTIFIED EXPERT
  • 30,869 POSTS
If you only have power to the headlights and radio thats not the computer. So you habe no dash lights blower fan starter is inop?Do you have a multi meter to do some testing?
Mar 1, 2019 at 12:48 PM (Merged)
Avatar
MARYT
  • MEMBER
  • 1 POST
2000 Suzuki Esteem 4 cyl Two Wheel Drive Automatic

I ran my esteem out of gas, after putting gas in it it would not turn over, it still sounds as if it out of gas,

what could be wrong?
Mar 1, 2019 at 12:49 PM (Merged)
Avatar
RASMATAZ
  • CERTIFIED EXPERT
  • 75,992 POSTS
Use a fuel pressure tester and check the fuel pressure to rule out the fuel filter and fuel pump
Mar 1, 2019 at 12:49 PM (Merged)