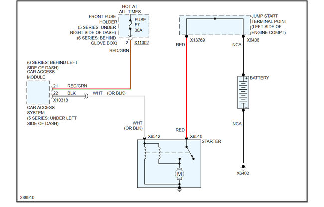
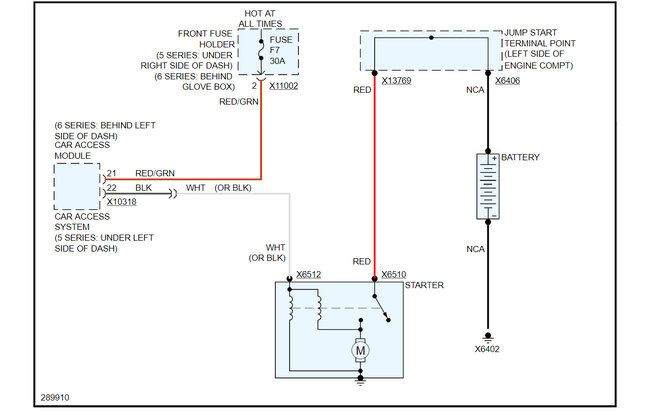
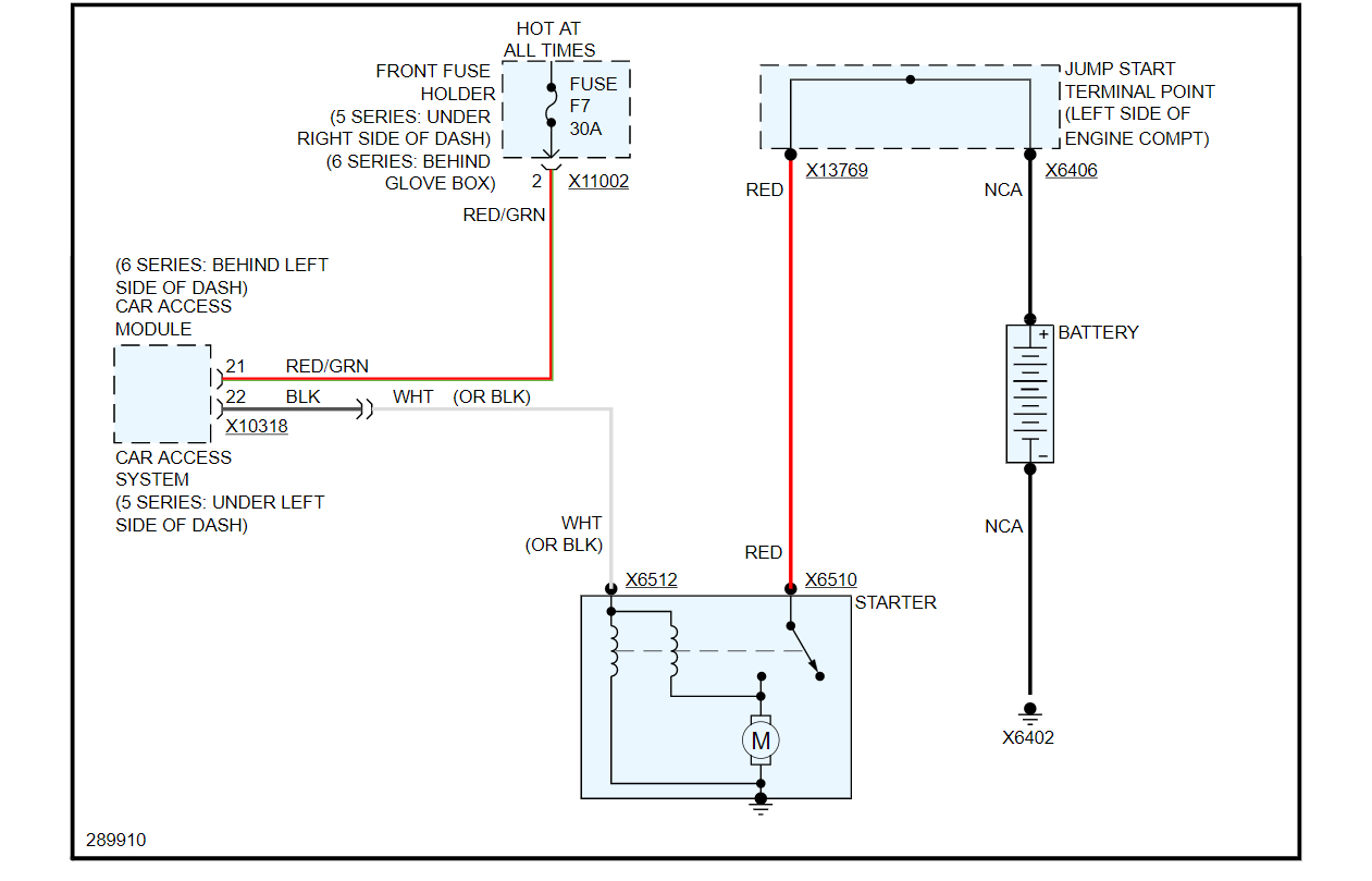
I started my car just fine went to work. Left work 8 hours later car started just fine. Stopped in auto part to get 1 quart of oil. Try starting car to go home and it won’t start. It won’t even crank. Can a bad crankshaft sensor cause this?
Dec 4, 2020 at 7:28 AM
