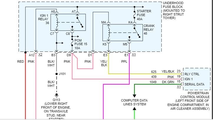
Hi there, after doing a engine swap on my Grand Prix i am faced with a no crank , no start issue. My original motor was a 2008, 3.8l series 2 and i swapped it with a 2007 3.8l series 2 out of a Buick. To be safe i swapped all sensors from old engine to new, i also used old ignition control module and coils, i put new plugs in as well all grounds are hooked up and cleaned before hooking up and i have power to the starter. When i went to start for first time, I turned key , lights turned on , when i went to start, nothing i could hear relay click once after letting off key, however i just noticed when i turn key to "on" position my information center turns on then shuts off.
Jan 24, 2019 at 10:58 AM








