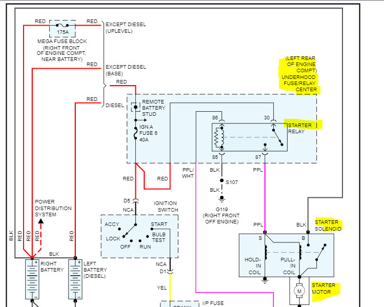
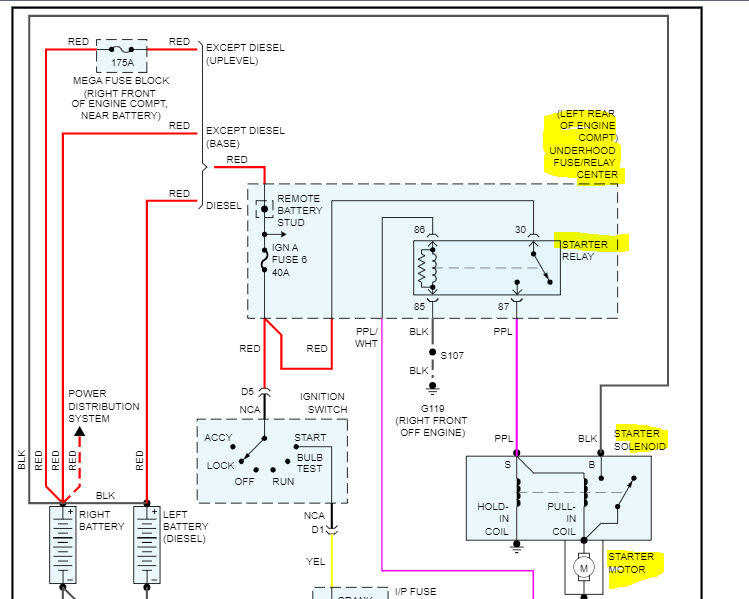
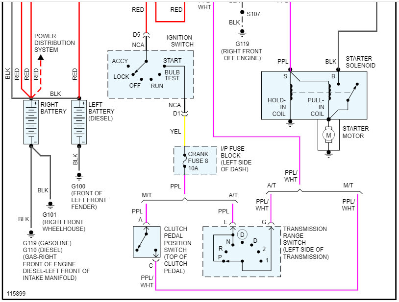
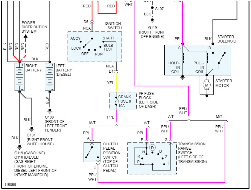
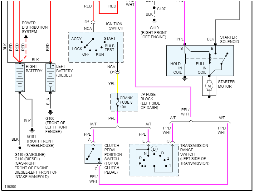
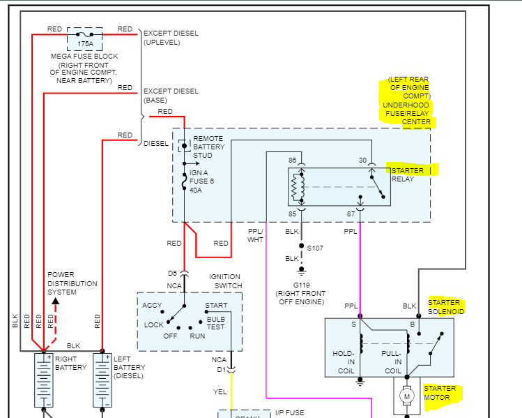
Replaced a fuel pressure regulator. Started the truck and shut it down. Went to start it again and it just made a clunk noise. Replaced the starter and now it will crank 10-15 Revo then stops and acts like it's out of power. Give it an hour or so and ya get 10 revos. Jumped the starter solenoid and it just clunks. Could it need to be shimed?
Sep 20, 2023 at 10:19 PM



