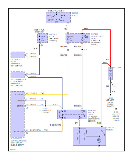
So, I got this vehicle and one day the starter went out. I replaced starter and it was starting and running fine, until I ran an errand. I try to start up after driving and am getting a no crank no start again. Thought the new starter was defective so I went and got another starter. Same thing is happening after driving around getting no crank no start. When I let the car sit for about an hour and it cools off, I can get it started again. I got the heat shield on and everything, totally at a loss.
Feb 5, 2023 at 7:47 PM

