Do I need a starter?

2005 CHRYSLER TOWN AND COUNTRY
156,617 MILES • 3.8L • V6 • 2WD • AUTOMATIC
Avatar
OCASIO6497
  • MEMBER
  • 4 POSTS
I bought the van listed above and I was told that it only needed a starter. The car would not crank at all, so I put a new starter in it, still same symptom, jumped the starter with ignition open and no spark. Bought a new ECM and the car started right up and ran for about 30- 45 minutes. Until I shut it down to restart and make sure that it would be alright. The van started up but shut off after 10-15 seconds. As I kept trying to restart, it went right back to no crank mode. I believe that maybe a crankshaft position sensor or cam sensor is probably shorting out the ECM. I noticed that when I unplug the negative battery terminal, or attempt to reconnect the negative terminal, I get a light ark or light spark. Is it possible that it could be maybe one of these sensors? Anyone?
Any help would really be appreciated!

Thank you,

ED
Apr 1, 2020 at 6:22 PM
Advertisement
Avatar
ASEMASTER6371
  • CERTIFIED EXPERT
  • 52,796 POSTS
Good morning,

When you try to start it does the theft or security light come on and go off after about 10 seconds? It could be a security issue.

https://www.2carpros.com/articles/how-to-reset-a-security-system

Are there any codes set in the system?

https://www.2carpros.com/articles/checking-a-service-engine-soon-or-check-engine-light-on-or-flashing

The small arc is normal. Sensors will not fail an ECM at all.

Did you have the ECM flashed to your VIN number prior to installation?

a common issue is the power module or the TIPM. That is the fuse box and is very common for this issue.

Roy

REMOVAL
1. Disconnect the negative and positive battery cables.
2. Remove the battery thermal guard.
3. Remove the battery.

Integrated Power Module
imageOpen In New TabZoom/Print

4. Using a flat-bladed screwdriver, twist the Integrated Power Module (IPM) bracket retaining latch outward to free the IPM from its mounting bracket

Disconnecting IPM
imageOpen In New TabZoom/Print

5. Rotate the IPM counter-clockwise to access and disconnect the electrical connectors.
6. Remove the IPM bracket clips from the hinge.

INSTALLATION
1. Snap the left side of the Integrated Power Module (IPM) housing in its mounting bracket and connect the various electrical connectors.

NOTE: Ensure that the Connector Positive Assurance (CPA) on the five-pin B+ connector is positively engaged to prevent generating a Diagnostic Trouble Code (DTC).

2. Rotate the IPM clock-wise until secured in mounting bracket. An audible click may be heard.
3. Install the battery.
4. Install the battery thermal guard.
5. Connect the negative and positive battery cables.
6. Using a scan tool, check for any stored diagnostic trouble codes. Ensure that all vehicle options are operational.
Apr 2, 2020 at 4:48 AM
Avatar
OCASIO6497
  • MEMBER
  • 4 POSTS
Thank you so much for responding/helping Roy. Yes, I have purchased a refurbished ECM from a place called Importapart and (supposedly), I provided them with my VIN and the mileage of the vehicle. When I installed the ECM, it worked pretty well I thought because it started right up with no problem. As I explained earlier, I let it run for a long while as I was checking for engine knocks, valve tapping, etc. It ran for about 30-45 minutes. Then I shut it down to restart, that's when it kind of went back to the no start phase. I haven't tried to check for codes as I didn't think I would retrieve any cause it wasn't able to get the car to run at all before.

Thank you,

ED
Apr 2, 2020 at 7:34 AM
Advertisement
Avatar
ASEMASTER6371
  • CERTIFIED EXPERT
  • 52,796 POSTS
You can check for codes with the key in the on position.

You are welcome.

Roy
Apr 2, 2020 at 7:42 AM
Avatar
OCASIO6497
  • MEMBER
  • 4 POSTS
Okay, so I tried to unplug and reset the TIPM, no change. I have tried to unplug the negative post on the battery for over ten minutes, didn't work. I also tried the locking of all doors and then lock the drivers door with the key, and waited about half hour to try and reset the alarm, did not work either. I suppose I should mention that I do not have the (alarm box or fob) on my key ring. I did however notice that the actual key ( the only key that I got with the vehicle ) is not an actual Chrysler key, it is a copy. I wanted to ask if it can possibly be the actual key itself? Do these vehicles come with the type keys for the alarm with some kind of chip in them?

Please help.

Thank you for your listening,

ED
Apr 3, 2020 at 9:20 PM
Avatar
ASEMASTER6371
  • CERTIFIED EXPERT
  • 52,796 POSTS
Did you check for codes set in the system? I asked that with my last post.

That resetting will not work. I need to know if there are any codes set for the security system.

Roy
Apr 4, 2020 at 3:37 AM
Avatar
OCASIO6497
  • MEMBER
  • 4 POSTS
No, there were no codes stored in the system and the anti- theft light does come on for about 10 seconds then goes out but still no crank. I can hear clicking from the relays in the fuse box in the engine compartment but nothing else. Another thing I noticed is that every time I go to crank the van, the inside fan or the AC/heater with turn on by itself, along with the DVD player (that is mounted on dash) comes on and starts blinking as well? I really do believe it has to do with the transponder key and or the transponder module in the steering column or at the key switch.
Apr 10, 2020 at 6:58 AM
Avatar
ASEMASTER6371
  • CERTIFIED EXPERT
  • 52,796 POSTS
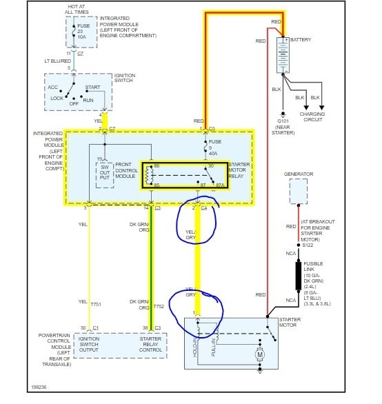
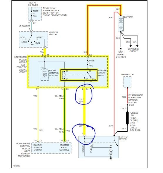
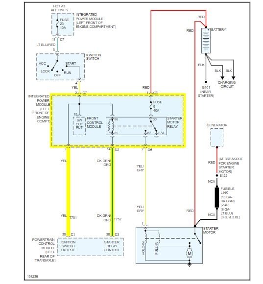
Okay, I attached a wiring diagram again for you. Check the wire at the starter solenoid for power in the start position when the car will not start.

That will tell me if the TIPM is sending power to the solenoid.

Roy
Apr 10, 2020 at 7:03 AM
Avatar
ALBERTCT
  • MEMBER
  • 4 POSTS
I have a 2005 Town and Country 3.3L. The dash lights turn on and so does the lights. Where do I start?

I cleaned the terminals as I saw some corrosion. There is no clicking sounds what so over when you try turning the key.
Aug 31, 2020 at 1:07 PM (Merged)
Avatar
RASMATAZ
  • CERTIFIED EXPERT
  • 75,992 POSTS
You sure its not a security issue? If not do below

**No crank at all/nothing/nada when key is engage to starting position

Could be a blown fusible link, the starter, starter relay, clutch switch/park and neutral switch/transmission position switch and ignition switch assuming the battery condition and connections are good. Note:If it doesn't apply disregard.
Aug 31, 2020 at 1:07 PM (Merged)
Avatar
ALBERTCT
  • MEMBER
  • 4 POSTS
I am going to have the battery checked first to make sure it in good condition. I will keep you posted. Thanks for the advice.
Aug 31, 2020 at 1:07 PM (Merged)
Avatar
ALBERTCT
  • MEMBER
  • 4 POSTS
Ok, the battery is good and fully charged, the starter fuse got replaced and the starter according to the shop test good. I am being told it could be the ignition switch, what do you all think?
Aug 31, 2020 at 1:07 PM (Merged)
Avatar
RASMATAZ
  • CERTIFIED EXPERT
  • 75,992 POSTS
Could be check the other stuffs
Aug 31, 2020 at 1:07 PM (Merged)
Avatar
ALBERTCT
  • MEMBER
  • 4 POSTS
Just an update. My van is working now. It turned out to be the fuel line fuse. This turned off the ignition. I hope this helps out others. Thanks for the advice as well.
Aug 31, 2020 at 1:07 PM (Merged)
Avatar
ZOOBOY1961
  • MEMBER
  • 2 POSTS
When I turn the key, I hear a clunk, almost like you hear from a bad starter. I usually have to turn the key 2-3 times and it will start, but lately is taking 2-3 minutes. It will start to turn over but not fully, then after turning the key on and off it starts. It seems to work better in the warmer weather, then in cold. It has been happening for a few months, but money issues have forced me to keep putting it off.

Thank you
Mike
Aug 31, 2020 at 1:07 PM (Merged)
Avatar
JOHNNYT73
  • CERTIFIED EXPERT
  • 924 POSTS
Check your battery terminal connections to be sure they are clean and tight. Be sure your battery is in good state of charge as cold weather on an old battery will usually experience failure.
Aug 31, 2020 at 1:07 PM (Merged)
Avatar
ZOOBOY1961
  • MEMBER
  • 2 POSTS
That did not work. Could it be the plugs and wires? Someone told me it could also be the starter, but I thought once that went bad it would not start no matter how much you tried. I also forgot to mention that sometimes when I click the turn signal it does not always work right.

Mike
Aug 31, 2020 at 1:07 PM (Merged)
Avatar
JOHNNYT73
  • CERTIFIED EXPERT
  • 924 POSTS
A starter could also be the culprit.
Aug 31, 2020 at 1:07 PM (Merged)
Avatar
COFFEYWOLF
  • MEMBER
  • 1 POST
Electrical problem
2005 Chrysler Town and Country 6 cyl Two Wheel Drive Automatic

when key turned on gauges go all the way to top and back down again several times, vehicle makes a clicking sound and vehicle will not start
Aug 31, 2020 at 1:07 PM (Merged)
Avatar
JACOBANDNICKOLAS
  • CERTIFIED EXPERT
  • 110,175 POSTS
Hi:

Is the battery dead?

Joe
Aug 31, 2020 at 1:07 PM (Merged)
Avatar
TSNYDER
  • MEMBER
  • 1 POST
I recently disconnected a stereo/amp I have had hooked up for years. When reconnecting, as I have done in the past, I cannot get van to start. I disconnected streo and amp after this happened, and still nothing. I checked the relay and the battery...I tried jumping the battery, changed to a new battery. Still nothing. I checked the fuses under the hood, they are good. I am stumped. The starter just clicks when turned over. All the lights in the van work and when turning over they all still stay lit. Could it be that the starter just happened to go out when I was hooking the stereo/amp back up? Or is there something else I could be missing?
Aug 31, 2020 at 1:07 PM (Merged)
Avatar
CARADIODOC
  • CERTIFIED EXPERT
  • 34,306 POSTS
You hit it. It's a coincidence. Or, . . . the starter felt sorry for the amp!

If you have the little silver Nippendenso starter, it is common for them to develop worn solenoid contacts. It will crank the engine if you cycle the ignition switch to the "crank" position a few times. The contacts can be replaced seperately, but most people just replace the entire starter.

caradiodoc
Aug 31, 2020 at 1:07 PM (Merged)
Avatar
ZOG1974
  • MEMBER
  • 46 POSTS
Had battery checked and it is good, just put in new starter. If I let the car sit for a day then I turn the ignition I hear only fast clicking, but then it will jump start. Not sure what the problem is.
Aug 31, 2020 at 1:07 PM (Merged)
Avatar
JACOBANDNICKOLAS
  • CERTIFIED EXPERT
  • 110,175 POSTS
Hi and thanks for using 2CarPros.com.

If you hear a fast clicking sound, that usually indicates the battery is too weak to turn the engine. With that in mind, you need to check a couple things for me. First, why is the battery going dead after sitting? You need to check for what is called a parasitic draw on the battery. Basically, even though everything is turned off, something is still drawing enough power to ruin the battery. Follow this link to check,

https://www.2carpros.com/articles/car-battery-dead-overnight

If I misunderstood what is happening, let me know. Also, you mentioned if it sits a day this happens. The link indicates over night. However, it is the same principal involved. It may just be a slower draw.

As in all electrical concerns, make sure the battery terminals are clean and tight.

https://www.2carpros.com/articles/everything-goes-dead-when-engine-is-cranked

Let me know if this helps.

Take care,
Joe

Aug 31, 2020 at 1:07 PM (Merged)
Avatar
2CP-ARCHIVES
  • MEMBER
  • 4,540 POSTS
In the past two weeks, my car has spells of not starting. I have checked the battery. It is good, even though when it won't start it goes clickclickclick. Took it to the repair shop after trouble lights started coming on in the dash and the engine started surging. He replaced a cable in the left passenger door and said that should solve my problems. Got it back Friday. Today, (Tuesday) the car again would not start. I have spent thousands on this car and it never seems to go a month without a major repair bill. What could be wrong now?
Aug 31, 2020 at 1:07 PM (Merged)
Avatar
CARADIODOC
  • CERTIFIED EXPERT
  • 34,306 POSTS
Is that multiple rapid clicks or one single rather loud clunk each time you turn the ignition switch to "crank"? If it's a single clunk, it has worn contacts inside the starter solenoid. Those can be replaced for less than $20.00 but most people just replace the entire starter. Many hardware stores and farm supply stores have the repair kits that have more parts than you need for any one starter.
Aug 31, 2020 at 1:07 PM (Merged)
Avatar
BILLPENCE
  • MEMBER
  • 1 POST
clicks when trying to start - is ok when trying a second time - battery or starter?
Aug 31, 2020 at 1:07 PM (Merged)
Avatar
JACOBANDNICKOLAS
  • CERTIFIED EXPERT
  • 110,175 POSTS
What happens the first time? Does the starter not work?
Aug 31, 2020 at 1:07 PM (Merged)
Avatar
RASMATAZ
  • CERTIFIED EXPERT
  • 75,992 POSTS
Could be the starter, starter relay,transmission range switch and ignition switch assuming the battery and connections are good.
Aug 31, 2020 at 1:08 PM (Merged)