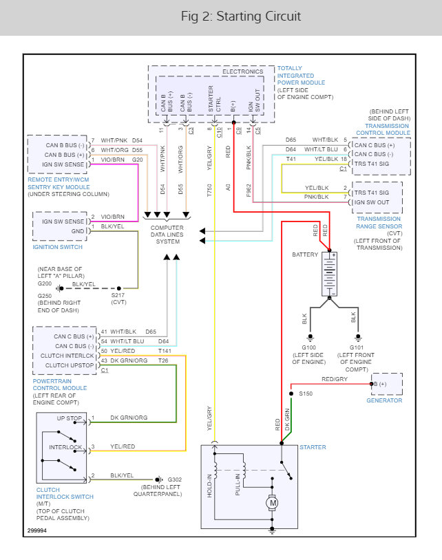
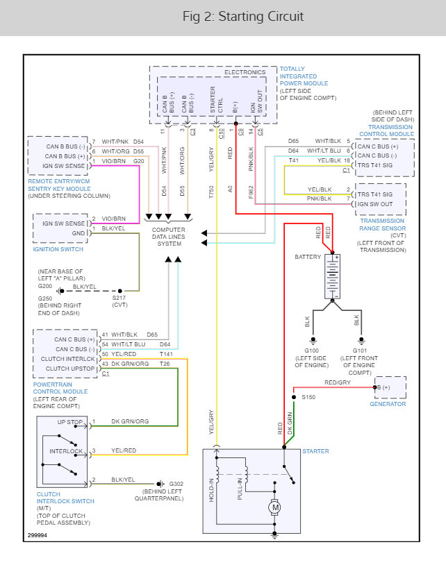
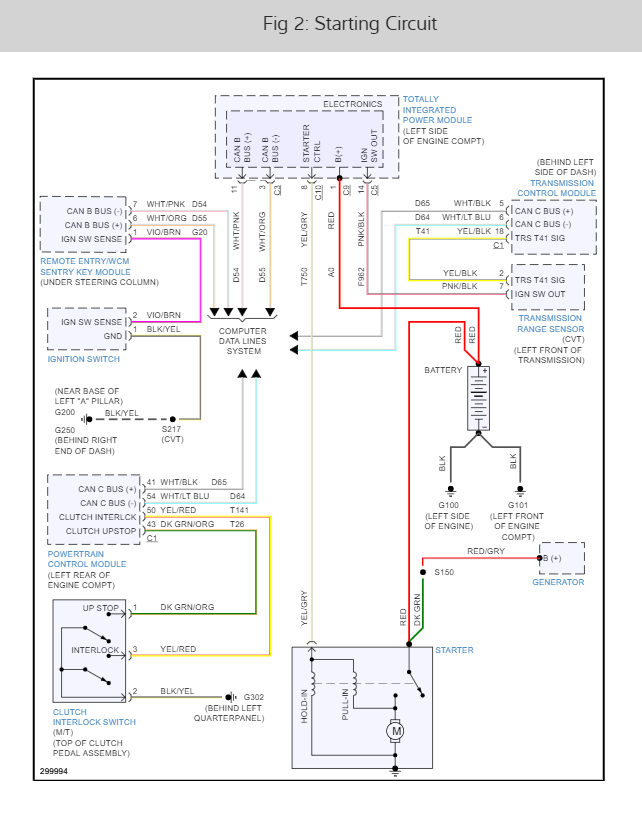
replaced battery, alternator, starter. Still won't crank. Only a clicking noise. All lights and dinging sounds work, etc. No signs or symptoms leading up to this. Did blow a fuse the day before to my cigarette lighter. Please help! Could this be my relay??
May 19, 2021 at 7:08 PM



