no crank condition?

2011 JEEP COMPASS
100,000 MILES • 2.4L • 4 CYL • 4WD • AUTOMATIC
Avatar
BMCG03
  • MEMBER
  • 9 POSTS
When supplying power to spade feed wire at solenoid vehicle will start. I'm thinking possible starter relay, need location.
Dec 31, 2022 at 10:23 AM
Advertisement
Avatar
JACOBANDNICKOLAS
  • CERTIFIED EXPERT
  • 110,175 POSTS
Hi,

This vehicle doesn't have a traditional starter relay. In its place is a circuit board that is integral to the totally integrated power module (TIPM).

Have you tried starting it in neutral? There could be a neutral safety switch issue.

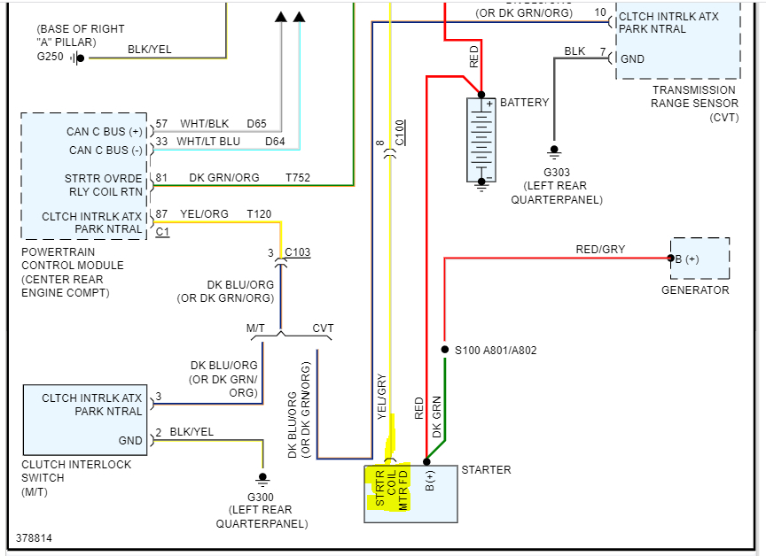
Anyway, I attached the wiring schematic for the starting circuit. I highlighted what has taken the place of the relay. What I need you to do is have a helper turn the key to the start position while you check for power at the yellow wire with a white tracer on the starter.

If you find there is no power, let me know. We will need to check for power at connector 10 pin 8 at the TIPM. I you feel comfortable, do that as well and let me know the results.

Let me know what you find.

Take care and Happy New Year,

Joe

See pics below.
Dec 31, 2022 at 6:28 PM
Avatar
BMCG03
  • MEMBER
  • 9 POSTS
Does not start in neutral, no power at power feed terminal at solenoid when cranking.
Connector 10, pin8 is located where?
Jan 1, 2023 at 10:36 AM
Advertisement
Avatar
JACOBANDNICKOLAS
  • CERTIFIED EXPERT
  • 110,175 POSTS
Hi,

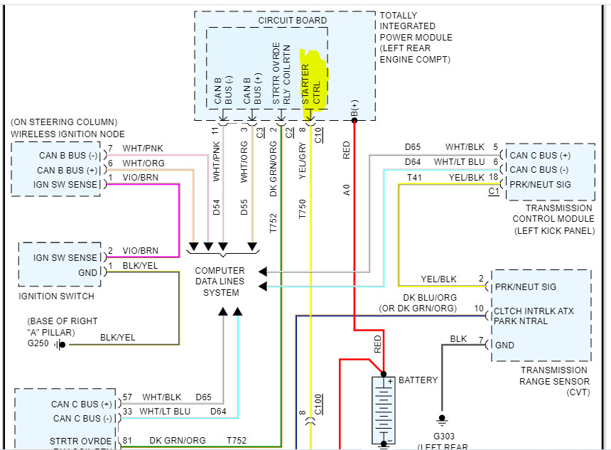
Okay, if you look at pics 1 and 3 below, it will help locate the TIPM and connectors.

At the TIPM will be several connectors. The C10 connector will be gray in color and is an 8-pin connector that only uses 5 of the connectors.

Disconnect the connector and inspect the connector pins first. Make sure they are in good condition and not damaged or corroded.

If they are in good condition, then you need to check pin 8 from the TIPM for power when the key is in the start position, so you will need a helper.

I attached pics below to help.

Take care and let me know the results.

Joe

See pics below.
Jan 1, 2023 at 8:59 PM
Avatar
BMCG03
  • MEMBER
  • 9 POSTS
Located the relay junction box, low speed fan relay has pin 85 corroded off. This relay supplies power to starter relay and one other one. bought new relay and connector to mount externally from the box. I now have power to pin 85 and 30 and when I try to crank it. I have power to pin 87, still won't crank over. Any ideas, maybe ignition switch?
Jan 10, 2023 at 1:27 PM
Avatar
JACOBANDNICKOLAS
  • CERTIFIED EXPERT
  • 110,175 POSTS
If you have power to pin 87, the starter should engage. That is the power supply to the starter trigger wire. If you have a helper turn the key to the start position, are you getting power at the yellow with a gray tracer wire at the starter?

Also, if you have power at 87, the ignition switch is working along with other things. The only thing that can cause this to not work would be a faulty ground path to pin 86 when the key is in the start position. But, if there is power at 87, that indicates the relay has done its job, and the starter should engage. Check that yellow/gray wire.

Let me know.

Joe
Jan 10, 2023 at 6:05 PM
Avatar
BMCG03
  • MEMBER
  • 9 POSTS
No power at yellow/gray wire when cranked, but if I put a jumper on the solenoid terminal where yellow/gray wire lives to battery I can start it with key.
Jan 10, 2023 at 11:01 PM
Avatar
JACOBANDNICKOLAS
  • CERTIFIED EXPERT
  • 110,175 POSTS
Hi,

The last thing is a ground path to relay pin 86. You have power everywhere it should be, but the circuit won't work. That leaves a ground problem, or the relay is bad.

Here is what to try. Take a test lamp and connect the alligator clip to the battery positive. Probe the connector where relay pin 86 goes. The test light should not light.

Have a helper turn the key to the start position. At that point, it should light.

Try that and let me know the results.

Joe
Jan 11, 2023 at 1:13 PM
Avatar
BMCG03
  • MEMBER
  • 9 POSTS
I've swapped the relays around already, what I did notice is I have power at pin 86 with the key off (dim as in half power).
Jan 11, 2023 at 1:55 PM
Avatar
JACOBANDNICKOLAS
  • CERTIFIED EXPERT
  • 110,175 POSTS
Hi,

Did you get low voltage to pin 86 with the relay removed? With the relay removed and the key in the start position, either pin 85 or 86 will have power. The opposite one will have nothing. Is that what you are finding?

Joe
Jan 11, 2023 at 2:43 PM
Avatar
BMCG03
  • MEMBER
  • 9 POSTS
pin 85 had constant power, before I cut the wires and installed the connector and new relay I believe there was no power at pin 86.
Jan 11, 2023 at 3:11 PM
Avatar
JACOBANDNICKOLAS
  • CERTIFIED EXPERT
  • 110,175 POSTS
Pins 85 and 86 are for the primary side of the relay. If pin 85 has power, then pin 86 should be a signal ground. So, if you turn the key to the start position, pin 86 should be ground.

Try the test lamp test I suggested on pin 86 with the key in the start position. If pin 86 provides a ground, the test lamp should turn on. If it doesn't, let me know so we can track things down. The PCM is what I believe provides the ground path.

Let me know.

Joe
Jan 11, 2023 at 3:50 PM
Avatar
BMCG03
  • MEMBER
  • 9 POSTS
When cranking the dim light at pin 86 goes off- no light.
Jan 12, 2023 at 12:59 PM
Avatar
JACOBANDNICKOLAS
  • CERTIFIED EXPERT
  • 110,175 POSTS
Okay, do you have constant power at pin 85? If you do, then pin 86 is the ground path to actuate the relay. If that is correct, let me know. Also, sorry to keep reconfirming things. Pins 85 and 86 can be used differently. For example, pin 86 may be power on one vehicle and 85 be the ground path. On a different vehicle, they can be switched. So, I don't you adding power to power.

If pin 85 does in fact have power at all times, we have an issue with the PCM. What I would do is this. Pin 85 has 12v all the time, so disconnect the relay. Using a test lamp, connect the alligator clip to the battery positive. Have a helper turn the key to the start position when there is no power to pin 86. If the PCM is good, the test lamp will turn on. If it doesn't, we need to dig further.

Let me know.

Joe
Jan 12, 2023 at 8:23 PM
Avatar
BMCG03
  • MEMBER
  • 9 POSTS
Just to be clear, where am I placing the other end of the test light - on pin 86 while cranking.
Jan 12, 2023 at 9:44 PM
Avatar
JACOBANDNICKOLAS
  • CERTIFIED EXPERT
  • 110,175 POSTS
Hi,

If pin 85 is the one that has power at all times, then yes, test pin 86 for a ground path.

Let me know what you find.

Joe
Jan 13, 2023 at 8:07 PM
Avatar
BMCG03
  • MEMBER
  • 9 POSTS
I put the test light on pin 86 from positive post and when key is turned on, the light comes on- when cranked the light goes off.
Jan 18, 2023 at 10:38 AM
Avatar
JACOBANDNICKOLAS
  • CERTIFIED EXPERT
  • 110,175 POSTS
That is the problem; the ground can't handle any load. If I had to guess, the problem is at the TIPM connector. That is a theory. I suspect the ground terminal for that wire is either corroded, damaged from corrosion, or pushed in on the connector.

On the TIPM, we now need to check connector 2 pin 2 to see if the ground path is lost there as well. I attached a pic below showing the connector. It will be light gray in color and have a 14-pin connector.

Let me know what you find.

Joe

See pics below.
Jan 18, 2023 at 2:00 PM