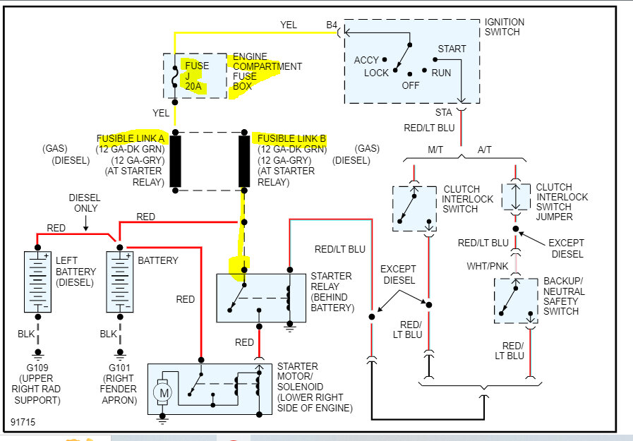
My truck listed above will not crank. If I jump at the starter relay it starts and runs perfectly.
I have replaced the Starter, the Starter relay, the neutral safety switch on transmission, the ignition switch on the column and the ECM. Still no crank with key.
I am at a loss what to do next.
I have an OBD-1 code reader and it gave a code for the ECM.
I bought one from Flagship One installed it and still no crank. But I did fix the code error.
Can anyone give me any advice?
Please
I have replaced the Starter, the Starter relay, the neutral safety switch on transmission, the ignition switch on the column and the ECM. Still no crank with key.
I am at a loss what to do next.
I have an OBD-1 code reader and it gave a code for the ECM.
I bought one from Flagship One installed it and still no crank. But I did fix the code error.
Can anyone give me any advice?
Please
May 10, 2023 at 7:20 PM

