If the starter is only clicking or there is only a click, and the starter does not turn then we need to start with checking the voltage at the starter.
You should have 12 volts on the B+ wire and then trigger wire when you are cranking the engine.
https://www.2carpros.com/articles/how-to-check-wiring
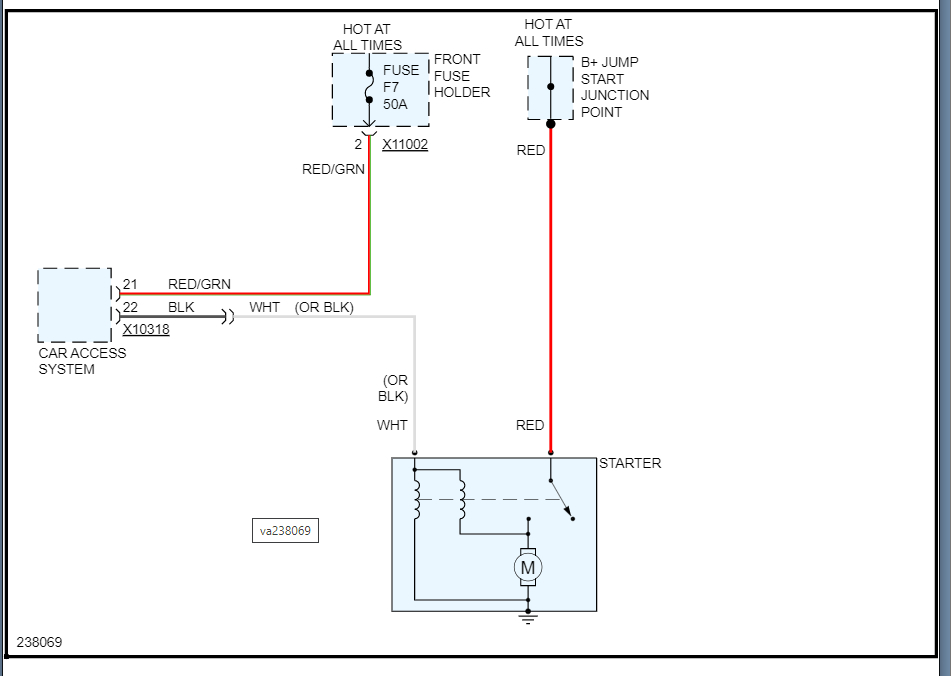
I am attaching the wiring diagram below but basically, we need to go to the starter and find out if we have 12 volts on both wires. I suspect we will not have it on the trigger wire but we need to confirm this first, so we are not guessing.
Next, is the theft system remaining active? If it is, then we need to check for codes.
https://www.2carpros.com/articles/checking-a-service-engine-soon-or-check-engine-light-on-or-flashing
Let me know what you find, and we can go from there.
Thanks
Jun 2, 2022 at 7:53 AM