Codes P0562 and P0073, after engine swap the engine does not crank at all?

2011 RAM 1500
150,000 MILES • 5.7L • V8 • 4WD • AUTOMATIC
Avatar
KINGJD123
  • MEMBER
  • 104 POSTS
i am at the end of my engine swap i currently have the front end off and belts off and transmission cooler looped. This is in case i did something wrong and need to pull it right back out. then engine came from a 2020 engine into a 2011 and i did research and followed what i needed to swap but I'm in a no start situation. it doesn't try to turn at all. the codes i got where P0562 and P0073 my pressure switch is in the mail and this shouldn't stop it from trying turn over and my cylinder deactivation( this was previously deleted and tuned off so that's not a problem) i will send attached picture of the current state of the car but shouldn't i be able to turn the engine over without the alternator hooked up? the battery was just replaced only thing to note is my grounds on the back of the head i relocated it to the bottom of computer bracket, used a wire brush to get rid of the paint the only thing wrong is i didn't put a nut on the bottom of it to ensure a solid ground but the other ground by the block is on, what else am i missing could the head ground cause it not to start because when i pulled the engine it wasn't even hooked up to the body just connected to each other because the other side that was to connect to frame was frayed i didn't think it mattered. also, i have an Autel 906bt so i can scan codes and look at a lot if that helps. my voltage is reading 12 volts.
Mar 12, 2024 at 7:48 PM
Advertisement
Avatar
STRAILER
  • CERTIFIED EXPERT
  • 53,854 POSTS
So, only one of these codes can affect the engine not cranking over, which is the P0562 code.

P0562 - System Voltage Low: This code indicates that the vehicle’s electrical system voltage, generated by the battery and alternator, is below the expected level.

The P0073 code is for the air intake temperature so the engine should still crank over.

P0073 - Ambient Air Temperature Sensor Circuit High input:

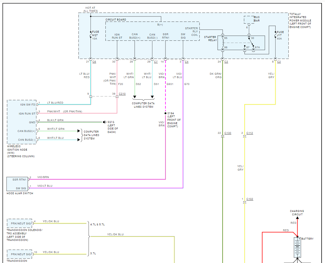
But you say you have 12 volts, is that at the battery? If so, I would doble check the battery feed wires to the starter, alternator and TIPM. Here is a guide that can help, and I have included the wiring diagrams to show you what I am talking about so you can check it out. Thanks for the images. We can help you get it running, no problem.

https://www.2carpros.com/articles/starter-not-working-repair

Check out the images (below). Please let us know what happens.
Mar 13, 2024 at 9:42 AM
Avatar
KINGJD123
  • MEMBER
  • 104 POSTS
Turned out to be starter.
Mar 13, 2024 at 6:56 PM
Advertisement
Avatar
STRAILER
  • CERTIFIED EXPERT
  • 53,854 POSTS
Glad you could get it fixed, thanks for letting us know. Please use 2CarPros anytime we are here to help.
Mar 14, 2024 at 9:47 AM