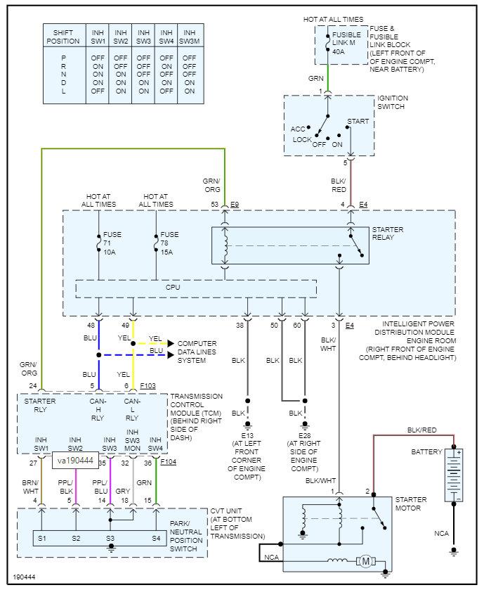
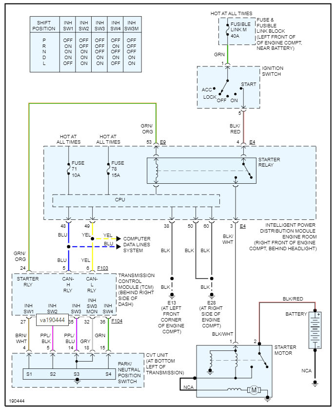
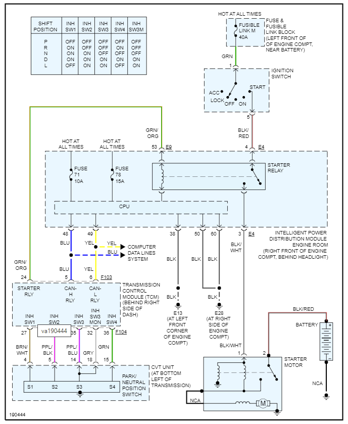
Turn the switch on lights come on but try to start no crank. i am not getting any fire to starter from the switch. turn the switch on the lights come on but try and crank the truck will not crank i have no power coming from the switch to engage the starter i can jump the relay and truck cranks and even will start as long as i leave the switch in the on spot, but the switch will not send power to the starter. i would like to know where the neutral safety switch is, its not on the transmission where the ste gear selector is.
Mar 20, 2022 at 4:12 PM

