☰
Login
Join
×
Home
Answered Questions
Repair Topics
Repair & Service Guides
Popular Questions
Warning Lights
Trouble Codes
How It Works
Testing / Diagnostics
Symptoms
Videos
Login
Become a Member
Home
GMC
Truck
Engine
Symptoms
Not Cranking Over
No crank
1995 GMC TRUCK
213,221 MILES • 6 CYL • 2WD • AUTOMATIC
SUEANNERNST22
MEMBER
1 POST
FOLLOW
Truck won't crank. When you turn the key over dash lights come on and battery is good. It just won't crank.
Mar 9, 2020 at 1:14 PM
Advertisement
ASEMASTER6371
CERTIFIED EXPERT
52,796 POSTS
Good afternoon,
What is the battery voltage? You need 12.4 to 12.6 volts.
https://www.2carpros.com/articles/car-battery-load-test
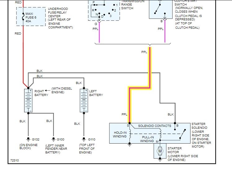
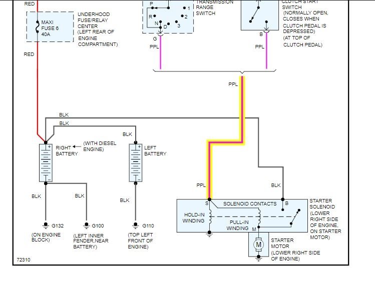
I attached a wiring diagram for you. Do you have a test light or voltmeter to do some testing?
https://www.2carpros.com/articles/starter-not-working-repair
Roy
Images (Click to enlarge)
Mar 9, 2020 at 2:12 PM