No communication to ABS module

2005 CADILLAC CTS
140,000 MILES • 3.6L • V6 • 2WD • AUTOMATIC
Avatar
FERGUSONSAUTO
  • MEMBER
  • 2 POSTS
Vehicle came in to shop with no brake lights, ABS and Trac light, no and communication with ABS module. replace the module with new one, programmed, all worked fine. It worked fine for about twenty minutes, then no brake lights and no communication. Someone said in a post that maybe have pinched wire from front fuse panel and front bumper.
Apr 26, 2018 at 7:11 PM
Advertisement
Avatar
STRAILER
  • CERTIFIED EXPERT
  • 53,854 POSTS
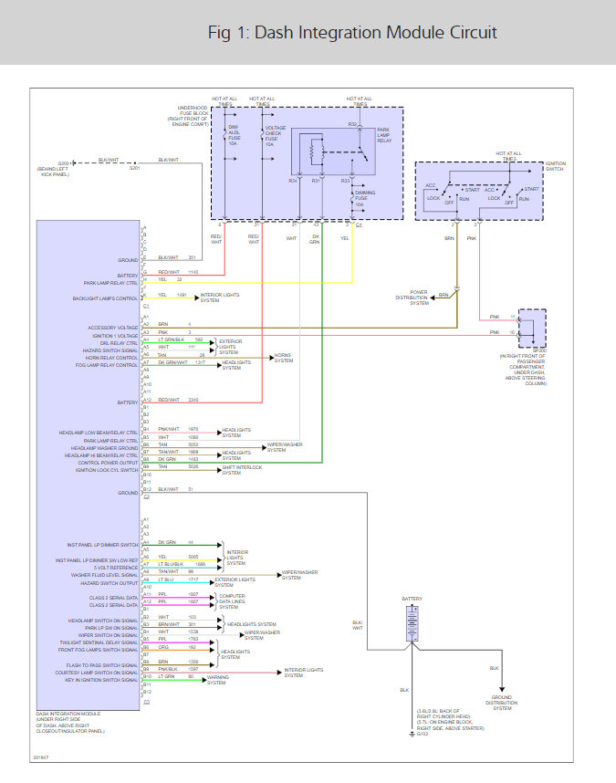
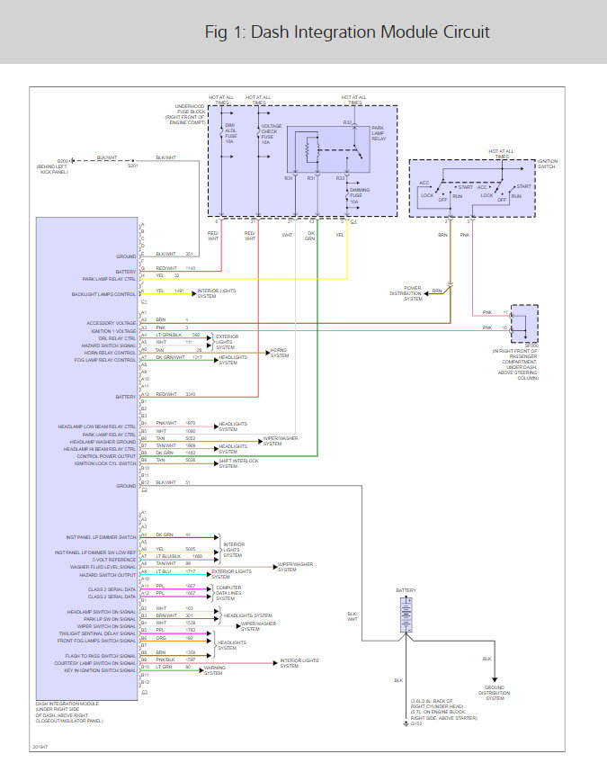
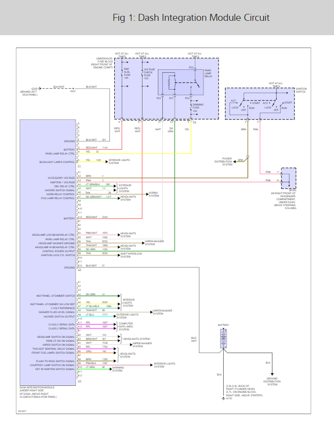
Yes, that is what it sounds like. I would do a pin to pin to confirm the failure check resistance to ground on all data lines. Here is a a guide and the wiring diagrams:

https://www.2carpros.com/articles/how-to-check-wiring

Check all connectors for corrosion as well. Check out the diagrams (below).Please let us know what you find.

Apr 14, 2021 at 10:56 AM
Avatar
FERGUSONSAUTO
  • MEMBER
  • 2 POSTS
Found the problem, There were two ground connections between right front fuse panel and headlamp that were loose. Thanks for the information.
Apr 14, 2021 at 10:56 AM
Advertisement
Avatar
STRAILER
  • CERTIFIED EXPERT
  • 53,854 POSTS
Glad you could get it fixed, that kind of problem can be tough. Please use 2CarPros anytime we are here to help.

Cheers, Ken
Apr 14, 2021 at 10:56 AM