no communication obd2?

1996 FORD E-SERIES VAN
221,000 MILES • 5.8L • V8 • 2WD • AUTOMATIC
Avatar
RICARDO MATIAS
  • MEMBER
  • 7 POSTS
I have tried several scan tools with the same result no communication. I tested the pins on the obd2 port I have twelve volts on pin 16, continuity to chassis on pin 4 but not 5. I have no voltage or continuity to chassis on pins 2 and 10. I even tried a different ECM with no change. so I found the same color wires as pin 2 and 10 on the connector to the ECM and there was no continuity. That is all i know and I am at a loss and need some help.
Mar 25, 2018 at 3:59 PM
Advertisement
Avatar
STRAILER
  • CERTIFIED EXPERT
  • 53,854 POSTS
Hello,

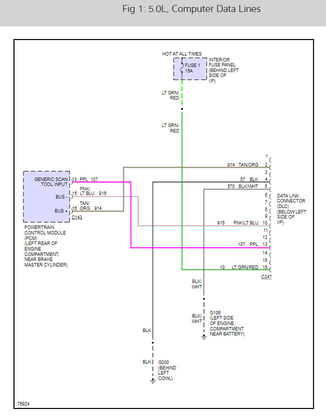
You must be losing connection somewhere. Here is a guide to help you test the wiring:

https://www.2carpros.com/articles/how-to-check-wiring

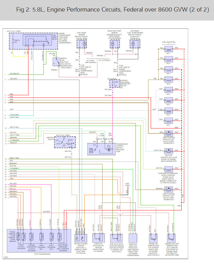
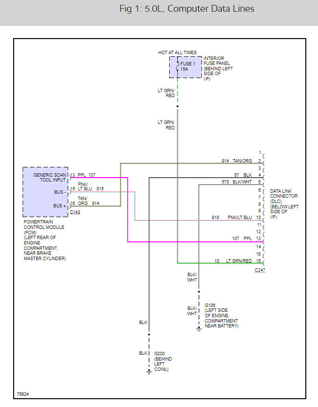
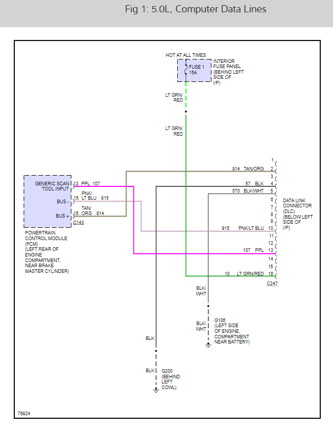
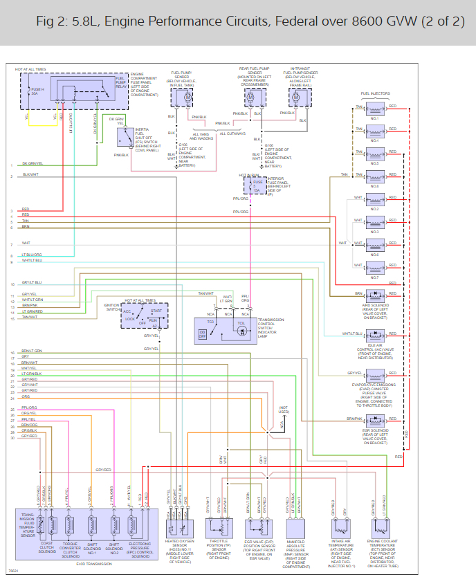
And the ALDL wiring diagrams to help see how the system works.

Check out the diagrams (below).

Please run this test and get back to us.

Cheers, Ken
Mar 27, 2018 at 12:18 PM
Avatar
RICARDO MATIAS
  • MEMBER
  • 7 POSTS
Okay here is an update. I am pretty sure the OBD port is disconnected somewhere on the way to the computer. on the bright side i found the EEC-IV data link connector in the engine compartment and jumped the (T/O) wire for circuit 914 and the (PK/LB) wire for circuit 915 to pins 2 and 10 on the OBD port. One reads five volts and the other 0.27v. I still got no communication is this because pin 5 is not grounded? If so does it need to be grounded to a wire coming from the ECM or is the chassis fine?
Mar 27, 2018 at 6:10 PM
Advertisement
Avatar
STRAILER
  • CERTIFIED EXPERT
  • 53,854 POSTS
I think you found the problem number five must be grounded. You can create own own ground to tap into the circuit.
Mar 28, 2018 at 3:08 PM
Avatar
RICARDO MATIAS
  • MEMBER
  • 7 POSTS
Okay, so I now have every wire on the OBD-2 port jumped to their matching colors on the ECM and seem to have all correct voltage a resistant readings no shorts detected, but i still get no communication. I now again tried changing ECM's still nothing. Also let it be known i am using an Innova 3100 diagnostic tool.
Mar 28, 2018 at 6:26 PM
Avatar
STRAILER
  • CERTIFIED EXPERT
  • 53,854 POSTS
Can you try the tool on another car to confirm that it is working please?
Mar 28, 2018 at 7:47 PM
Avatar
RICARDO MATIAS
  • MEMBER
  • 7 POSTS
I just tested it on my 2009 Ford focus and no problem communicating. Do circuits 914 and 915 have to connect to anything other then the PCM to get a reading. As I said before they did not seem to get a connection into the cab to the odb port so i jumped the wire directly to the PCM. so maybe it is not connected to some other device in those circuits. Also, this van also has four wheel ABS system and the ABS light has been on and I cannot communicate with that control module either.
Mar 29, 2018 at 7:48 AM
Avatar
STRAILER
  • CERTIFIED EXPERT
  • 53,854 POSTS
Can you confirm you have power at 16? and ground on 4 and 5?
Mar 29, 2018 at 2:56 PM
Avatar
RICARDO MATIAS
  • MEMBER
  • 7 POSTS
yes 4,5 are grounded 16 has 12v and 2 has 5v and 10 has 0.27v and 13 has 0v.
Mar 29, 2018 at 7:01 PM
Avatar
STRAILER
  • CERTIFIED EXPERT
  • 53,854 POSTS
Yep that's everything sounds like you have a computer that is down. I would try plugging in a used one to see what happens.
Mar 30, 2018 at 10:36 AM
Avatar
RICARDO MATIAS
  • MEMBER
  • 7 POSTS
I have tried a used PCM and got the same results
Apr 1, 2018 at 12:26 AM
Avatar
STRAILER
  • CERTIFIED EXPERT
  • 53,854 POSTS
Okay the computer must not be powering up here is a wiring diagrams for the PCM please check the power and grounds.

Check the PCM power relay

https://www.2carpros.com/articles/how-to-check-an-electrical-relay-and-wiring-control-circuit

Please run this test and get back to us.

Cheers, Ken
Apr 1, 2018 at 4:07 PM
Avatar
RICARDO MATIAS
  • MEMBER
  • 7 POSTS
I don't know if that is the right diagram I have a 104 pin PCM
Apr 2, 2018 at 12:32 AM
Avatar
STRAILER
  • CERTIFIED EXPERT
  • 53,854 POSTS
Okay here are the other options for every engine they show. Are you viewing these on a mobile device?
Apr 2, 2018 at 9:57 AM
Avatar
VIPERMAX
  • MEMBER
  • 1 POST
Scanner will not link with vehicle. Tested OBD II connector and do not have ground at pin 5 (signal ground). Can this be grounded or does this ground through the PCM? (PCM just replaced with a cardone re-manufactured unit)
Aug 25, 2020 at 5:06 PM (Merged)
Avatar
PATENTED_REPAIR_PRO
  • CERTIFIED EXPERT
  • 1,853 POSTS
It is supposed to be grounded to G106 which is lower right front of engine compartment on frame rail.
Aug 25, 2020 at 5:06 PM (Merged)
Avatar
KNIGHTH
  • MEMBER
  • 2 POSTS
i have a 1996 Ford E350. It surges while driving and at idle. The check engine light is not registering a problem and it comes on before you start the engine as it should then goes out after starting the engine. I have an OBD II scan tool but it gets a link error and will not read any codes or any other info. I have also unplugged the O2 sensor but the check engine light still wont come on to indicate an issue. Is the PCM faulty? Where is the PCM located?
Aug 25, 2020 at 5:06 PM (Merged)
Avatar
THE FORD MAN
  • EXPERT
  • 38 POSTS
To address the PCM check engine light issue; without some testing, it would be difficult to know for sure. I suspect that the PCM may be operating normally. We occasionally run into a scan tool that will not read codes properly on this model for some reason. Rarely does throwing a PCM at a vehicle work. I heard a stat that it is successful less than 3% of the time, so I would not suggest doing that. The fact that the check engine light proves out usually is a good sign that the PCM is working. Sometimes they do not turn on a light unless the vehicle is driven for a while and the key is cycled a few times while the fault (or unplugged O2)is active. I would focus on a lean fuel mixture issue. It may be actual- a vacuum leak or it may be a faulty input- a faulty baro sensor. These engines have been known to have intake manifold vacuum leaks. A somewhat risky, but proven method is to run the engine while the symptoms occurs while running propane gas (unlit)with a hose around the intake manifold gaskets. If the engine smoothes out, then you may be on to something. I hope this helps.
Aug 25, 2020 at 5:06 PM (Merged)
Avatar
KNIGHTH
  • MEMBER
  • 2 POSTS
Thanks for the tip. I'll check it out
Aug 25, 2020 at 5:06 PM (Merged)
Avatar
THE FORD MAN
  • EXPERT
  • 38 POSTS
You welcome.
Aug 25, 2020 at 5:06 PM (Merged)