Radiator cooling fan not working

2015 CHEVROLET EQUINOX
30,000 MILES • 2.4L • 4 CYL • 2WD • AUTOMATIC
Avatar
SEAN HORGAN
  • MEMBER
  • 4 POSTS
The engine cooling fan does not turn on?
Jul 27, 2019 at 9:00 AM
Advertisement
Avatar
STRAILER
  • CERTIFIED EXPERT
  • 53,854 POSTS
Hello,

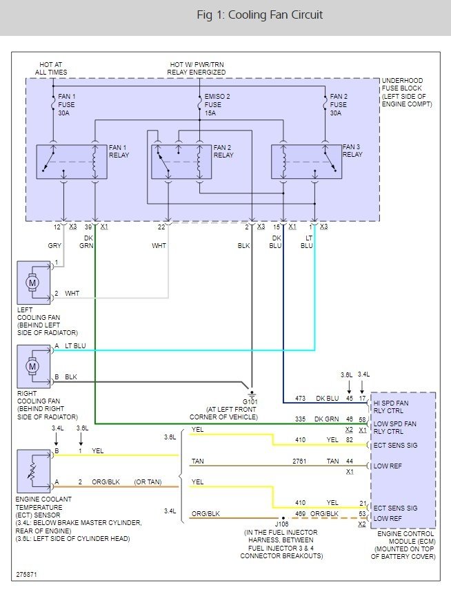
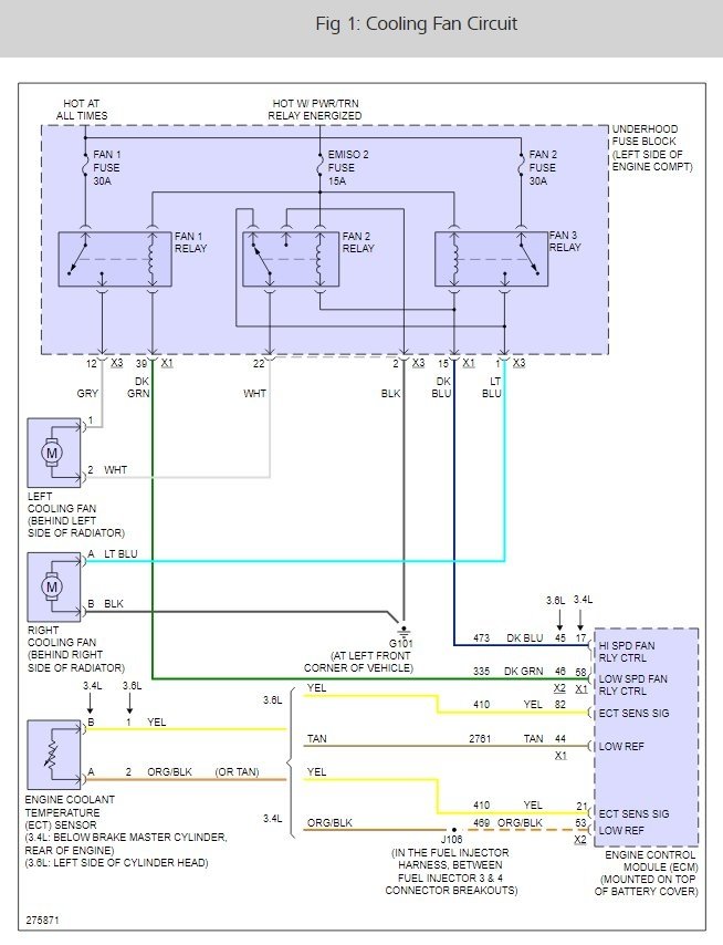
It sounds like you have a fuse or relay that is not working, here is the AC wiring diagrams so you can see how the system works with the fuses and relays that needs to be checked which the guides below can help with that, also we need to check the freon level as well.

https://www.2carpros.com/articles/how-to-check-a-car-fuse

and

https://www.2carpros.com/articles/how-to-check-an-electrical-relay-and-wiring-control-circuit

and

https://youtu.be/uZrQCGwXfek

and

https://www.2carpros.com/articles/car-air-conditioner-not-working-or-is-weak

Here are the fuse and relay locations as well. Check out the diagrams (Below). Please let us know what you find. We are interested to see what it is.

Jul 28, 2019 at 5:25 PM
Avatar
SCHLATERS
  • MEMBER
  • 2 POSTS
What sensor tells the engine cooling fans to kick on, or should I say what sensor tells the PCM to trip the relays on a 2008 Equinox 3.4 ltr engine? Both fans not running, gauge on dash in red, not steaming, no bells, lights or whistles... I tested the relays and they are fine.
Apr 20, 2021 at 1:50 PM (Merged)
Advertisement
Avatar
STRAILER
  • CERTIFIED EXPERT
  • 53,854 POSTS
Hello,

The system is triggered by a coolant temperature sensor located in the cylinder head. Here is a wiring diagram (below) and a guide to help you get the problem fixed.

https://www.2carpros.com/articles/coolant-temperature-sensor-cts-replacement

and

https://www.2carpros.com/articles/how-to-use-a-test-light-circuit-tester

Here is the location of the sensor

Please run some tests and get back to us we are interested to see what it is.

Cheers, Ken
Apr 20, 2021 at 1:50 PM (Merged)
Avatar
KSHEYN
  • MEMBER
  • 2 POSTS
Overheating engine.Fans never start

Steps:
1. Tested fans with 12v - OK
2. Engine start. Temp on dash start rising. Coolant Temp on ODBII scanner rising. At some point thermostat open big loop (big hoses get hot) Keep 3000rpm for a while - temp reaches 210F. Still no Fans.
3. On PCM J1 pins 48, 50 High, Low relay control. Shorting to the ground start the fans.

So what it could be?
Does PCM required reprogramming if taken out another Equinox with same engine?

Also: I disconnect CTS cable from sensor. Coolant temp on ODB scanner shows -30F, short cable - 270F. Do I understand correctly this could be use to turn fans ON even without reaching high temps?
Apr 20, 2021 at 1:51 PM (Merged)
Avatar
SATURNTECH9
  • CERTIFIED EXPERT
  • 30,869 POSTS
I have look this one up but I believe the fans come on at a higher temp then 210.Also have you checked to make sure the coolant temp is reading correctly?You would need a infared temp gun to check the sensor readings on the scan tool verus your temp gun.
Apr 20, 2021 at 1:51 PM (Merged)
Avatar
KSHEYN
  • MEMBER
  • 2 POSTS
Coolant reaching boiling point and shows more then 3/4 on the dash temp display (was not monitoring ODB scanner at the time). Still no fans. Does the PCM makes decision tot turn the fan depend on temp of coolant or something else? Is there way to test the system just managing voltage on the input? Can ODB scanner can send command turning the fan ON?
Apr 20, 2021 at 1:51 PM (Merged)
Avatar
SATURNTECH9
  • CERTIFIED EXPERT
  • 30,869 POSTS
The cooling fan is turned on by the computer based on coolant temp ac on etc.There really aren't any values in the online repair manual the fan comes on other then the coolant temp displayed on the scan tool.
Apr 20, 2021 at 1:51 PM (Merged)
Avatar
STRATFORDRED
  • MEMBER
  • 1 POST
The car dealership says the coolant fans are not working and burnt out the relays. They want $1,200 do fix this.
The car is only 3 years old.Of course the warantee only lasted to 36,000 miles. My Dad has passed and he knew all this stuff. It just seams like so much money.

Also the light was on for months, I had the emissions cleaned it went off and I thought because a dealer didn't do the work was why it came back on. So i paid no attention. Its been running fine-no overheating?!

How big a job is this? Do they take the engine apart?
For this kind of money maybe I should get an extended warrantee , wait a while and put in the claim. With these knid of things happening I really can't afford any more big ticket items to be fixed. I know it sounds awful but do you think I couold that?
Apr 20, 2021 at 1:51 PM (Merged)
Avatar
IMPALASS
  • CERTIFIED EXPERT
  • 3,112 POSTS
Hello - First, I am sorry to hear your father passed away. If you need to get back with me I, to better assist you please let me know if your model is a LS or LT. Also, I only show your model having a 6 cylinder engine not 4. As for the repair of replacing the engine cooling fan motors that does seem excessively high to me. Based off my estimation about double. I have attached my estimate. As for the fans, no they don't take the engine apart - they just remove the cooling fan shroud that is by the radiator. I have attached a pic of what the fans look like. For the engine light, if you would like guidance on that then please go to Auto Zone (AZ) or O'Reilly's (OR) and for FREE they can pull the codes to the car. Most important: Once they check your codes, if they find something and you don't get it fixed and need to get back with us, please make sure you tell us exactly what the code was, number and all. Example, if the code was E0568 O2 Sensor bad. Then make sure you give us all of that. While there for FREE also they can bring their tester out and check your battery and alternator. It doesn't seem like you will be doing these repairs yourself so my suggestion is to ask around and find a couple of good reputable mechanic shops. Not all things need to go to the dealer. I would check with my local church to see if they have mechanics in the congregation that own or work on vehicles. You might consider getting a warranty for your vehicle if you are unsure about doing these types of things. Again, I would definitely check and find a local mechanic and you can even check with the Better Business Bureau for recommendations. Again, I am sorry to hear of your father. He seems like he was a great father to take care of these things for you. I am sure he would be proud you are attempting these things on your own now. With automotive just do like you are doing. Ask advice and check around. Make sure you do the normal maintenance on your vehicle, oil changes etc and plan ahead by getting several good mechanics lined up for times like these. Of course we are always here to assist as we can.


https://www.2carpros.com/forum/automotive_pictures/248015_1_36.jpg


https://www.2carpros.com/forum/automotive_pictures/248015_2_37.jpg

Apr 20, 2021 at 1:51 PM (Merged)
Avatar
MELISSA RENI WILLIAMS
  • MEMBER
  • 2 POSTS
Fans are not working. wanting to know how to test the temperature sensor.
Apr 20, 2021 at 1:51 PM (Merged)
Avatar
JACOBANDNICKOLAS
  • CERTIFIED EXPERT
  • 110,175 POSTS
Hi,

Testing the engine coolant temperature sensor is done using a live data scan tool. If you have access to one, simply plug it into the data link connector under the dash, go to live data, and check what signal the sensor (ECT) is sending to the computer. If the engine is at operating temperature, it should be around 200°F. The fans are designed to turn on at 210°F.

Melissa, have you checked fuses and relays? Does the fan come on with the AC?

There are two fuses and two relays in the under hood fuse box. Check them if you haven't. I attached two pics identifying them and showing locations.

Here are a couple links you may find helpful.

In addition to just checking a fuse, make sure there is power to it.

https://www.2carpros.com/articles/how-to-check-a-car-fuse

https://www.2carpros.com/articles/how-to-check-an-electrical-relay-and-wiring-control-circuit

Let me know if this helps or if you have other questions.

Take care,
Joe

Apr 20, 2021 at 1:51 PM (Merged)
Avatar
MELISSA RENI WILLIAMS
  • MEMBER
  • 2 POSTS
The fuses have been checked and one relay had to be replaced. the fans do not come on when air is on either. I was told I needed to get new fans. it was checked with a volt meter but car was not on. I don't know if that even matters. someone else told me to clean the temperature sensor first. I don't know what I should do. my daughter's car she is a single parent of 2 and works home health. don't have much money to replace everything. maybe you can still tell me what we should. do thank you so much.
Apr 20, 2021 at 1:51 PM (Merged)
Avatar
JACOBANDNICKOLAS
  • CERTIFIED EXPERT
  • 110,175 POSTS
The fans may be bad. We have two choices here to check them. First, you can check if the fans are getting power when they should be on. Second, you can run power directly to them to see if they run.

As far as cleaning the sensor, don't waste your time. The sensor works off resistance which is affected by heat. Cleaning it will likely do nothing.

Joe
Apr 20, 2021 at 1:51 PM (Merged)