Joe, can't thank you enough for going to such lengths.. thank you!
Please let me clarify what I need to do:
All of these checks to be done with the key in the "on" position:
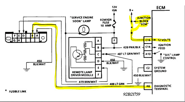
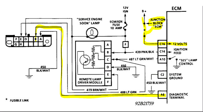
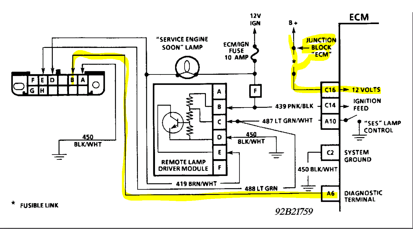
1. Pic #1 - check for 12 volt in the black/white wire of the right hand plug in the ECM (which I'm assuming is all the inputs)?
2. Pic #2 - check for 12 volts on the pink/black wire in the plug on the left of the ECM (which I'm assuming is all the outputs)?
3. Pic #3 - this looks like a connector located on top of the steering column under the dash, which should have two plugs. I am to check the one closest to the steering wheel for power - somewhere in one of the leads?
4. Pic #4 - find the connector behind the glove box coming out of the wire loom from under the heater blower and check to see if 12 volts are present?
5. Pic #5 - is this the fuse block behind the cover on the dash under, and to the left of the steering column? If so, check the 10am fuse at Position #177 and #178?
If all my assumptions are correct, you do not need to reply. Please correct me if I am assuming incorrectly. I will do this in the AM and report back.
I have a question - I see 4 screws that appear to hold the instrument cluster into position. If I remove those 4 corner screws, is it possible to pull the instrument cluster forward and examine the back side of it? I'm wondering if someone has messed with that and disturbed the wiring.
Again, thank you very much!
Rich
Aug 23, 2021 at 8:54 PM