No cluster lights, reverse lights, and tag lights are not working?

2003 FORD EXPLORER
169,000 MILES • 4.0L • V6 • 2WD • AUTOMATIC
Avatar
03 WHITE EXPLODER
  • MEMBER
  • 1 POST
The dash is not lighting up (gauges work fine) when it is nighttime making it hard to see speed. The back lights, tag lights and fog lights all went out at the same time.

I replaced auxiliary fuse 15 and 16
I replaced all taillights
I replaced head light switch

What's next?

Dash bulb or rip apart car and check for ground issues?

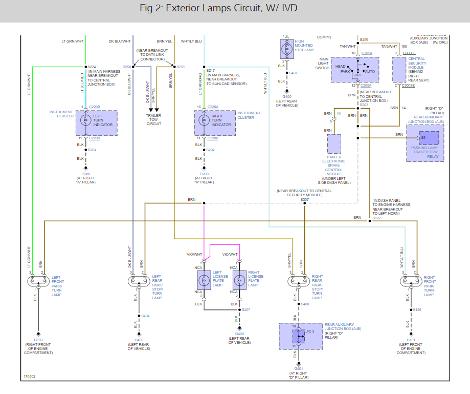
Also, anyone have a taillight wiring diagram?
Dec 23, 2022 at 10:52 PM
Advertisement
Avatar
STRAILER
  • CERTIFIED EXPERT
  • 53,855 POSTS
It does look like fuse # 16 runs both circuits, do you have power there?

Here is a guide that will help you check for power:

https://www.2carpros.com/articles/how-to-check-a-car-fuse

Here is the exterior lighting and cluster bulb wiring diagrams so you can see how the system works. If #16 does not have power, you could have a fuse panel that has gone bad, and you may need to supply an alternative power provider. Check out the images (below). Let us know what happens and please upload pictures or videos of the problem.
Dec 24, 2022 at 10:55 AM