Good evening,
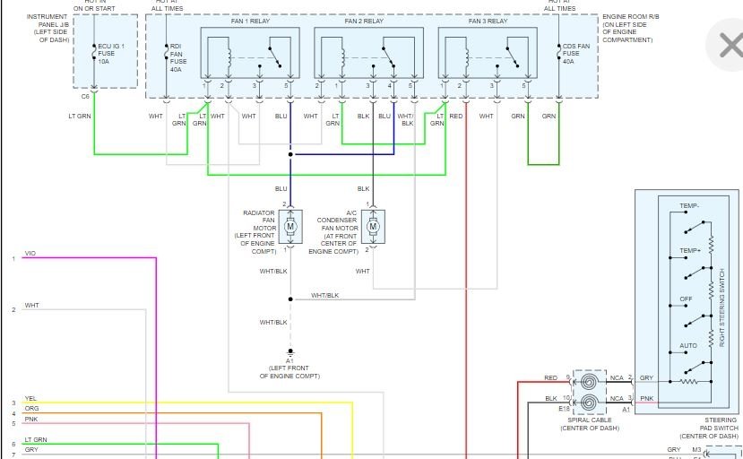
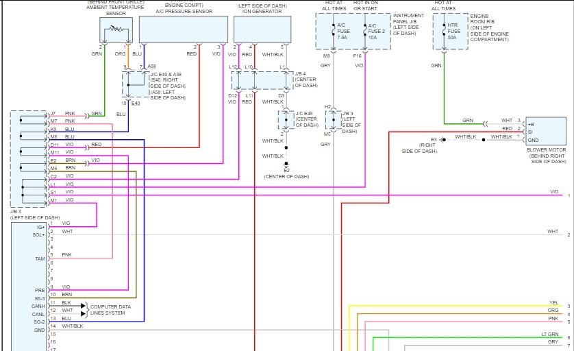
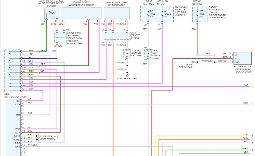
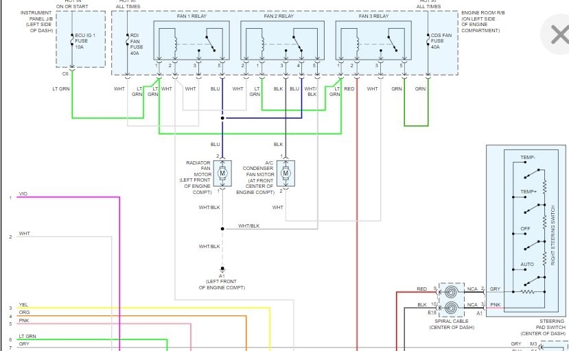
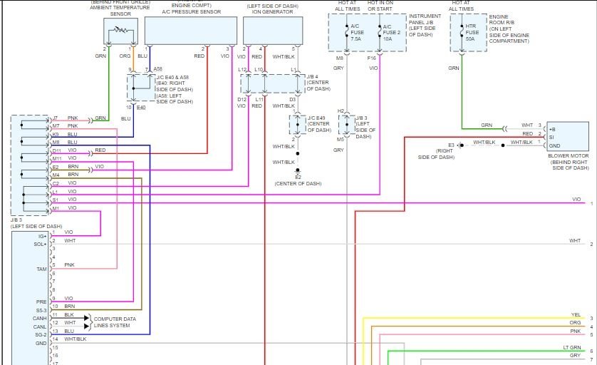
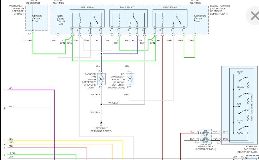
I attached a wiring diagram of the actuators for you to view along with the location of the actuators.
https://www.2carpros.com/articles/how-to-check-wiring
All the powers come from the control assembly for the actuators to work.
https://www.2carpros.com/articles/replace-blend-door-motor
Roy
REMOVAL
1. Remove shift lever knob sub-assembly (for automatic transaxle).
2. Remove shift lever knob sub-assembly (for manual transaxle).
3. Remove no. 1 instrument cluster finish panel garnish.
4. Remove no. 2 instrument cluster finish panel garnish.
5. Remove floor shift position indicator housing sub-assembly (for automatic transaxle).
6. Remove upper console panel (for manual transaxle).
7. Remove upper console rear panel sub-assembly (for automatic transaxle).
8. Remove upper console rear panel sub-assembly (for manual transaxle).
9. Remove upper console panel sub-assembly.
10. Remove instrument panel no. 2 register assembly.
11. Remove radio receiver with heater control assembly (for manual air conditioning system).
12. Remove navigation receiver with heater control panel (for automatic air conditioning system).
13. Remove radio no. 1 bracket (for manual air conditioning system).
14. Remove radio no. 1 bracket (for automatic air conditioning system).
15. Remove radio no. 2 bracket (for manual air conditioning system).
16. Remove radio no. 2 bracket (for automatic air conditioning system).
imageOpen In New TabZoom/Print
17. REMOVE AIR CONDITIONING CONTROL ASSEMBLY (for Manual Air Conditioning System)
a. Remove the air conditioning control assembly as shown in the illustration.
Images (Click to enlarge)
Jan 26, 2021 at 4:22 PM