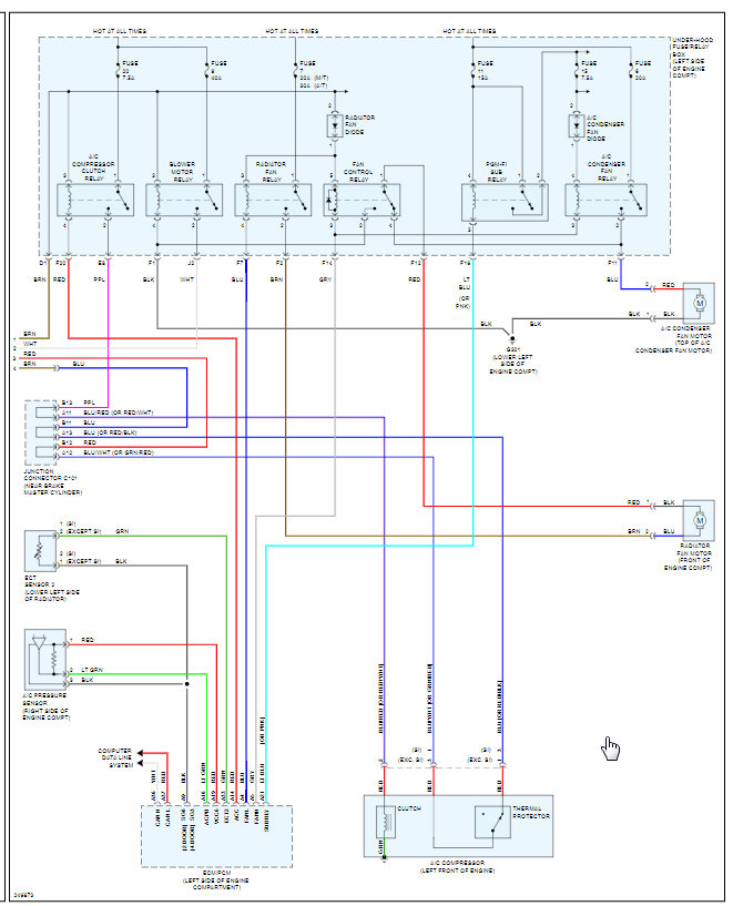
All of a sudden then A/C doesn't work, usually there would be that clicking sound when I put the A/C on. now there is no click sound and the A/C is not coming on, but the blower is working.
I need an assistance as where to start off my troubleshooting, is there relay or fuses to be check?
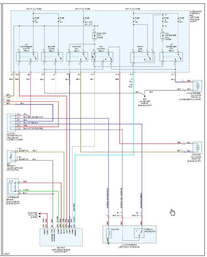
I need an assistance as where to start off my troubleshooting, is there relay or fuses to be check?
Jan 31, 2021 at 11:55 PM





