Battery drain

2000 CADILLAC DEVILLE
110,000 MILES • 3.2L • V8 • AUTOMATIC
Avatar
BRENDA DANUK-MURPHY
  • MEMBER
  • 1 POST
I replaced PCM, battery and alternator. Drove to AutoZone and back car was dead in morning. I have three wires red orange and yellow/gray I’m not sure what order they go in for alternator plug. can’t find a diagram anywhere.
Nov 21, 2021 at 11:30 PM
Advertisement
Avatar
SQM
  • CERTIFIED EXPERT
  • 6,383 POSTS
Hello,

So just to clarify, the alternator is not charging the battery? Did the battery light stay on during your drive home?

https://www.2carpros.com/articles/how-to-check-a-car-alternator

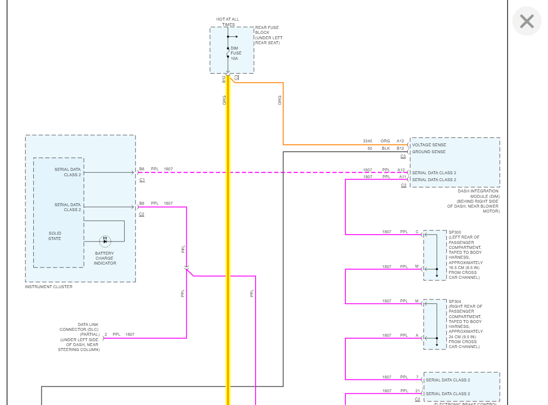
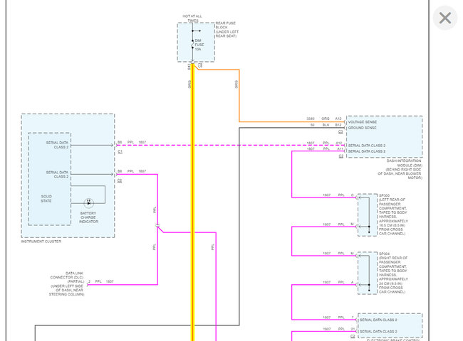
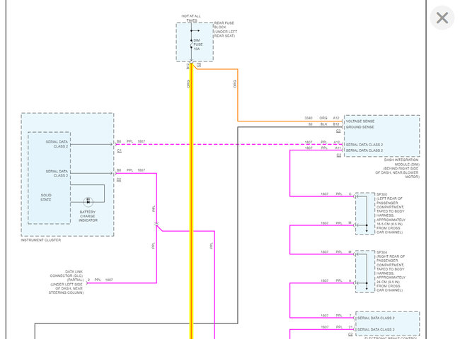
I have attached the pinout and the wiring diagram below.
It shows the color and the orientation of each wire.

Please let me know of any questions.
Thank you.
Nov 22, 2021 at 8:26 AM