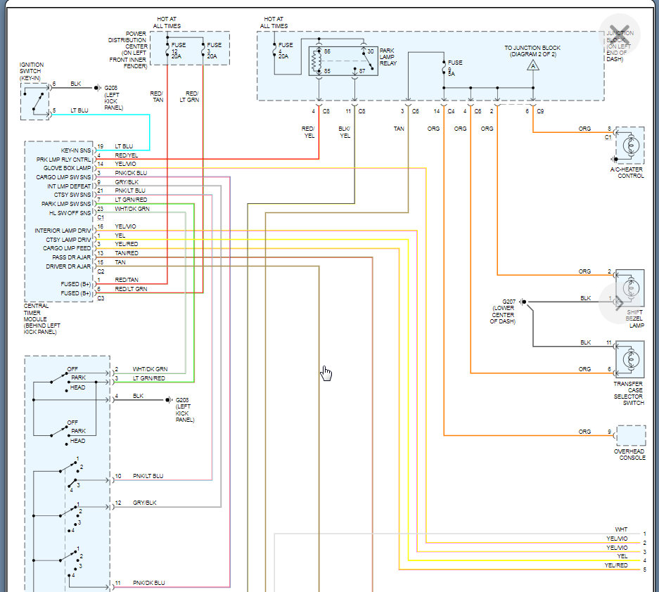
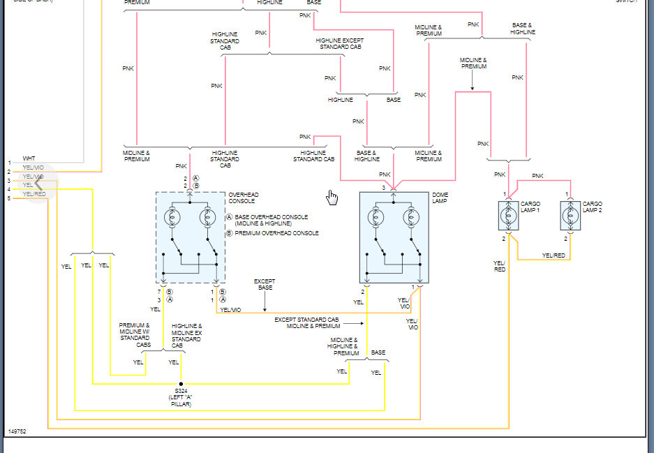
Hey I'm getting a No Bus fault, I have done some testing and found that I have a short in my interior lamp. (found this by disconnecting the negative cable from the battery and using a multimeter touching the negative post and the negative wire) stays around 1.5 amps. I removed my 40 amp fuse (for my interior lights) and it went down to
(0 -.4) so I have a short in my interior light wiring somewhere. is there a way to bypass the interior lights where the PCM will still send the 5v to the sensors? in other words sacrificing not having interior lights so that my truck will still run? any help would be appreciated. thanks
(0 -.4) so I have a short in my interior light wiring somewhere. is there a way to bypass the interior lights where the PCM will still send the 5v to the sensors? in other words sacrificing not having interior lights so that my truck will still run? any help would be appreciated. thanks
Oct 17, 2020 at 1:36 PM








