Hi,
Are you referring to the blower motor fan in the vehicle or the radiator cooling fan?
Here is what I have experienced with a TIPM. Because there are so many tiny pins in each connector, they are prone to fail. Oftentimes, the pin in the connector will first corrode and then break. If they corrode and do not break, I have had situations where I would see 12v at a component until it was turned on and a load placed on the circuit. Then power would drop off. Since the blower (whichever one it is) worked and then stopped, that is where I would think that problem lies.
As far as the dealer, I would think they can scan the can-bus. If they can't, I would really be surprised. Call and ask them. Also, mention that you are wondering if the issue could be related to the LIN network which actuates the wiper motor. That network (LIN) can be checked via the can-bus.
However, if you want, I will explain how to determine if my theory is correct with the wiper motor. If you have a multimeter or voltmeter, do this.
First, locate the front wiper motor and disconnect the black connector to it. It should have 4 wires to it. See pic 1 below. Disconnect the connector.
According to the dealership, there is power present, but it won't work unless they jump power to it. So, we are going to determine if the power drops off when a load is placed on it.
Next, look at pic 2 below. It is what the plug looks like. I highlighted one connector and circled the other. Their purposes are listed at the bottom of the pic. With the plug disconnected, have a helper turn the wipers on low. You should get power to the number 5 pin. Then have them turn it on high and you should have power to pin 3.
One last check with it disconnected is the ground. Pin 4 leads to a black wire which provides a ground. Using your meter, check for continuity to ground.
If you find power and ground, reconnect the connector to the wiper motor. Now, take a paper clip or the probe on your meter and slide it into the rear of the connector making contact with one of the wires for pin 3 or 5. See if the voltage drops off when the wipers are turned on. If it does, suspect a problem with a poor connection at the TIPM.
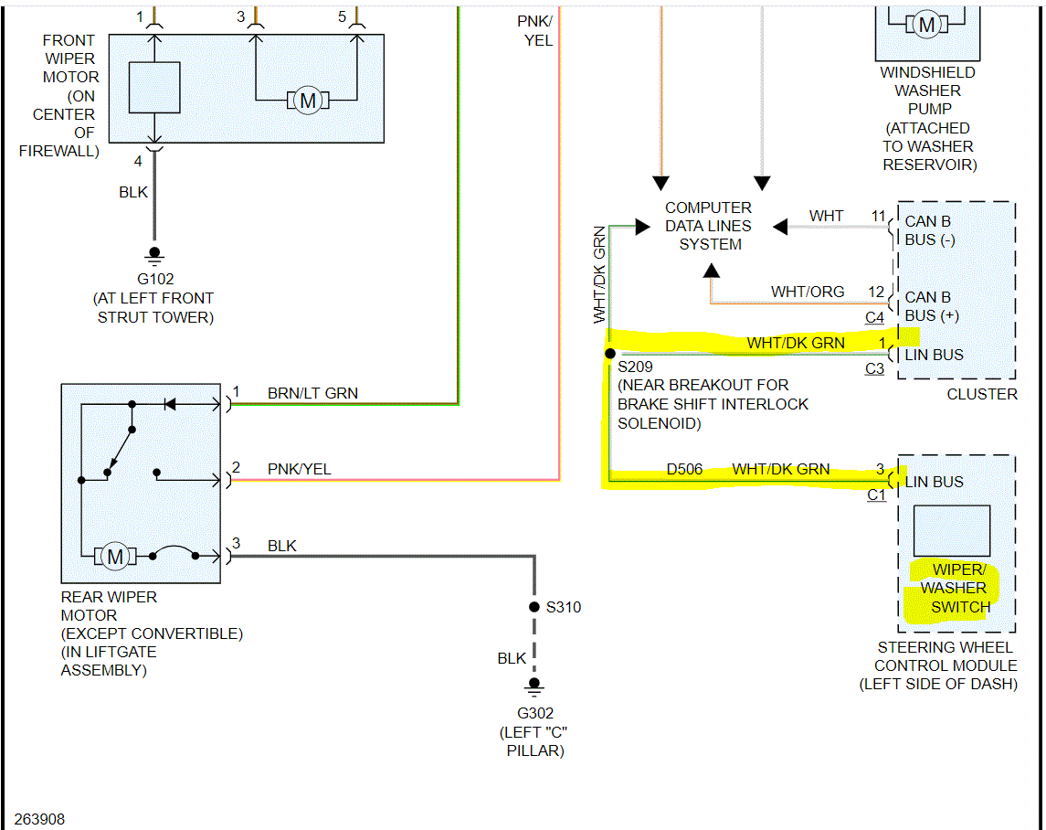
Pic 3 below shows the wiring schematic I am basing this on and how the tipm sends power to the motor. Now, if there is no power to the motor regardless of connected or not, then we either have a bad ground (which I circled in pic 3), a fault in the LIN/CAN, or an open circuit between the TIPM and the motor.
Here is a link you may find helpful:
https://www.2carpros.com/articles/how-to-use-a-voltmeter
I added that link simply because I don't know what you are doing. Also, I'm here to help if you are not comfortable doing this.
Let me know what you find or if you have other questions.
Take care,
Joe
See pics below.
Images (Click to enlarge)
Jul 16, 2021 at 8:44 PM