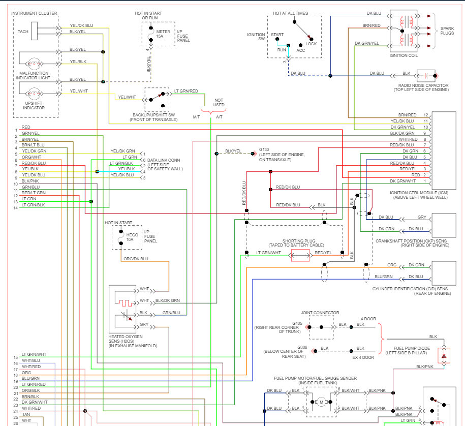
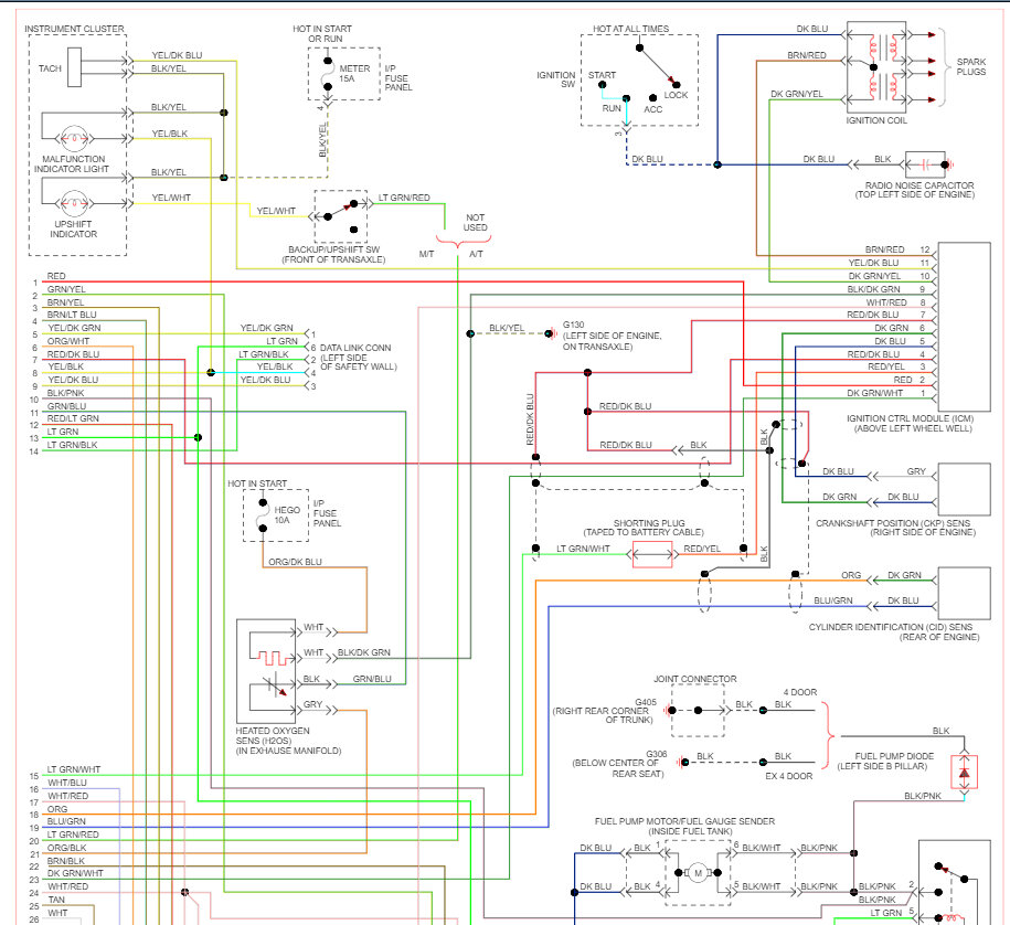
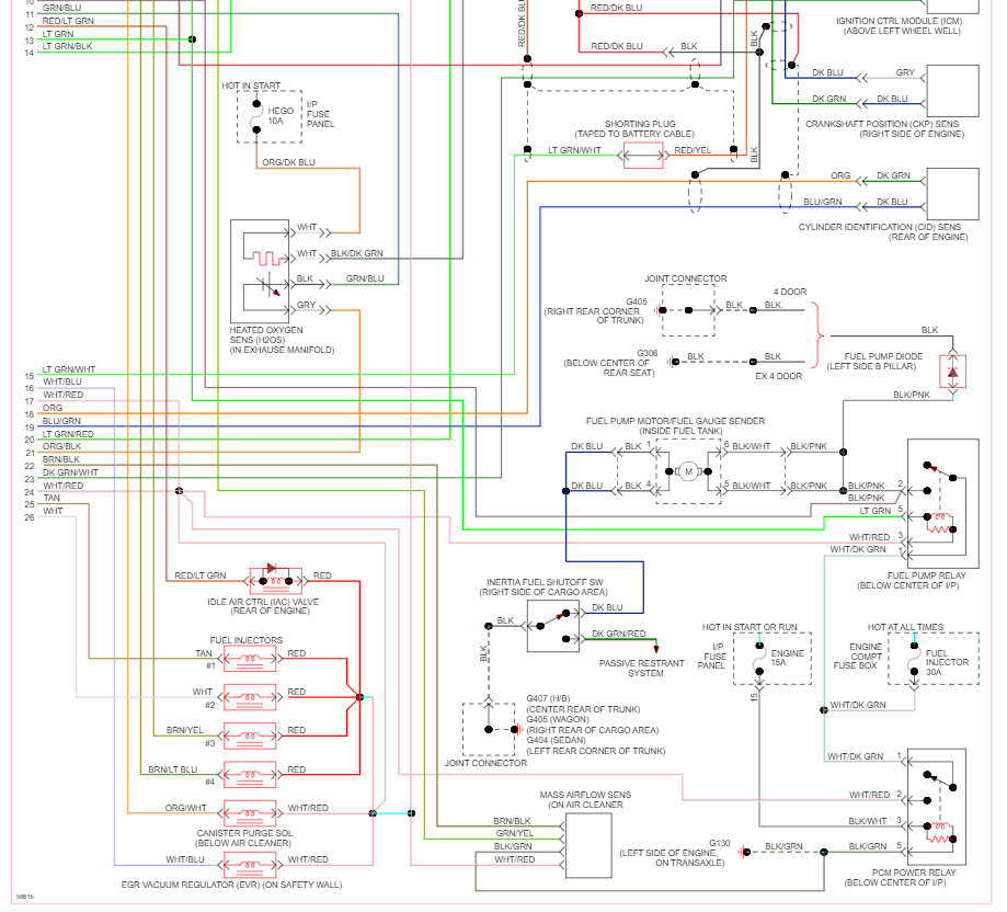
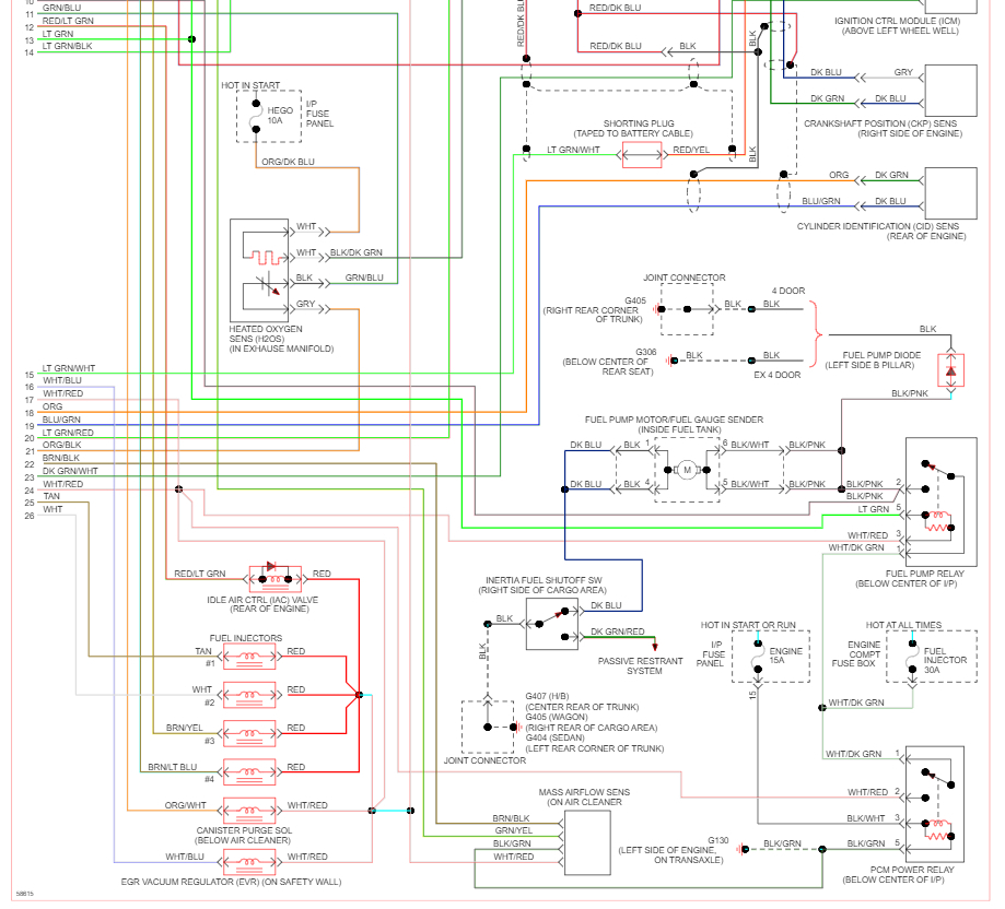
I bought the car at an auction 2 years ago. good on gas etc. After multi accidents, the car seemed bullet proof. However, it started nickel and diming me. timing belt, water pump and I changed the oil every 3,000 miles. The only problem was the taillights, parking and brakes so I placed jumpers in the fuse box to get power. No Biggy. I think the advent of the problem was removing the ignition switch in the back of the ignition cylinder and utilizing a small screwdriver to start the car. This started when my wife left me stranded without a key when I replaced the timing belt. In the last 4 months I've seen a least 20 different ignition switches ranging from a 95 ,96, 2003, and its wiring terminals depreciated 4 terminal connectors, but most of all a 6 terminal and 2 terminal connector that's connects to the switch. Last week When replacing the 20th switch, I notice that the vehicle would not shut off while turning it in the off position. So, I raised the hood disconnected negative cable and pulled off the injector fuse. This functions were performed in about a week.
I mind you that the switch cost $82.00 from the parts house so all if the switches came from a junk yard pull a part. And I only acquired the switch with an actual key. Today, the number 21 ignition switch and key were introducing the car, and the problem would not shut off. At present, I have no bus. When I start the car, no tax but still started up and drove. However, the problem persisted no tac gas gauge still worked. I even replaced a blower motor relay, and the ac came back to life .1 year ago the blower motor went out. After testing, it still worked so I assembled relay blower switch harness and deleted the old one to make it OEM. And since the car would not shut off because of the 21st switch, I toggled switch the injector fuse, so I didn't have to get out ,raise the hood every time it needed to shut down.
As you can see there have been many modifications to electronic wiring components and the last thing is the radiator electronic coolant fan yeah, I replaced the two fan relays due to overheating. And the last fan would not work because the fan motor can out of a Mazda.
As you can see hence the no bus from PCM from the Shadetree mods to this OBD1 ford. Recently, I read about performing the test connector with a jumper and a test light to run diagnostics however, wouldn't it be useless due to no PCM? Or is there another modification to bring back the PCM since it's been confused with all the repairing, and I followed removing negative cable off every time. I value all of you and the techs at your site. They got skills and that's why I'm here. Thanks.
I mind you that the switch cost $82.00 from the parts house so all if the switches came from a junk yard pull a part. And I only acquired the switch with an actual key. Today, the number 21 ignition switch and key were introducing the car, and the problem would not shut off. At present, I have no bus. When I start the car, no tax but still started up and drove. However, the problem persisted no tac gas gauge still worked. I even replaced a blower motor relay, and the ac came back to life .1 year ago the blower motor went out. After testing, it still worked so I assembled relay blower switch harness and deleted the old one to make it OEM. And since the car would not shut off because of the 21st switch, I toggled switch the injector fuse, so I didn't have to get out ,raise the hood every time it needed to shut down.
As you can see there have been many modifications to electronic wiring components and the last thing is the radiator electronic coolant fan yeah, I replaced the two fan relays due to overheating. And the last fan would not work because the fan motor can out of a Mazda.
As you can see hence the no bus from PCM from the Shadetree mods to this OBD1 ford. Recently, I read about performing the test connector with a jumper and a test light to run diagnostics however, wouldn't it be useless due to no PCM? Or is there another modification to bring back the PCM since it's been confused with all the repairing, and I followed removing negative cable off every time. I value all of you and the techs at your site. They got skills and that's why I'm here. Thanks.
Oct 10, 2023 at 3:02 AM





