Brake lights not working, left turn signal not working and buzzing

2001 FORD F-250
195 MILES • 6.8L • V10 • 4WD • AUTOMATIC
Avatar
APESGARAGEF250
  • MEMBER
  • 24 POSTS
Hi my name is April,

I have the truck listed above sd. my left turn signal started buzzing on me and stopped working. I checked all the fuses and changed a few and then my brake lights went. checked all the bulbs, the wiring and all that then my bright lights wouldn't cut off. Finally got them to cut off but I still have no left turn signal and no brake lights and the buzzing is still there. I've taken off the signal handle and cleaned it with contact cleaner and nothing still!! Please help any suggestions would be greatly appreciated!!
Jul 14, 2021 at 3:28 AM
Advertisement
Avatar
JACOBANDNICKOLAS
  • CERTIFIED EXPERT
  • 110,175 POSTS
Hi,

My first question is where is the buzzing coming from? If it is coming from the steering column, I suspect it is the switch.

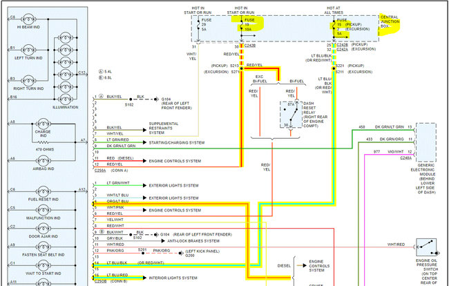
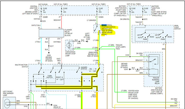
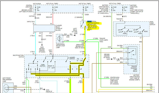
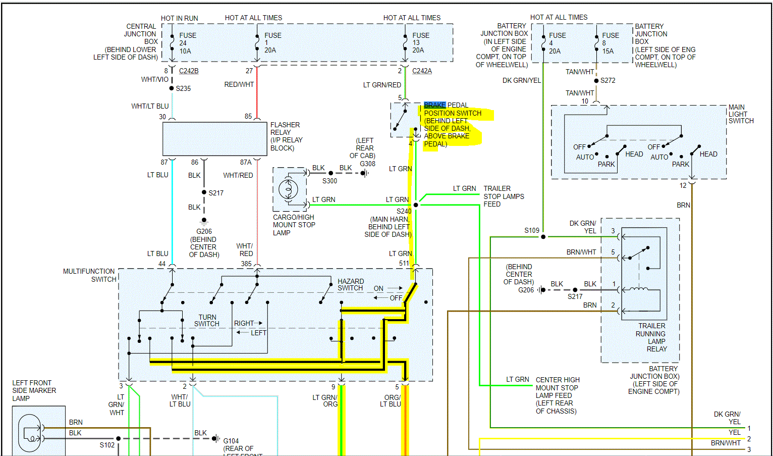
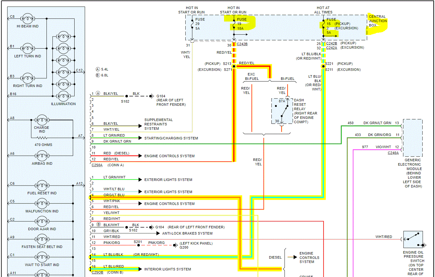
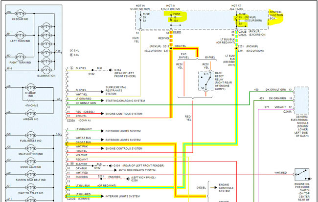
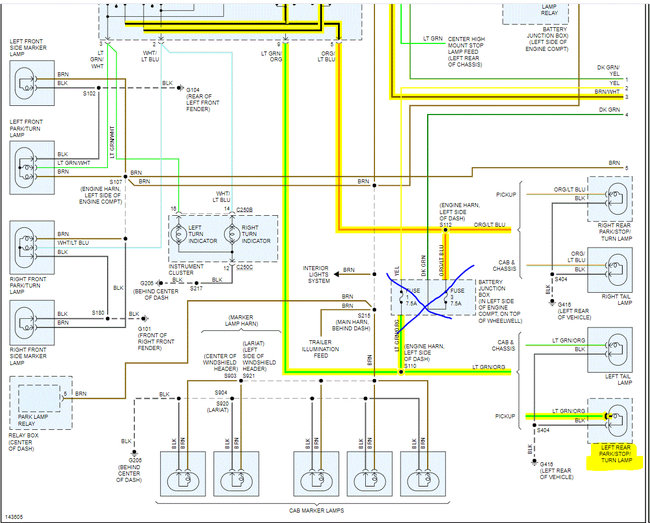
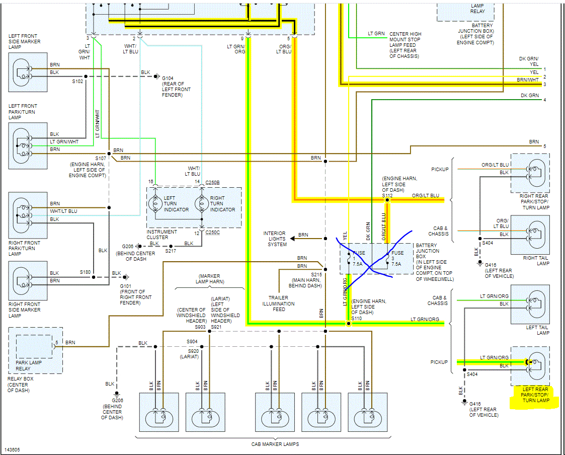
I attached the wiring schematic below. Note that in pic 2, I placed an X through a section of wiring. That wiring goes to the trailer wiring schematic.

Now, if you notice in pic 1, there are two fuses that provide power to the signals flasher. I don't feel at this time that is the issue because the right side works. However, if you look to the right, you will see the brake light switch. Note that it provides power to two locations on the multifunction switch (signal switch). In the switch, power from the brake light switch is distributed to the left and right lights in the rear via two separate wires/circuits in the switch.

I have a feeling that the connections for the left light which is built into the switch, has failed. You can check for power out to the light green wire at the switch when the signal and brakes are turned on. That will confirm if the switch is bad.

If you want to check for power, here is a link that you may find helpful:

https://www.2carpros.com/articles/how-to-check-wiring

Let me know if there is anything you can think of that you want to ask. Also, let me know if this helps. I'll help you through it.

Take care,

Joe

See pics below.
Jul 14, 2021 at 10:14 PM
Avatar
APESGARAGEF250
  • MEMBER
  • 24 POSTS
Now I have no cluster lights on the inside, no reverse lights. I've replaced combination switch, brake light switch, headlight switch, and new bulbs. I've checked the flasher relay and the fuses I believe that go to that. What am I missing?
Jul 17, 2021 at 8:47 PM
Advertisement
Avatar
JACOBANDNICKOLAS
  • CERTIFIED EXPERT
  • 110,175 POSTS
Did this all start when you replaced the multi-function switch or headlamp switch? By all, I am referring to the new symptoms.

We have to be losing power at some point.

When you checked the fuses, did you also confirm there is power to them?

https://www.2carpros.com/articles/how-to-check-a-car-fuse

Joe
Jul 17, 2021 at 9:41 PM
Avatar
APESGARAGEF250
  • MEMBER
  • 24 POSTS
The cluster lights and the reverse lights are new after the new switches. No, I didn't even think to check that as far as the power to the fuses. That's in that link that you attached above?
Jul 17, 2021 at 10:46 PM
Avatar
APESGARAGEF250
  • MEMBER
  • 24 POSTS
And I'm not sure which fuses I need to be checking. I don't have a manual for that and everything on the internet says something different. So which fuses is it i need to check?
Jul 17, 2021 at 10:49 PM
Avatar
JACOBANDNICKOLAS
  • CERTIFIED EXPERT
  • 110,175 POSTS
Hi,

Here is the link again for testing a fuse. It explains what to do. You could have a good fuse and no power to it.

https://www.2carpros.com/articles/how-to-check-a-car-fuse

As far as the fuses, I attached the info below for you. First is the underhood fuse/battery box and the second section is the central junction box in the vehicle.

I attached three pics for both. One pic shows the location, one shows the layout and numbers of each fuse, and then the legend (what each fuse is for). I highlighted the fuses to check and highlighted what they are for on the legend.

Let me know if that helps and what you find. Also, please feel free to ask questions if you have them. If I can help, I will.

Take care,

Joe

See pics below.
Jul 18, 2021 at 8:12 PM
Avatar
APESGARAGEF250
  • MEMBER
  • 24 POSTS
I did have a couple of bad fuses but not to any of my lights ones (I did not check the number 15 yet will do that here in a minute) I now have everything except for the cluster lights, come to find out it was the new LEDs that I put in (which i put in everywhere) but for some reason when i put the original blinker light back in the front everything started working fine. Even though everything has the LEDs. But still no cluster lights. Can't thank you enough for all of your help so far!
Jul 18, 2021 at 11:25 PM
Avatar
JACOBANDNICKOLAS
  • CERTIFIED EXPERT
  • 110,175 POSTS
Hi,

The voltage draw on an LED is much lower than a traditional incandescent bulb. I didn't know about the LED's. I suspect you will need to replace the flasher with one designed for the LED lights.

Have you already done that?

Joe
Jul 19, 2021 at 7:41 PM
Avatar
APESGARAGEF250
  • MEMBER
  • 24 POSTS
No, I didn't know about that. Sorry I thought I said about the LEDs in my original question but I see I just said that I changed them not that i switched. But why would that make my clusters not work now. Now that I switched that 1 bulb back to the regular kind (all the rest are still the LEDs) everything works except for my cluster lights.
Jul 20, 2021 at 1:23 PM
Avatar
JACOBANDNICKOLAS
  • CERTIFIED EXPERT
  • 110,175 POSTS
Hi,

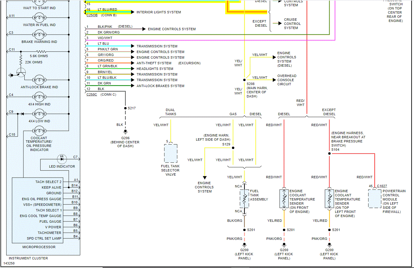
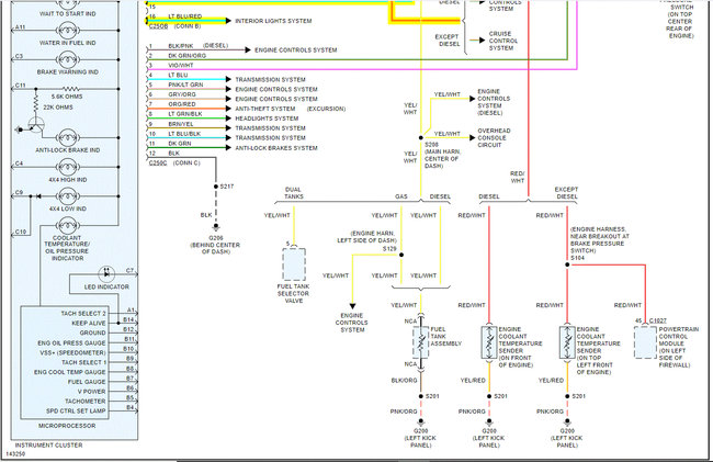
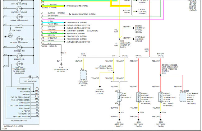
Absolutely no problem whatsoever. Have you checked fuse 15 yet? That powers the instrument panel lights.

I attached the wiring schematic below for the IC. Take a look through them and let me know if that fuse is good. Also, make sure to confirm power to the fuse.

Take care,

Joe
Jul 20, 2021 at 9:00 PM