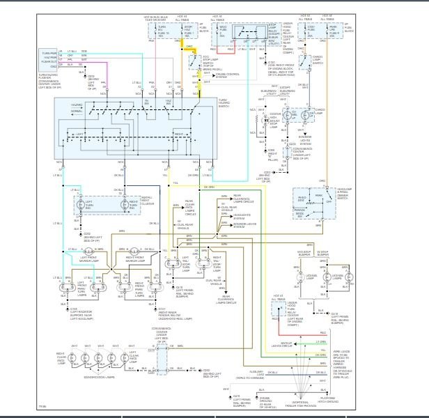
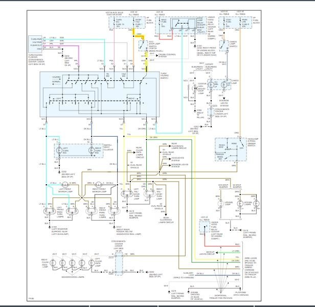
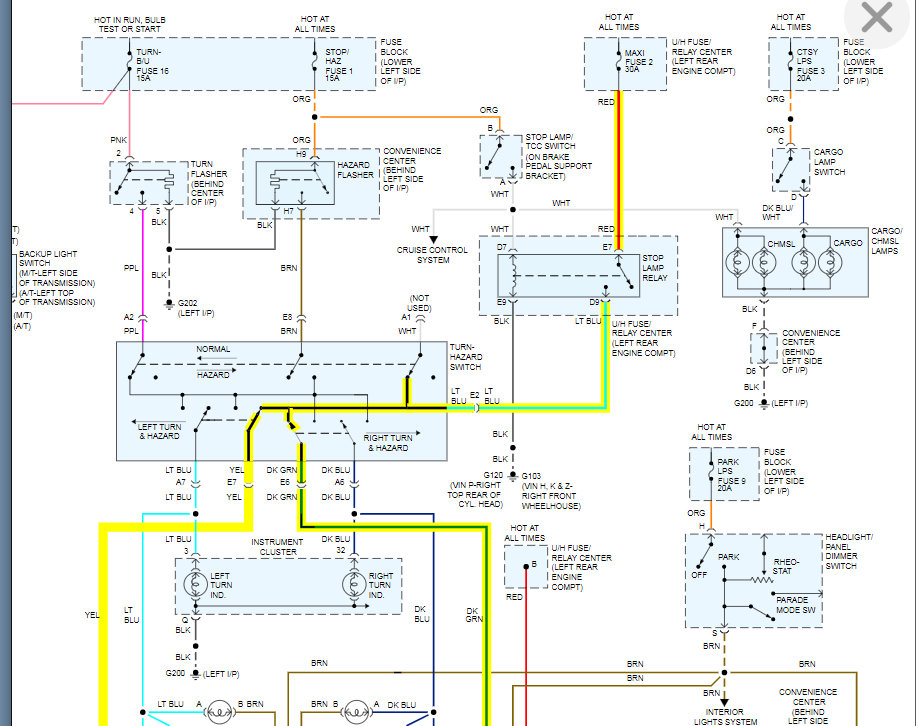
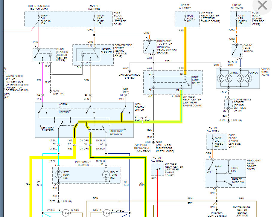
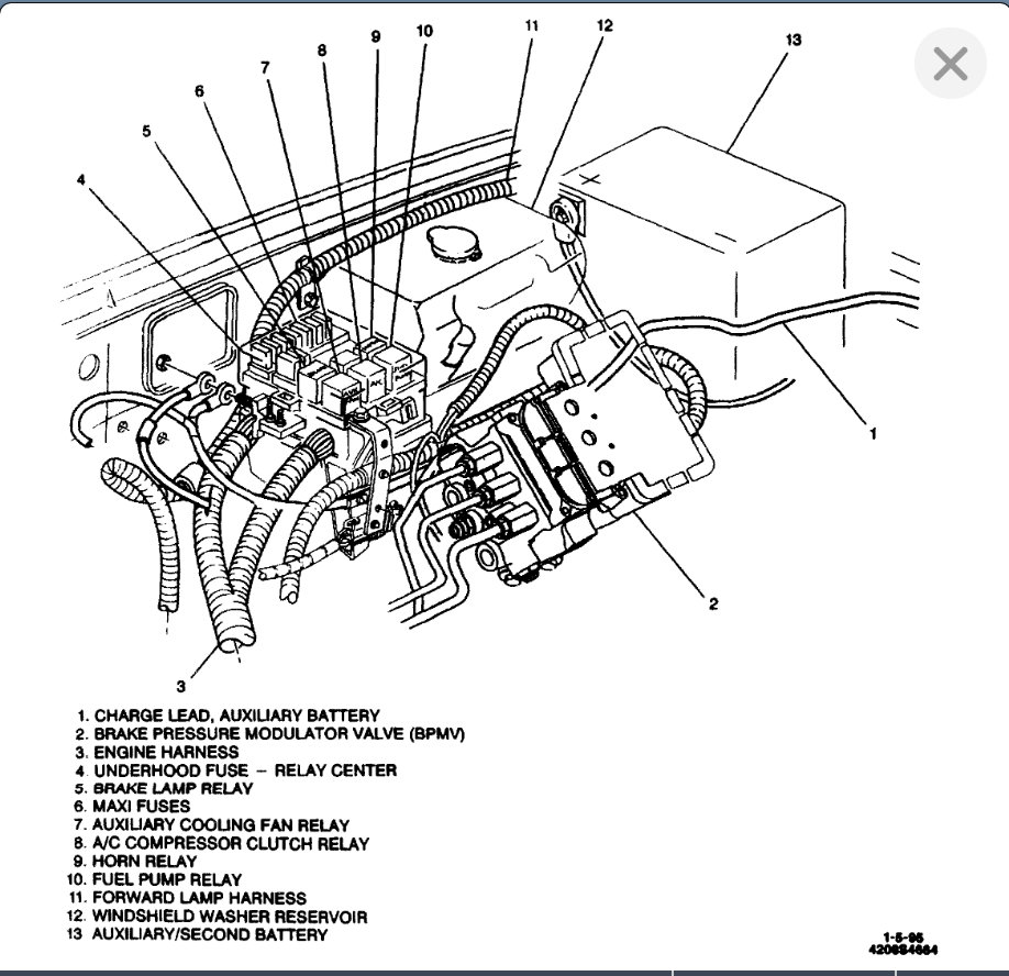
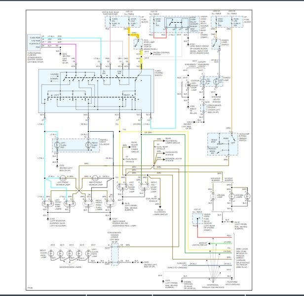
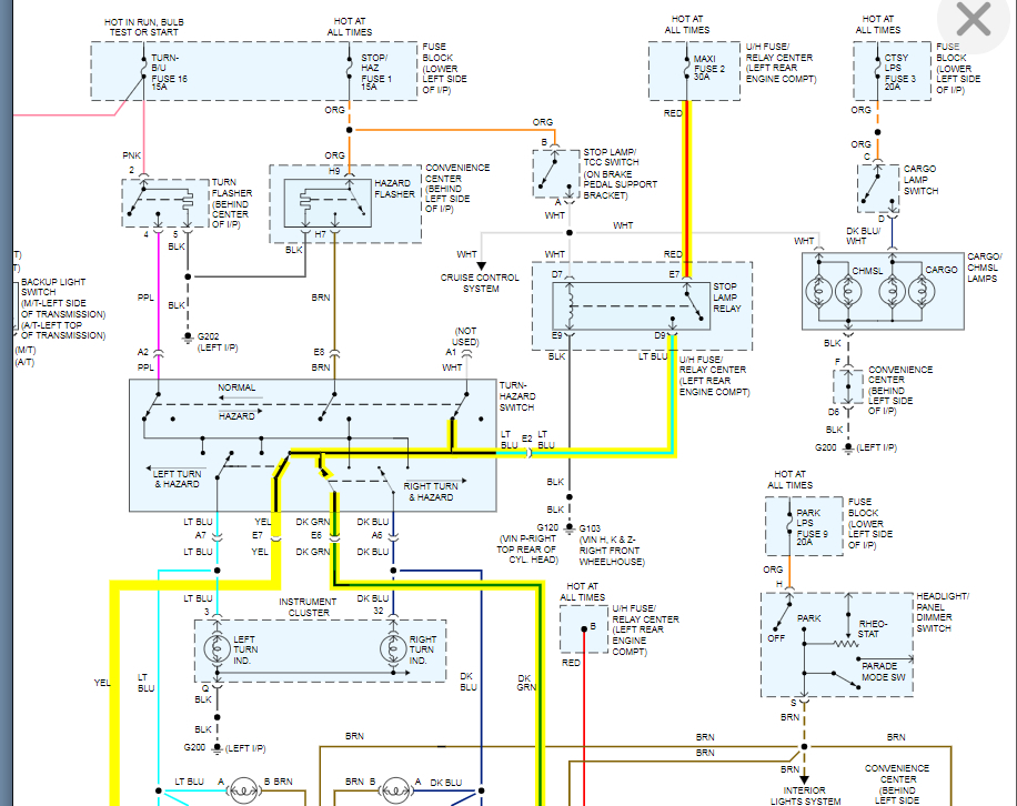
Typically I can figure things out on my own but this has me completely stumped. So I replaced my turn signal switch on the column. While I was under the dash I noticed the wires that run to the brake switch had broken off right at the connector. So I pulled that about six inch wire harness out. Found a wire schematic online and wired it back using that schematic. These wires are labeled abcdef on both ends on each connector. Should those be hooked in with a-a b-b c-c and so on or does that not matter? Also when brakes are applied following the schematic and the a-a b-b both ways when brakes are applied turn on the back up lights. There is also a white wire that runs from the third brake light to the rear (no one seems to know why this wire is there so let me explain and make it very simple. It is there for a topper light splice and has only been added if the vehicle was ordered with a topper from day 1 the vehicle was originally purchased. Or added in later on for a topper) so with that being said the wires that run from the front dark green and yellow being stop/turn/hazard lights, brown is tail lamps/license plate lights, white is ground (do not mistake this white wire for the added topper white wire you will fry the fuse or wiring, best to label that wire and tape it off). My problem is this. I have power going to the rear for brake lights but it is going through the light green wire (back up light wire) all my other lights operate as they should. Turn signals work, hazards work, license lights work, back up lights work, cargo lights work, head lights work hi and low beam. Everything works besides the brake lights. I had the brake switch tested. Tested fine. Checked the six inch wiring for continuity as I read the white wire on this harness gets broke up by the column closer to the turn signal switch. Had replaced the fuses(all of them not just specifics. All the fuses are new and test fine. Changed the under hood brake relay (old relay tested fine) I'm wondering if the new turn signal switch is wired wrong on the connections going to the junction block. Because the back up lights come on when I hit the brakes and there's a relay mounted on the column with a slide that is operated by the shifter lever and when it's in reverse the relay clicks and locks it in place. When the brakes are applied this relay clicks and reverse lights come on instead of brake lights. So I've got power just in the wrong place. Any schematics on the turn signal switch with cruise control or on the brake switch harness. I feel this may be the problem. I did swap out my old turn signal switch again as with that switch I did have brake lights. However nothing happened with that switch. Guess after being thrown in the trash not so nicely it destroyed it the rest of the way (in other words it most definitely broke something when I threw it in the garbage) so that was no help. I may compare the two switches and trace the wires on my old one and see if the new one matches. If not found the problem. But I'm highly doubtful that that's going to be the problem. But I will check just to eliminate that part from being the issue.
And please don't say it's the brake light switch or it's the brake relay or check fuses or check bulbs or check circuit boards. Those have all been tested and replaced just for the heck of it because hey it does have over a half a million miles on it. Any insight on this would be helpful. I should also mention my cruise control has not worked since the wires were pulled out of the brake switch connection. (Brakes applied equals cruise shut off) so I'm going to assume my problem is how that six inch wire is hooked up. There was two wires that did not pull out that was orange hot wire all the time on connection b-b and a white wire on connection a-a. (Reason I feel the wiring should be a-a b-b c-c d-d e-e f-f.) On my trailer lights I have a red and a blue wire. Read on a different post that that tells us if it's a uy1 or uy7 harness. Believe it's the uy7.
And please don't say it's the brake light switch or it's the brake relay or check fuses or check bulbs or check circuit boards. Those have all been tested and replaced just for the heck of it because hey it does have over a half a million miles on it. Any insight on this would be helpful. I should also mention my cruise control has not worked since the wires were pulled out of the brake switch connection. (Brakes applied equals cruise shut off) so I'm going to assume my problem is how that six inch wire is hooked up. There was two wires that did not pull out that was orange hot wire all the time on connection b-b and a white wire on connection a-a. (Reason I feel the wiring should be a-a b-b c-c d-d e-e f-f.) On my trailer lights I have a red and a blue wire. Read on a different post that that tells us if it's a uy1 or uy7 harness. Believe it's the uy7.
Mar 13, 2019 at 8:26 AM







