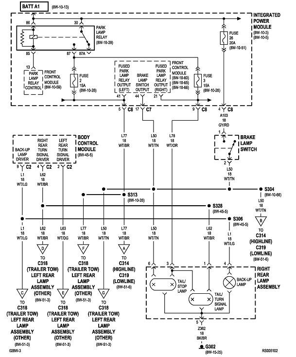
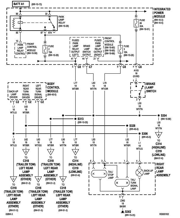
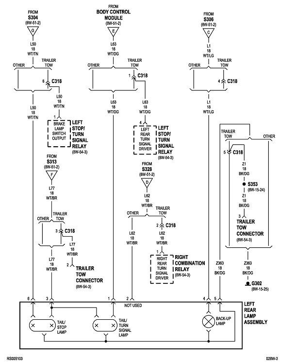
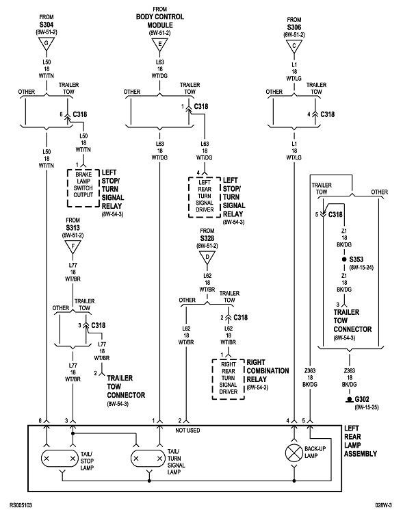
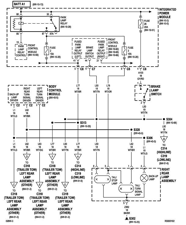
Okay, thank you in advance. I have no brake lights at all, all three are out. Checked all fuses and replaced brake lamp switch. I figure the brake lights probably run through the four way switch and/or the multi-switch maybe electronic flasher? not sure. all other lights work perfectly.
Apr 24, 2018 at 11:45 AM



