Brake lights not working?

2016 TOYOTA HIGHLANDER
48,000 MILES • 3.5L • 6 CYL • 4WD • AUTOMATIC
Avatar
MRAPP123
  • MEMBER
  • 4 POSTS
I checked all the fuses in 3 locations on the car. Tested the brake switch. Checked all the light bulbs. All wiring and bulb connections look good. Still no brake lights. This one on my car has gone beyond frustrating!! Thanks for time and consideration….
Apr 7, 2023 at 9:48 PM
Advertisement
Avatar
STRAILER
  • CERTIFIED EXPERT
  • 53,855 POSTS
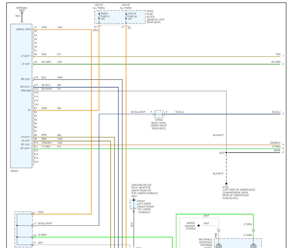
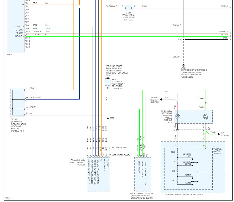
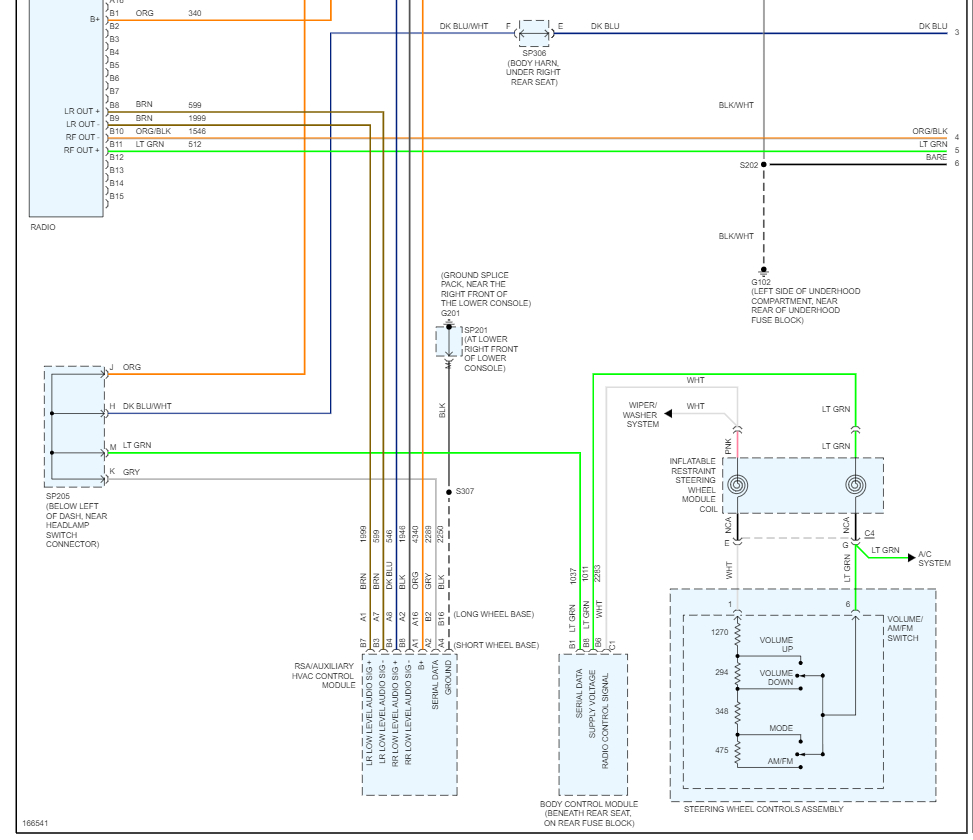
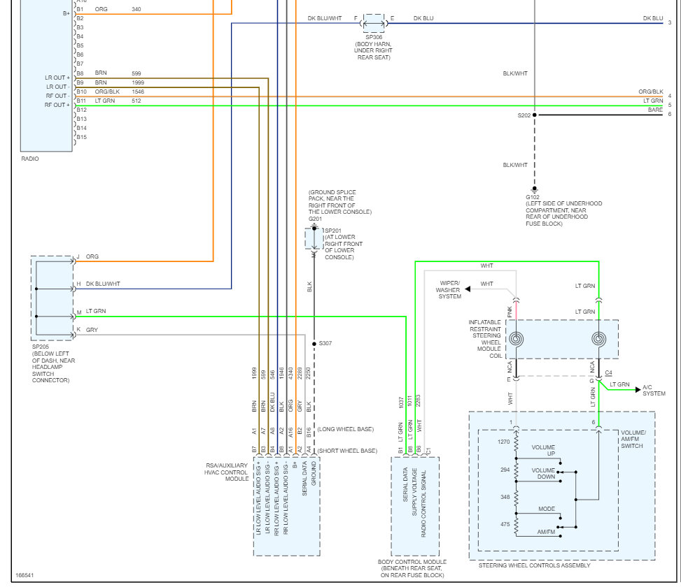
So, there is a stop light open relay that sounds like it is not working, here is the location of the relay so you can swap it out and I have included the brake light wiring diagrams so you can see how the system works. Check out the images (below). Please let us know what happens.
Apr 8, 2023 at 12:29 PM
Avatar
MRAPP123
  • MEMBER
  • 4 POSTS
Thanks for the quick reply. I changed the stop relay in the main fuse box under the hood by the battery… there is another relay box on the passenger side under the hood. is there a stop relay in that box? your help is very appreciated…
Apr 10, 2023 at 8:21 AM
Advertisement
Avatar
STRAILER
  • CERTIFIED EXPERT
  • 53,855 POSTS
Did the relay box you changed out look like the one in the image?
Apr 10, 2023 at 2:32 PM
Avatar
MRAPP123
  • MEMBER
  • 4 POSTS
The relay that I changed out was a 5 pin. The other were 4 pin ..
Normally we would swap the horn relay for it but the stop relay was 5 pins…
I'm going to check it out later today after work. I will let you know.
Apr 11, 2023 at 7:56 AM
Avatar
STRAILER
  • CERTIFIED EXPERT
  • 53,855 POSTS
Please let us know what happens.
Apr 13, 2023 at 9:38 AM
Avatar
MRAPP123
  • MEMBER
  • 4 POSTS
Got it thanks. Someone cut a wire under the dash back away from the brake switch, not cool. found it running down the wires. all fixed. thanks for all your help it’s most appreciated….
Apr 23, 2023 at 7:22 PM
Avatar
STRAILER
  • CERTIFIED EXPERT
  • 53,855 POSTS
Glad you could get it fixed, thanks for letting us know. Please use 2CarPros anytime we are here to help.
Apr 24, 2023 at 11:50 AM