Braked lights are not working

1984 GMC TRUCK
40,000 MILES • 7.4L • V8
Avatar
KIMBERLY BERGER
  • MEMBER
  • 7 POSTS
My neighbors RV has no brake lights, brakes work well, brake switch is in good working order, switch is getting the correct voltage (12v), all bulbs are good, fuses and box are in good working order. the only thing I can think is that the brake lights are connected to the broken/missing turn signals. what should I do next?

Is it possible to run a new wire from the switch to the brake lights?
Feb 25, 2021 at 11:55 AM
Advertisement
Avatar
STEVE W.
  • CERTIFIED EXPERT
  • 15,113 POSTS
On most vehicles that use an integrated brake/turn signal lamp the brake lights are routed through the turn signal and hazard switches to provide those functions. So you turn right and the turn signal switch opens the line from the brake switch and connects the right side bulb to the flasher circuit and you get a turn signal while the left side stays on solid as a brake light. So you are correct in your thought that the broken turn signals are very likely the reason for no brake lights.
Is this a class C style RV built using a van chassis or is it a class A on the larger RV chassis? Asking because they are different systems for those chassis. Either way though the better option would be to repair the turn signals first. What is the issue with those? Switch broken or?
Feb 25, 2021 at 1:24 PM
Avatar
KIMBERLY BERGER
  • MEMBER
  • 7 POSTS
The RV was broken before my neighbor bought it for $250.00, runs great, 40,000 on 454 big block, they broke the arm off and during the poorly attempted repair it was disassembled and most of the parts were lost, can't I just run a new wire from the switch to the brake lights? Or do I have to use a relay? I can rewire the turn signals separately later right? Without the brake light wire coming through will the hazards and signals work if all parts were there and assembled correctly?
It also has some sort of slim black box on the dash left of the steering wheel which has a k/n logo on it and has both electric connections as well as hydraulic brake lines going to it as well, any idea what it might be? Could it be related to the lack of brake lights?'
Also, I don't have the repair manual, any idea where I can find it online?
Feb 25, 2021 at 7:20 PM
Advertisement
Avatar
STEVE W.
  • CERTIFIED EXPERT
  • 15,113 POSTS
The easiest repair would be to install a new turn signal switch, that should give it all the lights in one shot. If there are parts missing most of the companies used a factory steering column for them so a used column from that era van should be an easy bolt in part and the wiring should just plug in. The problem with running a new wire is that you would need to remove it to make the turn signals work. Being a 1984 the online information is somewhat limited and it sounds like this is a GM P-30/32 chassis.
If so then try this as a manual for it:

https://www.gmcmi.com/wp-content/uploads/2014/05/P30-Chassis-Manual.pdf

However, the wiring would be very different as most builders only used the bare minimum of parts from GM. That is why I would replace the switch and start from there, it should allow you to get all of them working the easiest.
Feb 25, 2021 at 8:19 PM
Avatar
KIMBERLY BERGER
  • MEMBER
  • 7 POSTS
The previous owner had broken the turn signal clean off damaging the switch. can you help me identify the correct parts? I need the switch and lever, I don't mind pulling the parts myself. is used parts worth it?
Mar 7, 2021 at 10:14 AM
Avatar
STEVE W.
  • CERTIFIED EXPERT
  • 15,113 POSTS
For that year used would be OK, but you might be better off finding a complete used column and getting that. That way you would have any odd parts that could be missing.
As for finding the parts, it will depend on which column was used. Some used a van column, other chassis used a specific motorhome column. Does this RV look like a van nose with a box on the rear, or is it a full box design with no van nose. Maybe take a picture of it and the column and post it on here. The switches are available online from rock auto for between 40 and 70 dollars depending on which one you need. Easiest way to tell which style column you have is how the turn stalk attaches, if it's a solid lever type that only does turn signals and not wipers or cruise it is the older style used in the RVs, if it has the type that plugs into the switch and has wipers or cruise in a large round housing, that is the van/truck style.
Mar 7, 2021 at 6:50 PM
Avatar
KIMBERLY BERGER
  • MEMBER
  • 7 POSTS
I don't have the lever, here's a good picture:
Mar 7, 2021 at 8:51 PM
Avatar
STEVE W.
  • CERTIFIED EXPERT
  • 15,113 POSTS
That looks like the same one they used on the small trucks and the step vans. If you flip it over and write down the colors of the wires from the white, green, yellow side it will help pinpoint the switch better. GM used about 5 different switches but being that one is in a tilt column I think it's the GM #997200135 switch.
You may need to remove it and take it to a parts store to verify you get the correct one as they used so many.
Mar 8, 2021 at 12:10 AM
Avatar
KIMBERLY BERGER
  • MEMBER
  • 7 POSTS
You're right on replacing the column and not just the switch and lever, to many missing parts and the housing is buggered up to. I will post the pic with color code. can you help me identify the correct, preferably bolt on, column? I'm not sure if I mentioned it, but I'd like to keep it as budget friendly as possible.
Mar 9, 2021 at 11:28 AM
Avatar
STEVE W.
  • CERTIFIED EXPERT
  • 15,113 POSTS
There are a few columns but it depends on which chassis it really is. There was the "regular" van that was sold as a cut away, then the ones that were built for use under bread/tool/commercial bodies and the P30 that was sold for those plus RVs. The good thing is that there should be a bunch of them around, and in reality it isn't that difficult to alter most GM column designs anyway. That looks to be a tilt column so it does eliminate a few of the work truck styles. Then it also doesn't appear to have the ignition switch in the column and it uses the older style switch as well. If you can find the VIN and the chassis numbers on it those may help as well. To search around you can use a site like Car-Part.com and see if any of the yards on it have something that would work.
Mar 9, 2021 at 2:47 PM
Avatar
KIMBERLY BERGER
  • MEMBER
  • 7 POSTS
The order is white, green, yellow, purple, brown, blue, light blue and black, so just turn signals and hazards? Definitely going to get the column as to not be short on any pieces. Thanks again for all of your help, I really appreciate it.
Mar 9, 2021 at 3:10 PM
Avatar
STEVE W.
  • CERTIFIED EXPERT
  • 15,113 POSTS
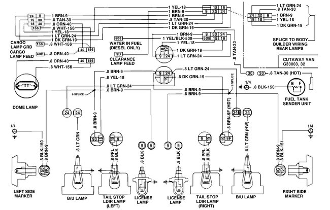
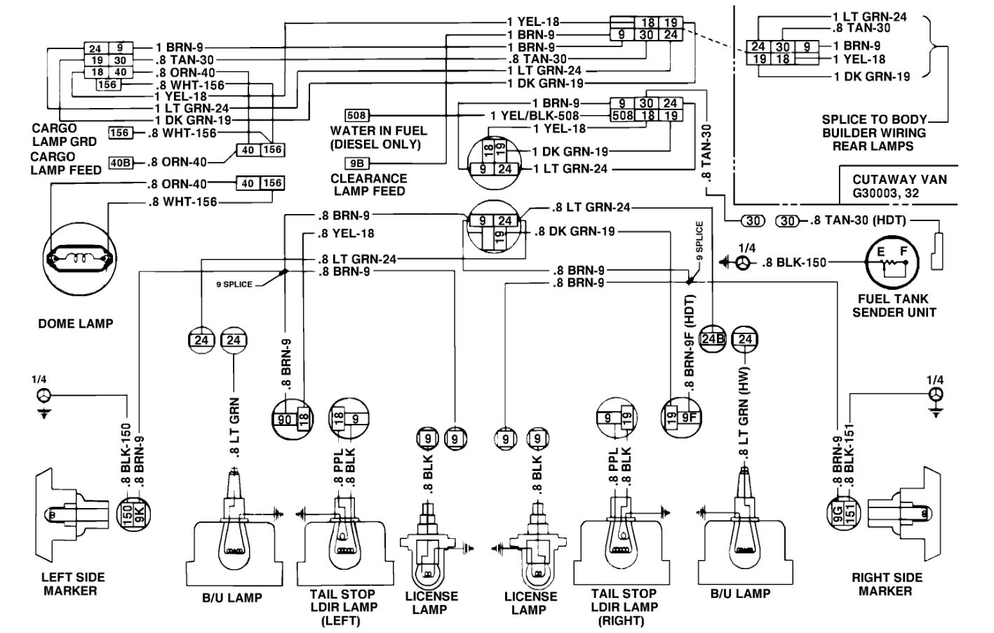
Those would be turn signals, hazards and the brake lights which run through the switch. That's one of the quirks of that vintage, the rear lights are normally both turn and brake lights to to make them work the switch does a few things. When you select hazard lights it connects all 4 corners and pulses the power to them. But say you are turning right and coming up to a stop sign. If the turn signals were connected to both ends in the same way you would turn on the right side and get hazard lights, or step on the brakes and have the front turn signals come on as well as the brake lights.
Now if this RV is set up with individual rear lights it might be a bit simpler but in that year most were not. Think you could get a shot of the rear of it and one from the side, that might help narrow down which chassis it actually has. I don't know of anyone but the class A rigs that used individual lights but RV builders are in a class of their own when it comes to confusion. Some just add a builders connection block that they connect to the up-fitters connections, Others like to re-wire half the chassis to suit them and use odd color codes for all of it, even though they start with a commercial chassis like a GMC van or mid sized truck. The attached were the common versions, the first two used the same chassis as do the last 2 That is why they are not real easy to ID as they mixed a lot of parts around.

The colors you posted sound like they match the #1997966 switch which was used in the value van and base level units, but it's in a tilt column like the higher option vehicles.
Mar 9, 2021 at 5:40 PM
Avatar
KIMBERLY BERGER
  • MEMBER
  • 7 POSTS
Definitely the RV on the left, no passenger door and not a van style front end.
yep, tilt, shifter on column.

Vin#1gbjp37w1e3352872.

1984 Chevrolet P30 8 Cylinders W 7.4L 4BL OHV 454 CID.
Mar 9, 2021 at 5:57 PM
Avatar
STEVE W.
  • CERTIFIED EXPERT
  • 15,113 POSTS
Okay, that narrows the field some. That should be a standard column for them. Not the same as the vans at the bottom but from the tilt cup up they all are somewhat interchangeable. There are a few videos on YouTube showing how those older columns come apart on top. In this case the lower cost option will likely be to use the top section from a common column and transplant the parts over. The lower section will be different because of the way the RV unit mounts. Then you just use the correct switch to match the one it has. A complete bolt in column could be found but the RV parts places like to price things rather high.
Mar 10, 2021 at 4:05 PM