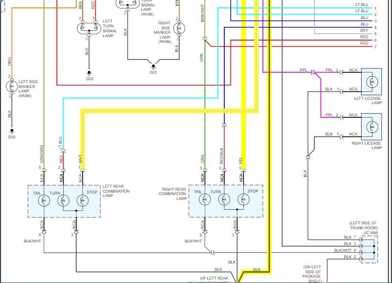
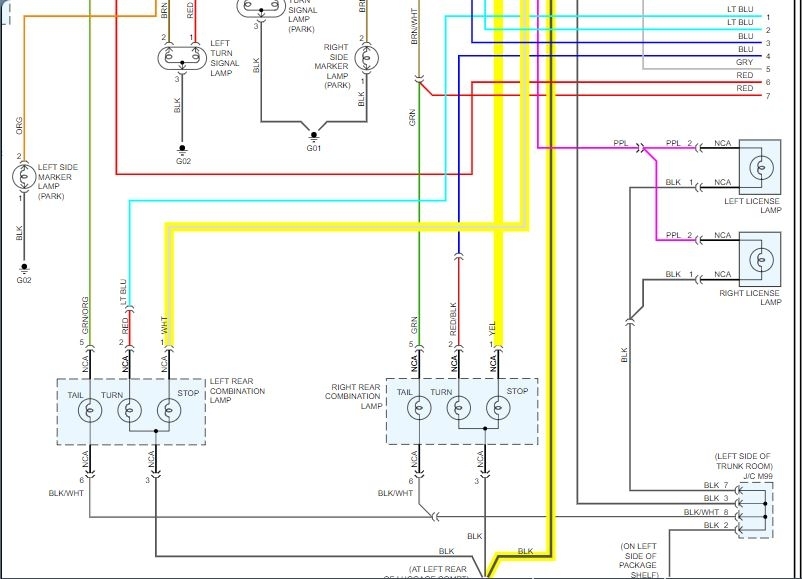
I have no brake lights I've checked all the fuses that I knew of the under – fuse box and under hood fuse box the fuses are good. but there is no power at the fuse under the dash for the brake lights. the hazard lights also do not work. all bulbs are good, brake switch is brand new. is there any relays that go to the brakes that I might check? do you have any other ideas where I should look?
Jun 15, 2020 at 10:27 AM






