Hi,
If the bulbs are good, then the first thing to check is fuse 1 in the instrument fuse panel in the vehicle. If you look at pic 1 below, I highlighted the fuse to check. In addition to checking the fuse, make sure there is power to and from it. Here is a link you may find helpful when testing:
https://www.2carpros.com/articles/how-to-check-a-car-fuse
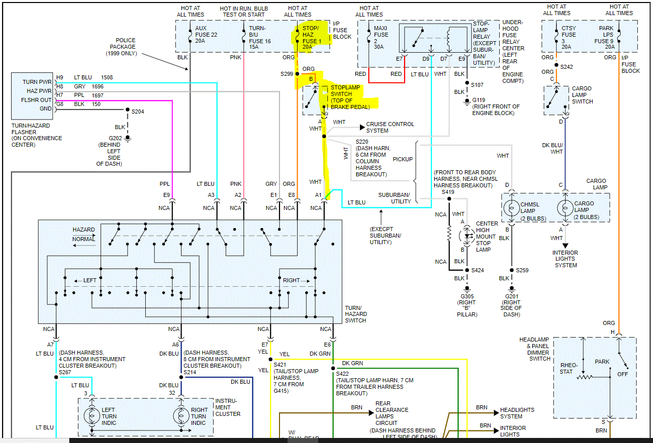
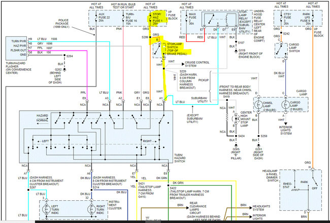
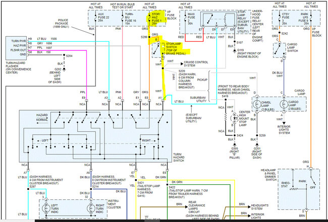
If the fuse is good and has power, then we need to move to the brake light switch. It is located at the top of the brake pedal. If you look at pics 2 and 3 below, I attached the wiring schematic related to the exterior lighting. I highlighted the fuse and the switch in the schematic.
At the switch, you will find an orange wire and a white wire. First, check the orange wire for power. If it has power, I need you to actuate the brake pedal/switch and check for power out to the white wire.
Here is a link you may find helpful when testing wiring:
https://www.2carpros.com/articles/how-to-check-wiring
Let me know what you find or if you have other questions.
Take care,
Joe
See pics below. Note: The original schematic was one page long. I had to cut it in half to make it readable for you. I did overlap them so you can follow from one to the next.
Images (Click to enlarge)
Sep 24, 2021 at 8:40 PM