No Blower Motor check 50 amp heater fuse?

2002 TOYOTA AVALON
347,000 MILES • V6 • 2WD • AUTOMATIC
Avatar
CA7922303
  • MEMBER
  • 165 POSTS
No Blower Motor. How to check 50 amp htr fuse and htr relay in engine compartment? Have dmm but unable to remove fuse or relay to test.
Nov 28, 2024 at 9:58 AM
Advertisement
Avatar
STRAILER
  • CERTIFIED EXPERT
  • 53,855 POSTS
It is probably the blower motor itself that needs replacement, but to be sure this guide can help you test for power and ground:

https://www.2carpros.com/articles/how-to-test-an-automotive-hvac-system-blower-fan-motor-a-detailed

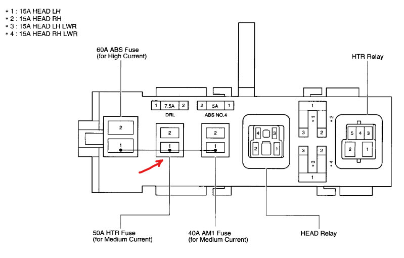
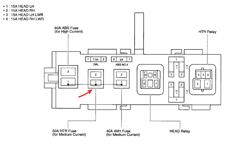
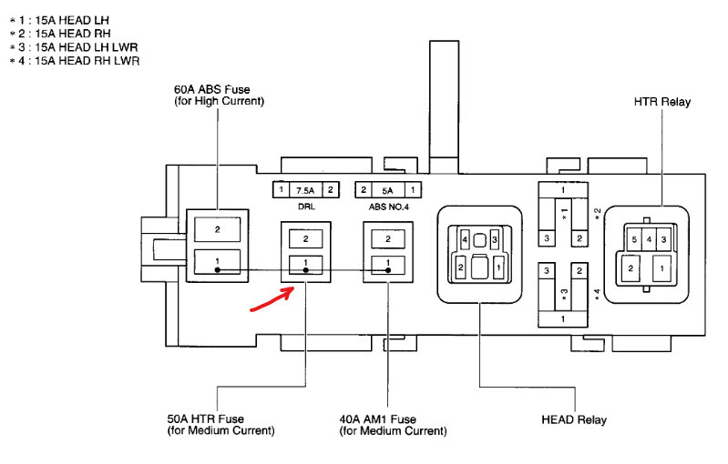
Here is how to test the 50-amp fuse as requested:

https://www.2carpros.com/articles/how-to-check-a-car-fuse

Here is the location of the blower motor and how to change it out in case the fuse is okay, and the blower has power and ground. Check out the images (below). Please upload pictures or videos in your response of any problems so we can see what to help you with.
Nov 29, 2024 at 6:18 PM
Avatar
CA7922303
  • MEMBER
  • 165 POSTS
Fuse looks good visually and relay clicks with key in On position.
Dec 1, 2024 at 11:22 AM
Advertisement
Avatar
STRAILER
  • CERTIFIED EXPERT
  • 53,855 POSTS
Okay, did you check the blower motor using the guide above?
Dec 2, 2024 at 9:35 AM
Avatar
CA7922303
  • MEMBER
  • 165 POSTS
Have not checked blower motor. Will ASAP. Thanks for the help.
Dec 2, 2024 at 12:01 PM
Avatar
STRAILER
  • CERTIFIED EXPERT
  • 53,855 POSTS
Sounds good, most of the time it is the motor, or the electrical connectors get overheated and melt which you can see once you gain access to the motor.
Dec 3, 2024 at 9:24 AM
Avatar
CA7922303
  • MEMBER
  • 165 POSTS
I'm getting +11.77 vdc at blower motor connector with key in "on" position.
Dec 7, 2024 at 12:01 PM
Avatar
CA7922303
  • MEMBER
  • 165 POSTS
Removed blower motor and connected to battery. Blower Motor is operational.
Dec 7, 2024 at 12:27 PM
Avatar
STRAILER
  • CERTIFIED EXPERT
  • 53,855 POSTS
Okay, then the liner controller behind the center of the dash sounds like it has gone out. Here is the location so you can swap it out which should fix the problem. Check out the images (below). Please let us know what happens.
Dec 8, 2024 at 9:51 AM
Avatar
CA7922303
  • MEMBER
  • 165 POSTS
Check resistor also? If so, how to test? Can linear controller be tested?
Dec 9, 2024 at 7:00 AM
Avatar
STRAILER
  • CERTIFIED EXPERT
  • 53,855 POSTS
I don't know why they say resistor and then a linear controller, it must be one is for the auto system and the other is the manual system. Here is the wiring diagram so you can see. I would bypass the controller to ground and if the blower starts working you have found the problem.
Dec 9, 2024 at 8:52 AM
Avatar
CA7922303
  • MEMBER
  • 165 POSTS
Can you be specific per the wiring diagram, how to bypass the controller to ground? Thanks.
Dec 13, 2024 at 8:57 AM
Avatar
CA7922303
  • MEMBER
  • 165 POSTS
Wiring diagram shows linear controller behind center console. Removed a/c controls/radio and only see connectors, no component.
Dec 13, 2024 at 11:14 AM
Avatar
STRAILER
  • CERTIFIED EXPERT
  • 53,855 POSTS
Yes you can ground the blue wire at the blower motor, and it should run, also it looks like the controller is lower in the HVAC assembly which can make it under, can you look lower?
Dec 13, 2024 at 1:01 PM
Avatar
CA7922303
  • MEMBER
  • 165 POSTS
Disconnected the resistor connector, reconnected it, put everything back together and now have blower motor operation. Never did find linear controller, but the wiring diagram for the controller was what was plugged into back of resistor. Is it possible that controller on this one is the resistor?
Dec 14, 2024 at 9:13 AM
Avatar
STRAILER
  • CERTIFIED EXPERT
  • 53,855 POSTS
Yes, it could have one or the other, I would check the connection for overheating, also, when blower motors go bad they will start and stop like that FYI.
Dec 14, 2024 at 10:21 AM
Avatar
CA7922303
  • MEMBER
  • 165 POSTS
Thanks for your help.
Dec 14, 2024 at 10:11 PM
Avatar
STRAILER
  • CERTIFIED EXPERT
  • 53,855 POSTS
You are welcome, please use 2CarPros anytime we are here to help.
Dec 15, 2024 at 10:41 AM