no aldl communication with security mode?

2006 CHEVROLET AVEO
53,000 MILES • 1.2L • 4 CYL • 2WD • MANUAL
Avatar
STEPHEN GULIXSON
  • MEMBER
  • 8 POSTS
door locks will not respond to fob.
Oct 22, 2024 at 6:41 AM
Advertisement
Avatar
STRAILER
  • CERTIFIED EXPERT
  • 53,854 POSTS
I am not sure what you are trying ask? We only handle one problem per thread, please ask the questions separately and add more descriptions.
Oct 22, 2024 at 11:12 AM
Avatar
STEPHEN GULIXSON
  • MEMBER
  • 8 POSTS
again no communication from obd2 connection in regards to security module, doors will lock manually but immediately click open and fob does not work either. thanks, Steve
Oct 23, 2024 at 12:51 AM
Advertisement
Avatar
STRAILER
  • CERTIFIED EXPERT
  • 53,854 POSTS
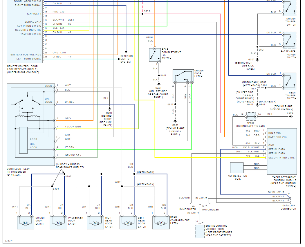
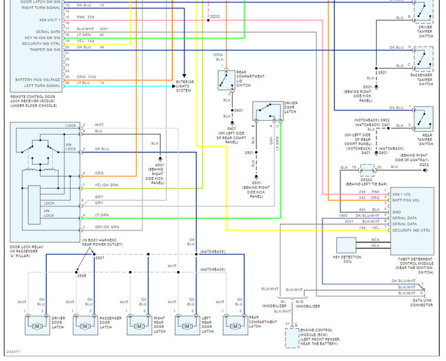
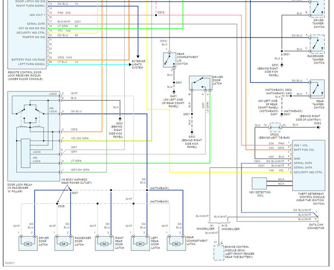
Does the car have a trouble code? So, the data connector works but the security module is not communicating? If so, it sounds like you may have a bad ground (G301) at the right kick panel. Here are the alarm wiring diagrams so you can see how the system works and a guide to help you test the ground connection.

https://www.2carpros.com/articles/how-to-use-a-test-light-circuit-tester

Check out the images (below). Please let us know what happens.
Oct 23, 2024 at 10:00 AM
Avatar
STEPHEN GULIXSON
  • MEMBER
  • 8 POSTS
wow, thank you as a 40-year auto mechanic and retired here in Costa Rica, i still have 3 scanners here and am learning Spanish. all my Autels (ms906 and d808 and evo) say same thing=no communication. but yes, engine data is good with no codes. The customer locks all doors manually but comes back in one hour and all 4 doors are open! fob red light lights up on 3 buttons (has 4) and security light on dash works too (always on except when engine running) i will trace this ground and let you know. Used to belong to Identifix, so please let me know who to pay for your precious data. Steve Gullixson
Oct 24, 2024 at 8:09 AM
Avatar
STEPHEN GULIXSON
  • MEMBER
  • 8 POSTS
that phone works here in costa rica.
Oct 24, 2024 at 8:25 AM
Avatar
STRAILER
  • CERTIFIED EXPERT
  • 53,854 POSTS
No worries, let's check the ECM/TCM fuse #16 in the fuse panel under dash and if that is good check the ground at the data connector as well, here is the wiring diagram so you can see how the system works. Check out the images (below). Let us know how it goes.
Oct 24, 2024 at 9:53 AM
Avatar
STEPHEN GULIXSON
  • MEMBER
  • 8 POSTS
Ken, found out this (orbit unit) is add on and not factory unit, all fuses good and live feed to orbit unit okay, so does that mean i cannot get data info from obd2 data link?
Oct 24, 2024 at 4:32 PM
Avatar
STEPHEN GULIXSON
  • MEMBER
  • 8 POSTS
yet if unit is add on, why does car have all door locks electically work together? will look for other modules too as per your wiring diagrams but found wiring under kick panel and rocker covers as add on wiring like you find in aftermarket jobs, not factory wiring.
Oct 24, 2024 at 4:47 PM
Avatar
STEPHEN GULIXSON
  • MEMBER
  • 8 POSTS
oops now discovered mercury (name brand) antitheft module (nine wire plus) in system .other orbit module wired into mercury unit. need to take it(car) into aftermarket shop that specializes in these systems? thanks steve
Oct 24, 2024 at 6:03 PM
Avatar
STEPHEN GULIXSON
  • MEMBER
  • 8 POSTS
Amazing you can push driver's side door lock down only when door is shut, start car with doors locked but locks unlock when engine is turned off.
Oct 24, 2024 at 6:08 PM
Avatar
STRAILER
  • CERTIFIED EXPERT
  • 53,854 POSTS
You have found the problem; I would remove all aftermarket alarms or security systems they fail constantly. Put the wiring back to stock.
Oct 25, 2024 at 10:56 AM