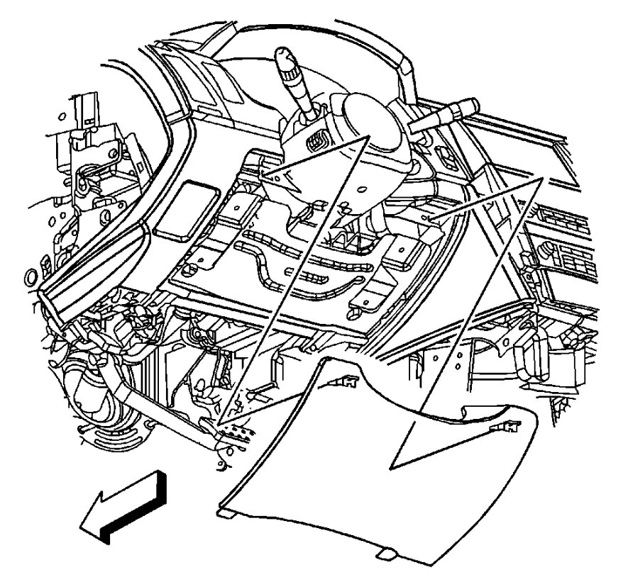
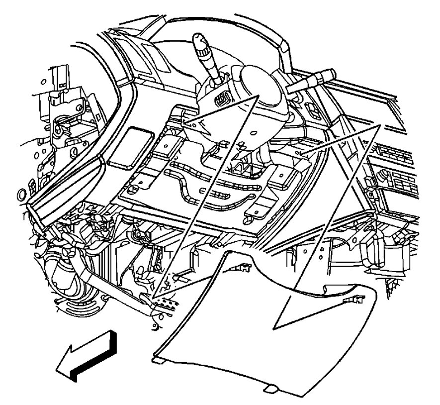
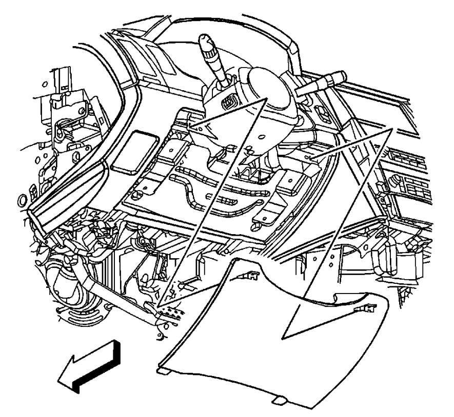
I cycled it to windshield vents and floor air is blowing fine but nothing coming out of the center vents. The outside vents close to the doors have air blowing out, but they are not strong. Heat and A/C both work but do not come out of the center vents.
Sep 12, 2024 at 10:18 PM







