Where is the blower motor relay located?

2008 NISSAN ROGUE
145,000 MILES • 2.1L • 4 CYL • 4WD • AUTOMATIC
Avatar
JOE FOLEY
  • MEMBER
  • 1 POST
No air heat for ac, Blower motor and resistor are good. I bought the relay but I don’t know where to find the blower motor relay it’s not listed anywhere.
Feb 27, 2021 at 7:25 AM
Advertisement
Avatar
JACOBANDNICKOLAS
  • CERTIFIED EXPERT
  • 110,175 POSTS
Hi,

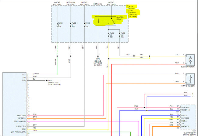
As far as the blower motor relay, it is located in the fuse block under the dash, on the left of the vehicle.

If you look at the attached two pics, they show the entire wiring schematic for the HVAC system. I had to cut one pic in two to make it readable. I did overlap the two pictures so you can follow them easily.

Also, here is a link that shows how to test a relay. I hope it helps.

https://www.2carpros.com/articles/how-to-check-an-electrical-relay-and-wiring-control-circuit

I hope this helps. Let me know if you have other questions.Check out the diagrams (Below). Please let us know what happens.

Feb 27, 2021 at 8:32 PM