That is correct. Basically they are using this switch to control the fan speed as well to keep the engine cool and air flow over the condenser.
This is progress. This is showing that the module is not grounding this circuit.
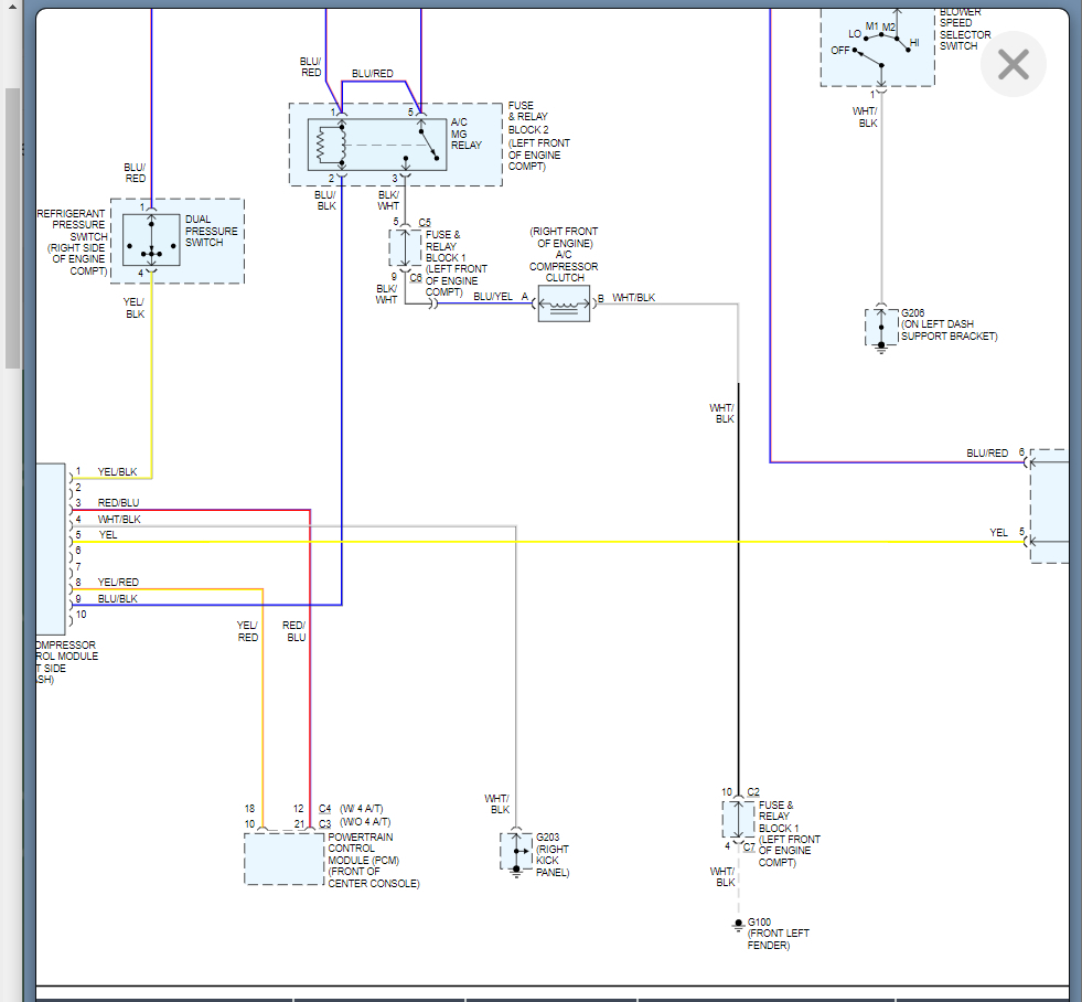
Here is what you should have: At the control module, it needs to see 12 volts on pin 1. This shows that the pressure is correct and it is ok to turn the compressor on.
Then the control module will ground the relay on pin 9 and you will see 0-1.5 volts at the control module on this wire. You have battery voltage which shows it is not grounding the circuit.
You have 0 volts on pin 1 so it is cutting the compressor off which is why the two wires going to the PCM are not reading the correct voltage either because this is the AC module telling the PCM that the compressor is off.
If jumping that switch does not cause the compressor to come on then we are back to the control module.
What I would do from here is just make sure you don't have a wiring issue from the switch to the module by jumping the switch again and then check voltage at the module on this wire, Pin 1. You should have the same voltage that you do at the switch. If you do then the module is the issue.
Another way to confirm this is to just leave everything connected and jump 12 volts from the battery directly to Pin 1 of the module. If the compressor comes on then it is not getting 12 volts and you have a wiring issue.
Take a look at this below. Please let me know if you have other questions and what you find. Thanks
Images (Click to enlarge)
Jul 11, 2021 at 9:27 AM