Hi,
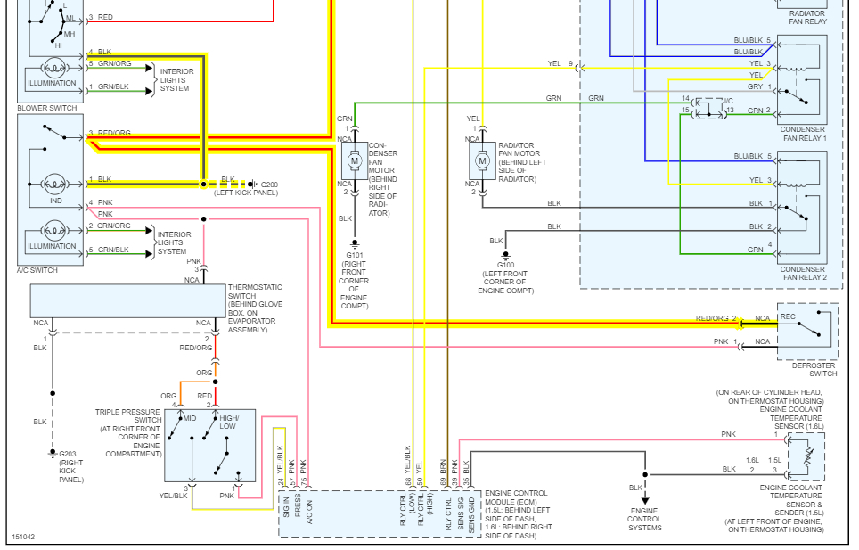
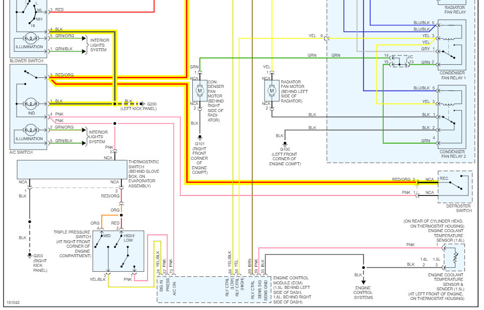
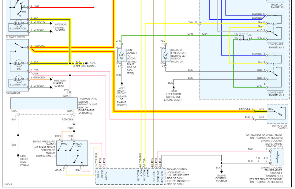
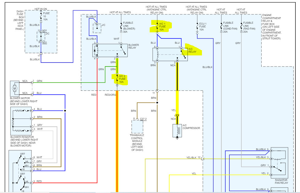
This could be the result of a few different things. I attached the wiring schematic for the circuit below so that you have a reference.
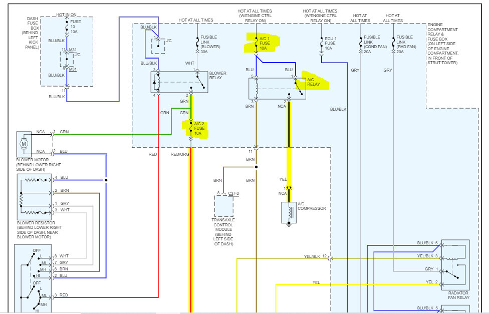
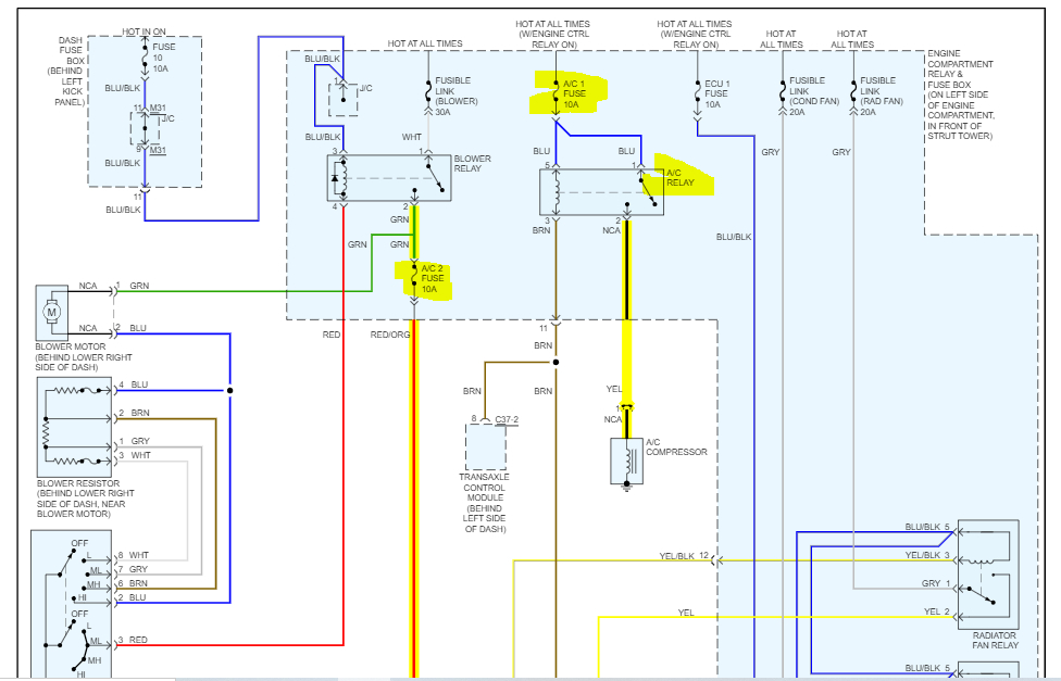
First, make sure there is power to and from the relevant fuses. I highlighted them in pic 1. If they are good, switch the relays with different ones in the box having the same part numbers. If there aren't any that are the same, here are links that explain how to test a relay and fuses:
https://www.2carpros.com/articles/how-to-check-an-electrical-relay-and-wiring-control-circuit
https://www.2carpros.com/articles/how-to-check-a-car-fuse
If all checks good, take a look at this link to see if anything helps:
https://www.2carpros.com/articles/car-air-conditioner-not-working-or-is-weak
In most cases, if there is power to the system and it doesn't work, it is caused by low refrigerant in the system.
Here is a link that explains how to add freon to the system:
https://www.2carpros.com/articles/air-conditioner-how-to-add-freon
Let me know what you find or if you have questions.
Take care,
joe
See pics below. Note: Pic 3 is the under-hood fuse box. I highlighted the relays and fuses to check.
Images (Click to enlarge)
May 20, 2023 at 11:38 PM