No four-wheel drive low?

2012 JEEP GRAND CHEROKEE
66,500 MILES • 3.6L • 6 CYL • 4WD • AUTOMATIC
Avatar
DEENICE
  • MEMBER
  • 1 POST
Service four-wheel drive and traction control light comes on only on the highway or when I exceed 55 miles per hour. Trying to figure out what was wrong I tried in my driveway to use the select terrain control to press four-wheel low button, no lights come on button or dash. I tried to put the transfer case in neutral and it does not work either. I took it to AutoZone to see if a code could be read when the light was on there are no codes. Is it the switch the selects terrain switch or the module under my seat to fix this? Or entirely something else? I don't want to go to the dealer because it's going to cost a lot of money, they will probably try to sell me a whole new transfer case.
Oct 3, 2023 at 9:53 AM
Advertisement
Avatar
STRAILER
  • CERTIFIED EXPERT
  • 53,854 POSTS
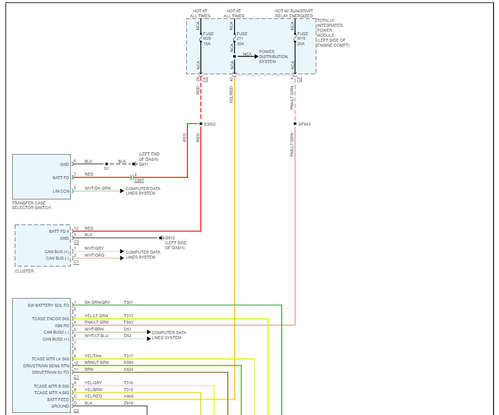
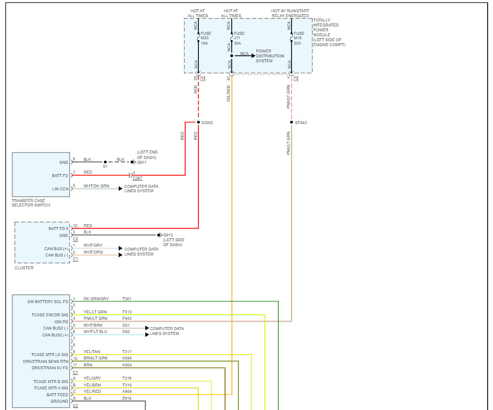
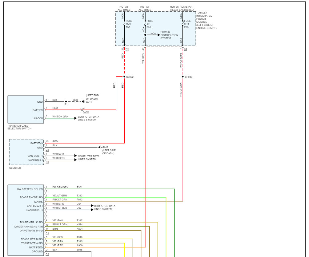
Yep, the dealers can be rough. I would start by checking the system fuses, M20, J11 and M15. in the main fuse panel under the hood. If they are okay, I have seen the TIPM go out on these vehicles causing the problem you are having.

Here is a guide to help us get started:

https://www.2carpros.com/articles/how-to-check-a-car-fuse

Here is the 4wd system wiring diagrams so you can see how the system works. Also, I have included how to change out the TIPM which should fix it if the fuses are okay. We should also do a CAN scan which AutoZone may not do. You can get a CAN scanner (Controller Area Network) which will work on most cars from Amazon.

Here is a video to show you how:


https://youtu.be/u-4syLc-ifQ


Don't worry about programming the TIPM because it-self learns. Check out the images (below). Please let us know what happens.
Oct 3, 2023 at 11:50 AM