☰
Login
Join
×
Home
Answered Questions
Repair Topics
Repair & Service Guides
Popular Questions
Warning Lights
Trouble Codes
How It Works
Testing / Diagnostics
Symptoms
Videos
Login
Become a Member
Home
Nissan
Sentra
Engine Cooling
Cooling Fan
Wiring
Fan wiring diagrams
1997 NISSAN SENTRA
LRECTOR
MEMBER
1 POST
FOLLOW
I am having trouble with the wiring for the radiator fan. Does anyone have a wiring diagram that I could look at for help?
Thanks
Apr 11, 2009 at 9:31 PM
Advertisement
ZACKMAN
CERTIFIED EXPERT
4,202 POSTS
Hello,
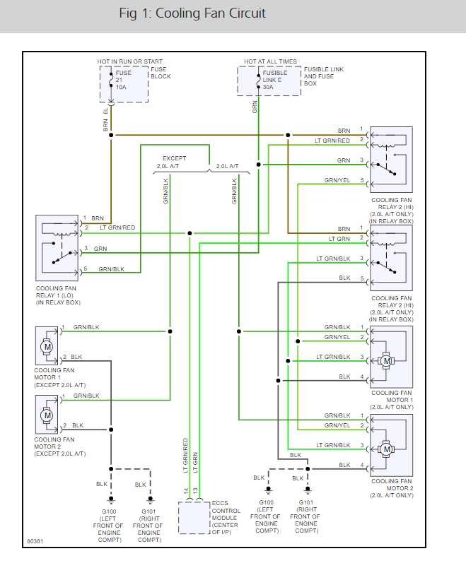
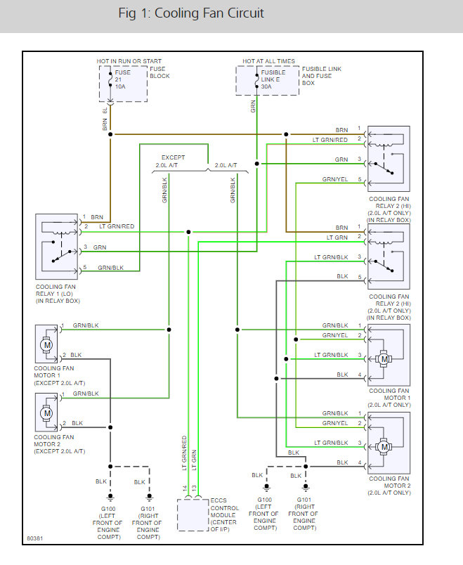
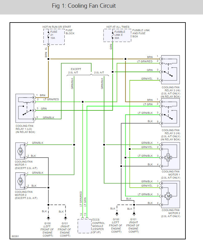
This guide will help using the cooling fan wiring diagrams below.
https://www.2carpros.com/articles/how-to-check-wiring
Check out the diagrams (Below). Please let us know if you need anything else to get the problem fixed.
Image (Click to enlarge)
Apr 15, 2009 at 2:44 AM
NISHAD AHMED
MEMBER
1 POST
Nissan sb14 radiator fan not working
Oct 24, 2019 at 2:38 AM
Advertisement
STRAILER
CERTIFIED EXPERT
53,855 POSTS
Do you have power at the fan? Here is a guide that will help also check out the fan wiring diagrams in the post above:
https://www.2carpros.com/articles/how-to-use-a-test-light-circuit-tester
and
https://www.2carpros.com/articles/replace-electric-fan-motor
Please run down these guides and report back.
Oct 24, 2019 at 11:54 AM