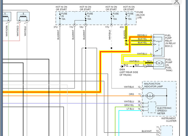
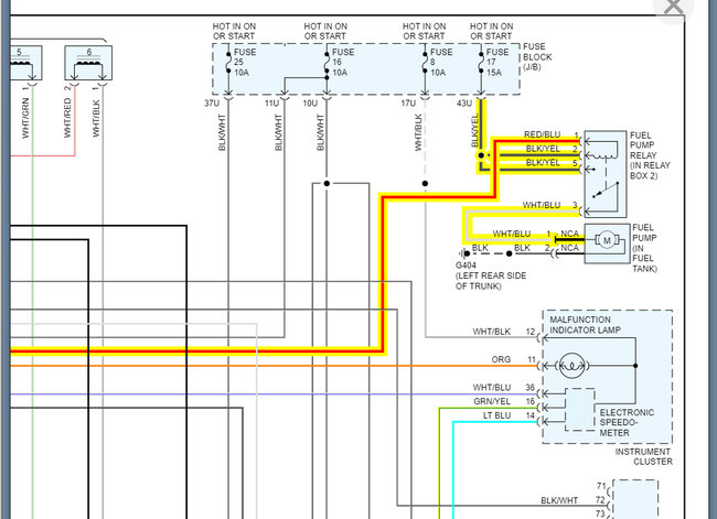
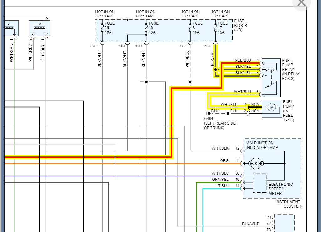
Had trouble getting it started again but it kept dying out. Then it didn't want to start, it cranks but won't turn over, almost turns over now and again. Had mechanic look at it, determined it was fuel pump. Changed fuel pump, fuel strainer, and fuel filter. Started it up several times, drove around the block. Next morning when I was off to work, it wouldn't start again. Cranks but won't turn over. Replaced fuel pump relay and it still won't start. Waiting for mechanic to get back with me but in the meantime, what should I try next? Couple of people told me I should put gas in carburetor to prime it.
Nov 17, 2009 at 7:00 PM
