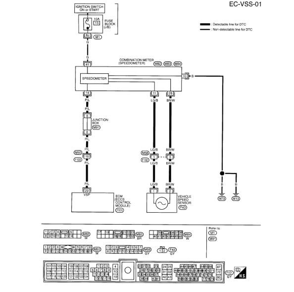
I have 1996/Nissan Maxima/GLE/V6/3.0 Automatic Transmission/100,000 mileage.
Recently I am getting problem with My vehicle code error "P0500" (Vehicle Speed Sensor). First time my mechanic got in his meter codes are P0500 and P0600. At that time he changed my Vehicle speed sensor with new VSS .
After I drove my car for 3 days again I got check engine light. My mechanic checked again on his meter and got P0500 again. He said he will find out solution. But He did not get a solution.
Please Auto Professionals help me on this.
When he was checked my car, meter has reading 1,700 RPM's and 0 MPH.
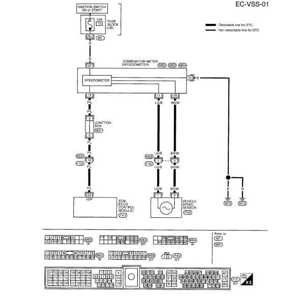
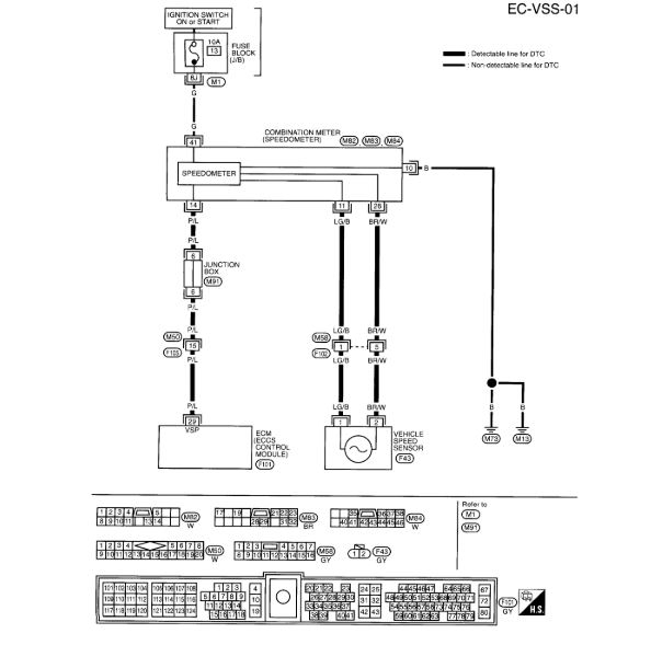
Recently I am getting problem with My vehicle code error "P0500" (Vehicle Speed Sensor). First time my mechanic got in his meter codes are P0500 and P0600. At that time he changed my Vehicle speed sensor with new VSS .
After I drove my car for 3 days again I got check engine light. My mechanic checked again on his meter and got P0500 again. He said he will find out solution. But He did not get a solution.
Please Auto Professionals help me on this.
When he was checked my car, meter has reading 1,700 RPM's and 0 MPH.
Feb 2, 2007 at 3:15 PM


