Electrical problem 6 cyl Front Wheel Drive Automatic
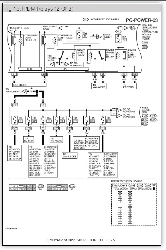
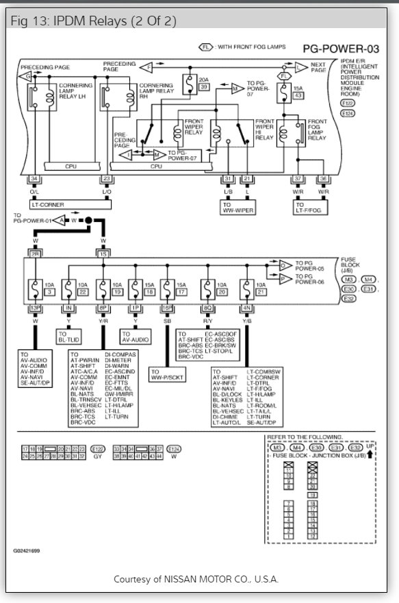
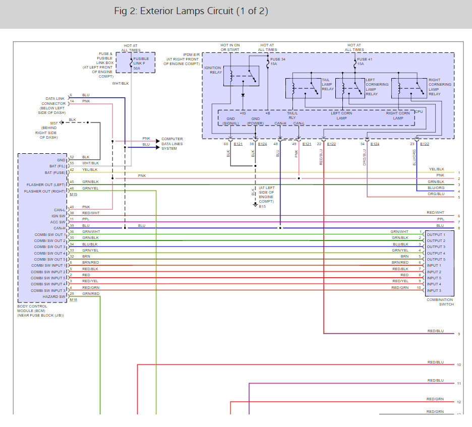
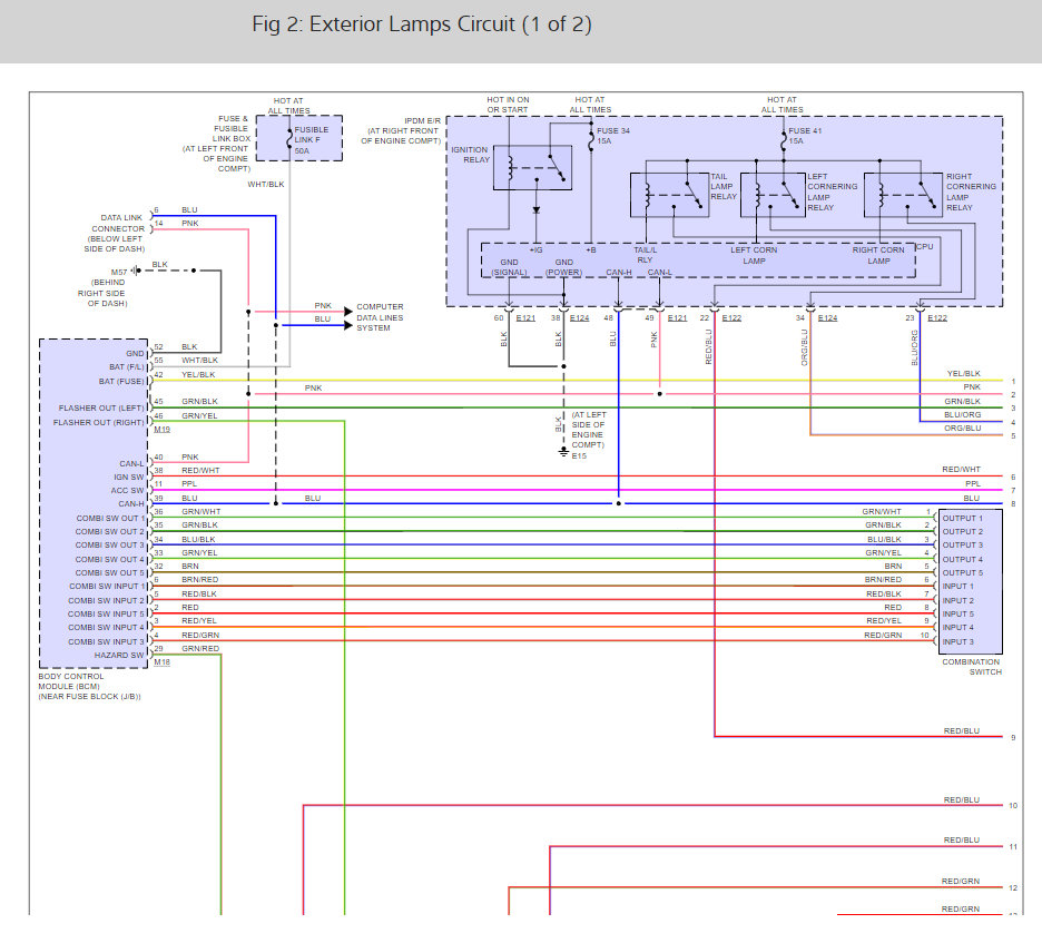
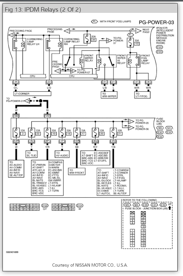
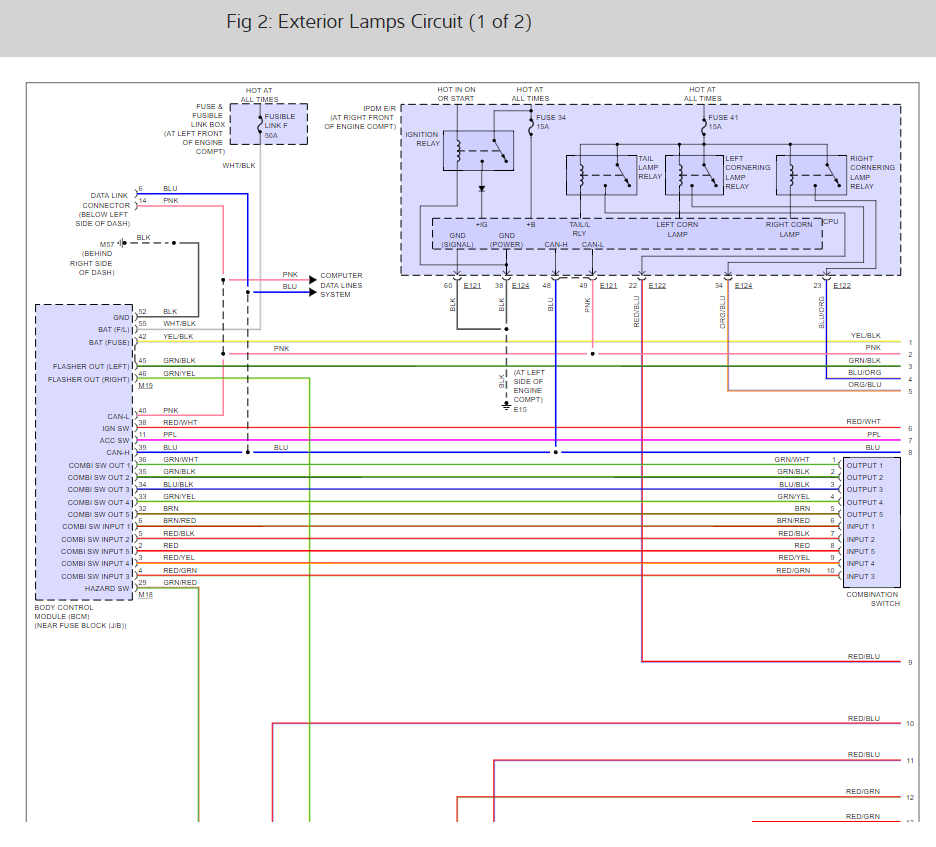
I have no tail lights. I tested the wiring going to the lights and there is no juice. What do i do now. Where should i look for the fuses or fuse box for my tail lights. I have brake lights, hazards, and blinkers just no tail lights.
I have no tail lights. I tested the wiring going to the lights and there is no juice. What do i do now. Where should i look for the fuses or fuse box for my tail lights. I have brake lights, hazards, and blinkers just no tail lights.
Oct 12, 2010 at 4:00 PM






