low beam headlights

2001 NISSAN MAXIMA
123,000 MILES • 6 CYL • 2WD • MANUAL
Avatar
BLONDEY
  • MEMBER
  • 1 POST
The low beam on both headlights suddenly went out at the same time. The relay checked out. What else could it be?
Apr 8, 2009 at 8:24 PM
Advertisement
Avatar
YASGER
  • MEMBER
  • 83 POSTS
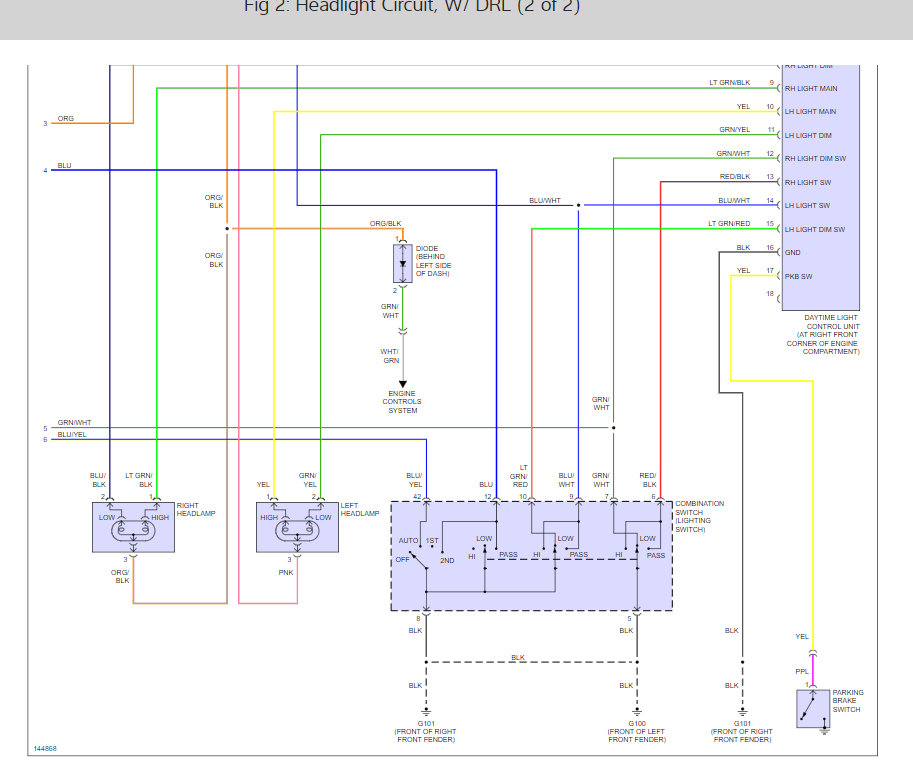
There is a smart entrance controller that sounds like it went out but to be sure here is a guide and the wiring diagrams for the halights so you can see how the system works.

https://www.2carpros.com/articles/how-to-check-wiring

Check out the diagrams (Below). Please let us know what you find.

Cheers
Apr 10, 2009 at 1:01 PM
Avatar
JENNIFERC43
  • MEMBER
  • 1 POST
Thanks for this post I had the same problem had to get a new entrance controller, mine had water damage. All fixed I love this site.
Oct 4, 2018 at 4:09 PM
Advertisement