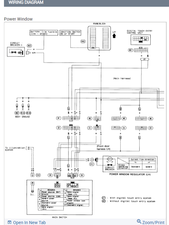
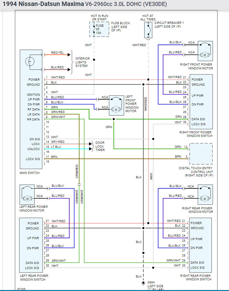
power window issue

1994 NISSAN MAXIMA
Avatar
AFCLAYT09
  • MEMBER
  • 1 POST
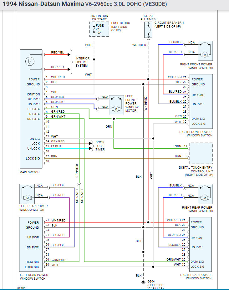
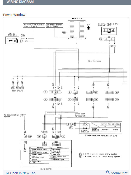
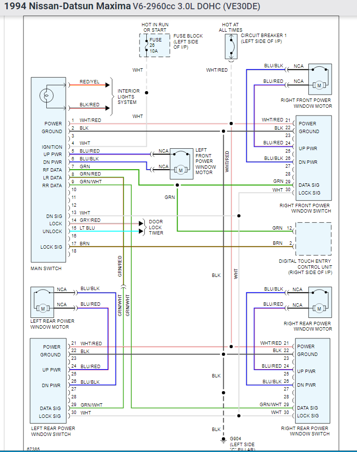
i have a 94 nissan maxima, the driver side switches don't work. the passenger side windows and the two back windows also don't work . My door locks work though, i checked my fuses and they look good, no burn or worn, i am not that mechanically inclined so what could the problem possible be? my motor my regulator manual doesn't help.
Jun 2, 2010 at 2:30 PM
Advertisement
Avatar
SQM
  • CERTIFIED EXPERT
  • 6,383 POSTS
Hello,

This sounds like you might have a issue with the power window master switch.
Do the windows work with their respective switches? Will the back window work from the switch on the back?

Here is a testing procedure for the window switch:

https://youtu.be/HBFBcJrdym4

You might find these articles helpful:

https://www.2carpros.com/articles/how-to-use-a-test-light-circuit-tester
https://www.2carpros.com/articles/how-to-check-a-car-fuse


Please let me know if you have any questions.

Thank you.
Jul 16, 2021 at 7:39 AM