My air conditioner is not working?

2019 NISSAN ALTIMA
6,965 MILES • 2.0L • 4 CYL • 2WD • AUTOMATIC
Avatar
ALEX LOZANO
  • MEMBER
  • 2 POSTS
I recently bought this car from an auction. The only issue with car was that the bumper was sunk in a little bit, but no damage to the radiator or A/C compressor or any other A/C component, my question is were can i locate the fuse to the A/C or relays. My guess is that it could be something electrical.
Jul 15, 2019 at 7:26 PM
Advertisement
Avatar
STEVE W.
  • CERTIFIED EXPERT
  • 15,113 POSTS
this does sound like a fuse is blown here is a guide to help check them with the fuse location in the diagrams below. On the left side of the dash check fuse # 3, 19 and 26.

https://www.2carpros.com/articles/how-to-check-a-car-fuse

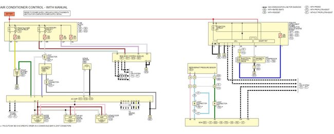
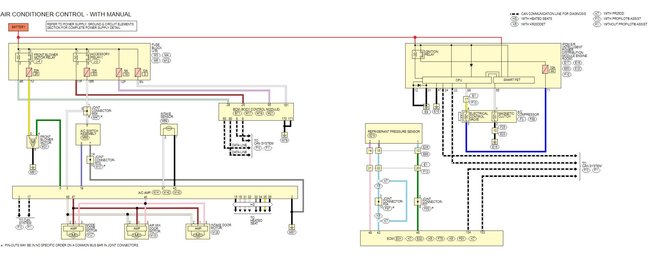
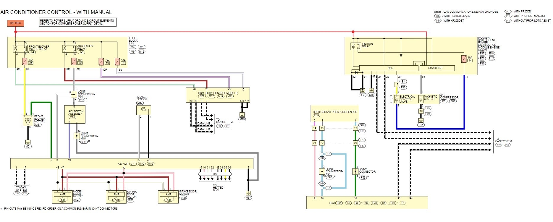
Here are the fuse location and I have also included the AC wiring diagrams so you can see how the system works. Check out the diagrams (Below). Let us know what happens and please upload pictures or videos of the problem.
Jul 15, 2019 at 7:57 PM
Avatar
ALEX LOZANO
  • MEMBER
  • 2 POSTS
I checked the A/C compressor radiator and all the lines that are connected to them no oil or any leaks are seen, My guess it could be an electrical issue, but i cant find the fuse in the fuse box or the Relay but i could be wrong i am learning as i go in Mechanics, Appreciate your time.
Jul 16, 2019 at 7:53 PM
Advertisement
Avatar
STEVE W.
  • CERTIFIED EXPERT
  • 15,113 POSTS
Well step one would be to actually put a gauge on the system to see if there is a charge in it. Could be that they evacuated the system, or that there was a leak in the system.

However, let's assume they didn't this system uses a throttling valve compressor with a magnetic clutch. Power wise there are two fuses fuse # 44 a 10 amp is in the fuse box under the hood. It only controls the valve in the compressor. Fuse # 30 sends power to the AC switch from the accessory relay, both of those are in the junction box in the dash. Other than the compressor and the pressure sensor (part of the condenser in the front of the car) the rest of the pieces are internal to the ECM and BCM. Does the rest of the heating system work? The doors all seem to be okay and you can select hot/cold and defrost, dash, floor? That would show that fuse 30 and the accessory relay are working.
To test the AC clutch you just need to disconnect the plug from the magnet coil and use two leads connected to the battery to apply voltage to the terminals. If the clutch activates it is OK.
The pressure sensor does both low and high pressure but there are no specs listed in how to test it. Every test they show requires a OEM level scan tool.
Jul 17, 2019 at 12:04 AM
Avatar
BLAINE1072
  • MEMBER
  • 1 POST
I found the blown fuse # 19 all fixed thank you.
May 24, 2021 at 12:13 PM
Avatar
BOSSIN281
  • MEMBER
  • 2 POSTS
Hi there,
We have replaced the compressor, expansion valve and dryer. But I’m still getting a high reading on my low side when we recharge the lines. Does any one have a clue what it could be that is causing the problem?
May 25, 2021 at 11:23 AM (Merged)
Avatar
STRAILER
  • CERTIFIED EXPERT
  • 53,854 POSTS
Hello

What brand compressor did you install? There is only one thing that can cause low high side pressures and high low side pressures, the compressor.

https://www.2carpros.com/articles/car-air-conditioner-not-working-or-is-weak

Please run down this guide and report back. Can you please shoot a quick video with your phone so we can see what's going on? that would be great. You can upload it here with your response.
May 25, 2021 at 11:23 AM (Merged)
Avatar
BOSSIN281
  • MEMBER
  • 2 POSTS
Yeah, I figured it out. guy at the shop gave us the wrong compressor. Thanks
May 25, 2021 at 11:23 AM (Merged)
Avatar
STRAILER
  • CERTIFIED EXPERT
  • 53,854 POSTS
Nice work, we are here to help, please use 2CarPros anytime.
May 25, 2021 at 11:23 AM (Merged)
Avatar
SSUTTON
  • MEMBER
  • 1 POST
In the shade or driving at high speed for a good distance it gets cooler but never cold. I have taken it to two shops to be checked and they both say it is working fine. There has to be something happening for it to not blow cold. right?
May 25, 2021 at 11:23 AM (Merged)
Avatar
ASEMASTER6371
  • CERTIFIED EXPERT
  • 52,796 POSTS
This sounds like the compressor has gone out or the system is low on charge or a fuse is bad, these videos and guides can help us fix the problem with diagrams below to show you how on your car. I have included (below) the air conditioner wiring diagrams as well so you can see how the system works.

https://youtu.be/4UjfQKvrB6Y not working

and

https://youtu.be/uZrQCGwXfek recharge

and

https://youtu.be/yrhWKlQEPWw leak detection

and

https://youtu.be/4EqdrBVb0sY vacuum and recharge

and

https://www.2carpros.com/articles/car-air-conditioner-not-working-or-is-weak

Let us know what happens and please upload pictures or videos of the problem.
May 25, 2021 at 11:23 AM (Merged)
Avatar
JURIS BERGS
  • MEMBER
  • 4 POSTS
The air conditioner in my wife's car cools the cabin only when set on manual and not auto. A local air conditioner shop wants to replace the compressor, which I'm hesitant to do because the same shop previously wanted to replace the compressor in my 2005 Mercedes-Benz E320 after the compressor had already been replaced by a European car specialist a few months earlier. Upon taking this car back to the European car specialist, it was determined that just a recharge was needed in spite of the fact that the air conditioner shop said that no recharge was needed. Thus, I no longer trust the opinion of the air conditioner shop.

The air conditioner control in the car listed above appears to be functioning normally except for the air blowing cold only when the system is set on manual.
May 25, 2021 at 11:24 AM (Merged)
Avatar
STEVE W.
  • CERTIFIED EXPERT
  • 15,113 POSTS
As it works on manual and not automatic makes me think it is related to one of the temperature sensors that tells the system how hot or cold the interior is. If it was the compressor it wouldn't work in either mode. The primary sensor is the one behind the panel under and to the right of the steering column. If it fails the controller thinks that it is cold in the vehicle and will not operate the A/C. There is also a sensor on the intake area of the HVAC case that performs a similar function but detects the air temperature inside the case to keep the system from freezing up if it's humid. In this case I would use a scan tool to verify the issue first and be sure that it isn't one of the other sensors, however if you just wanted to toss a sensor in they run about $20.00 or so which is cheaper than most places will do diagnostics for. That would be your call.

To access it you need to remove the lower panel. To start you remove the instrument side trim panel using a trim stick or plastic putty knife..
The panel is attached with clips and hooks, you use a trim tool to gently pry them loose
Broken square indicates: Metal clip Broken circle indicates: Pawl
Now tip the panel down enough that you can remove the sensor wiring and the sensor from the panel. Reverse the process to reinstall the sensor and panel.

Or have a shop run the diagnostic and see what it shows. As the system operates in manual mode it has to be an issue in the automatic controls, not the mechanical side of the system, something like a bad compressor or low charge would make it stop working completely.
May 25, 2021 at 11:24 AM (Merged)
Avatar
JURIS BERGS
  • MEMBER
  • 4 POSTS
Thank you very much. That certainly makes sense to me. I figured that it is unlikely that the compressor is faulty, and thank you for confirming my suspicion.
May 25, 2021 at 11:24 AM (Merged)
Avatar
STEVE W.
  • CERTIFIED EXPERT
  • 15,113 POSTS
You are welcome.
May 25, 2021 at 11:24 AM (Merged)
Avatar
JURIS BERGS
  • MEMBER
  • 4 POSTS
I've spent the past few days researching A/C sensors. You mentioned a primary sensor, but most references I've come across only mention an ambient temperature sensor, which is located in front of the radiator in the car listed above. Replacing it would be beyond my capability, considering the body panels that need to be removed to reach that sensor. If there's another sensor, generally known as a primary sensor, it must go by a different name and/or part number.
May 25, 2021 at 11:24 AM (Merged)
Avatar
STEVE W.
  • CERTIFIED EXPERT
  • 15,113 POSTS
The cabin temperature sensor is the one inside the car that I covered in that post. The ambient temperature sensor tells the system what the exterior temperature is. The cabin sensor is part 277203AA0A and is in the dash as I stated in the post above. It tells the system what the interior temperature is.
May 25, 2021 at 11:24 AM (Merged)
Avatar
JURIS BERGS
  • MEMBER
  • 4 POSTS
Thank you so much for clarifying the part name and providing me the part number. This information will be most helpful in finding the correct sensor. I had checked RockAuto and they only have the ambient temperature sensor.
May 25, 2021 at 11:24 AM (Merged)
Avatar
STEVE W.
  • CERTIFIED EXPERT
  • 15,113 POSTS
You're welcome. Should have included the part number in the post.
May 25, 2021 at 11:24 AM (Merged)
Avatar
SPN0913
  • MEMBER
  • 1 POST
The A/C compressor is not engaging and air does blow, it is not warmer, does not make any noise nor is there a smell. I did take it to a local shop, they advised I take it to a dealer. They stated that the refrigerant is good, fuses are good. No power to the compressor, possible PCM issue. Could this be explained and possible fix I might be facing?
May 25, 2021 at 11:24 AM (Merged)
Avatar
KASEKENNY
  • CERTIFIED EXPERT
  • 18,907 POSTS
It is doubtful that this is a PCM on this vehicle. If the compressor is not getting power then the more likely cause is a relay so we need to test this and make sure they are checking this properly.

Here is a guide that will help with this:

https://www.2carpros.com/articles/how-to-check-an-electrical-relay-and-wiring-control-circuit

The PCM is responsible for grounding the control side of the relay which will close the relay and send power to the compressor through the light blue wire shown below on the wiring diagram.

So we need to go to the relay and check for power on the wire coming from the fuse (number 1). If you have it, jump power to the terminal of the relay that leads to the compressor (number 2).

This will apply power to the compressor and prove that it works.

Then we can test the control side by seeing if the PCM is grounding the relay. Put the red lead of your meter on battery positive, the black lead on number 3 terminal of the relay and then turn the AC on. If the PCM is grounding the relay properly you will have 12 volts on your meter.

If it is not, then we need to check pressures again because I doubt this shop actually checked them.

https://www.2carpros.com/articles/car-air-conditioner-not-working-or-is-weak

https://www.2carpros.com/articles/re-charge-an-air-conditioner-system

Once we know the pressures we will have a better idea if the PCM is the issue.

Thanks
May 25, 2021 at 11:24 AM (Merged)
Avatar
JESSIE3
  • MEMBER
  • 1 POST
Hello, my car listed above SL is blowing hot air out of the A/C. I have had it charged and it worked only for a few minutes and then went hot again. my check engine light came on about 2 weeks ago and I had it diagnosed and found out the problem was a computer reprogram code it wasn't for my CVT reprogram because about 6 months ago I had the CVT reprogrammed at the Nissan dealer because of the recall. it was for my TCM reprogram (re-flash) I was told by a mechanic that it need to be re-flashed by the Nissan dealer and that it should have been done when they reprogrammed the CVT Recall. I have recently replaced cabin my air filter, not sure if that's completely relevant but wanted that to be included in the description of the problem. So would the re-flash have anything to do with what's going on with my A/C, or is that something that is completely separate? My A/C was blowing hot air prior to the reprogram/recall repair and still is blowing only hot air it used to give off a pungent smell as well. It no longer does but it is been blowing hot air for some time now. My defrost takes forever to work as well when it's raining outside or on days when it's cold. Tried to think of all issues associated with the A/C currently. thank you to anyone who can help much appreciated.
May 25, 2021 at 11:24 AM (Merged)
Avatar
KASEKENNY
  • CERTIFIED EXPERT
  • 18,907 POSTS
Okay. In short the flash and air filter have nothing to do with this. I suspect we have a pretty good size leak because when you charged it and it started working then stopped again. That is because the system had Freon in it until it all leaked back out.

I would suggest with starting by look for a leak. You do this by checking all the lines and components in the engine compartment for the leak. Here is a guide that will help with this:

https://www.2carpros.com/articles/air-conditioner-leak-detection

If you find no leaks in the engine compartment then you need check in the HVAC housing to see if the evaporator is leaking.

https://www.2carpros.com/articles/car-air-conditioner-not-working-or-is-weak

Let us know what you find and we can go from there. Thanks
May 25, 2021 at 11:24 AM (Merged)
Avatar
MATHEW1997
  • MEMBER
  • 1 POST
air conditioner not cooling it is blowing hot air. My compressor clutch is on.
May 25, 2021 at 11:24 AM (Merged)
Avatar
HMAC300
  • CERTIFIED EXPERT
  • 48,601 POSTS
pull the HVAC fuse in fuse box inside car with key on for sixty seconds then replace. it may reset the air temperature actuator. if still not blowing cold check pipes going into dash one should be hot other cold if not then there is something else wrong like low on Freon which should be checked by a professional. If automatic temperature control where you set temperature
May 25, 2021 at 11:24 AM (Merged)
Avatar
AMILLER1975
  • MEMBER
  • 1 POST
With the A/C on, the air smells like mildew and the air isn't very cold. Because of the smell, I changed the cabin air filter, hoping that was all that I needed. Within a few hours the slightly cold air turned hot. So I added refrigerant. That did not work at all. The mildew smell has almost cleared but temperature seems to be getting hotter. Any advice? Full disclosure, I am not a DIY person. I don't mind trying but I have a better chance of making things worse than I do fixing it.
May 25, 2021 at 11:24 AM (Merged)
Avatar
HMAC300
  • CERTIFIED EXPERT
  • 48,601 POSTS
try this , pull the two fuses in pic for 60 seconds then reinstall them sometimes the actuator will reset from this. If it cools then gets hot have a professional look at it as it may be what is called freezing up. also run the ac after doing the fuse thing and feel the large pipe going into dash. if it is cool it may be the temp actuator or something else. but a pro should do this because of what you have previously stated.

Here is a guide on what to look for and so you can know what a mechanic is telling you

https://www.2carpros.com/articles/car-air-conditioner-not-working-or-is-weak

Please let us know what happens so it will help others

May 25, 2021 at 11:24 AM (Merged)
Avatar
KIERA1986
  • MEMBER
  • 1 POST
Is the entire hose that you add Freon in should be cold or just part of it?
May 25, 2021 at 11:24 AM (Merged)
Avatar
KASEKENNY
  • CERTIFIED EXPERT
  • 18,907 POSTS
We need to start with what the actual A/C pressures are. You could have a restriction in the system but we can find this out with what the high and low side pressures are and go from there.

https://www.2carpros.com/articles/re-charge-an-air-conditioner-system

If you don't have a gauge set then you can rent those from most parts stores that have a tool rental program. Let's hook that up and see what they are with the compressor on and off.

Let's start here and see what they are telling us. Thanks
May 25, 2021 at 11:24 AM (Merged)
Avatar
ASEMASTER6371
  • CERTIFIED EXPERT
  • 52,796 POSTS
Good morning,

Most likely low in Freon but need to check. Is the compressor working when you turn it on? I attached a wiring diagram for to view if it is not working.

https://www.2carpros.com/articles/car-air-conditioner-not-working-or-is-weak

You need a set of gauges to see the actual high and low side pressures. Without pressure, it will not work.

https://www.2carpros.com/articles/re-charge-an-air-conditioner-system

https://www.2carpros.com/articles/air-conditioner-leak-detection

As far as the hose, yes, it will be cold when the A/C system is working correctly.

Roy
May 25, 2021 at 11:24 AM (Merged)
Avatar
RAYALTIMA2013
  • MEMBER
  • 1 POST
The Freon charge test goes red. Clutch does not engage. Blower was checked and found clean and works well.The compressor control valve was replaced with new one.

Nothing happens. No cold air with A/C placed at max.

Dealer diagnostics pointed to the A/C compressor. It has to be replaced. Exorbitant price. Did not bite it.

But what they did not check is the A/C fuse. Based on video online the fuse box near the battery shows the fuse to be Red 10A which is found on top space at 2nd spot. Not sure if indeed this is the aircon fuse. But when we tested it, it was not blown but does not light up when tested.

Questions:

As described were we able to pinpoint exactly the real A/C fuse?

If it is, then where shall we look to make it work? If that is not the A/C fuse, where can we accurately find it?

Thank you and best regards,
Ray Raz
May 25, 2021 at 11:25 AM (Merged)
Avatar
STEVE W.
  • CERTIFIED EXPERT
  • 15,113 POSTS
What are the actual pressures in the system using a set of A/C gauges? Saying the gauge goes red sounds like one of the gauges on a can and if it's in the red the system is likely overcharged.
As for the fuses there are at least 4 different versions of that system. The 4 door manual system where you have a dial to control the temperature uses fuse #53 in the under-hood box. If you have the automatic system where you just set a digital temperature and it does the rest uses fuse #41 If you have the 2 door coupe then both use fuse #41 for the A/C clutch. Fuse 41 will be either a 10 amp or a 30 amp depending on which version of the car you have, Both 41 and 53 are circled in the image of the under-hood fuse block.
May 25, 2021 at 11:25 AM (Merged)
Avatar
BONE1985
  • MEMBER
  • 1 POST
The AC will not blow cold air after filling it with refrigerant. it's not cycling right. Where is it located and what is the price of the relay?
May 25, 2021 at 11:25 AM (Merged)
Avatar
DANNY L
  • CERTIFIED EXPERT
  • 5,648 POSTS
Hello, I'm Danny.

The relay is located in the IPDM (integrated power distribution module) under the hood.Here is a tutorial showing how to test a relay:

https://www.2carpros.com/articles/how-to-check-an-electrical-relay-and-wiring-control-circuit

Relays are available at any local auto parts sores and generally run about $10.00. I've attached a picture below showing its location.Its location in the IPDM will be marked on the plastic cover.Hope this helps and thanks for using 2CarPros.

Danny-
May 25, 2021 at 11:25 AM (Merged)
Avatar
SANDERS530
  • MEMBER
  • 10 POSTS
My A/C compressor clutch is not engaging. It is not locked up. What could be the problem?
May 25, 2021 at 11:26 AM (Merged)
Avatar
KASEKENNY
  • CERTIFIED EXPERT
  • 18,907 POSTS
Hi,

Let's start with the AC pressures with the engine off and then with it running. If the Freon is low then it will prevent the compressor from coming on.

If this is okay, then we can move onto the next item which will be making sure there is power to the compressor but let's start with what the pressures are.

https://www.2carpros.com/articles/car-air-conditioner-not-working-or-is-weak
May 25, 2021 at 11:26 AM (Merged)
Avatar
SANDERS530
  • MEMBER
  • 10 POSTS
There is power to the compressor and there is Freon is full. I want to replace the clutch coil. What is the easiest way to remove the center bolt out of compressor without removing the compressor off of the car?
May 25, 2021 at 11:26 AM (Merged)
Avatar
KASEKENNY
  • CERTIFIED EXPERT
  • 18,907 POSTS
Here is a video of a 2007 but I don't see that they are much different. If this doesn't help let me know and we can figure something else out. However, this was not meant to do in the vehicle which is why it is so difficult. That doesn't mean it can't be done, it will just require creative thinking.

https://youtu.be/P7MWWgLIFGQ
May 25, 2021 at 11:26 AM (Merged)
Avatar
VECTOR2ATL
  • MEMBER
  • 1 POST
So A/C was blowing warm air. I took it to a shop and they vacuumed and replace Freon. They also put dye in Freon to check if there was leaks. Five days later it is blowing warm air again? help if there is no leaks per mechanic.
May 25, 2021 at 11:26 AM (Merged)
Avatar
SCGRANTURISMO
  • CERTIFIED EXPERT
  • 4,897 POSTS
If there are no leaks then they didn't put any Freon into the system. This sounds like the compressor has gone out or the system is low on charge or a fuse is bad, these videos and guides can help us fix the problem with diagrams below to show you how on your car. I have included (below) the air conditioner wiring diagrams as well so you can see how the system works.

https://youtu.be/4UjfQKvrB6Y not working

and

https://youtu.be/uZrQCGwXfek recharge

and

https://youtu.be/yrhWKlQEPWw leak detection

and

https://youtu.be/4EqdrBVb0sY vacuum and recharge

and

https://www.2carpros.com/articles/car-air-conditioner-not-working-or-is-weak

Let us know what happens and please upload pictures or videos of the problem.
May 25, 2021 at 11:26 AM (Merged)