dome light fuse

2005 NISSAN ALTIMA
Avatar
BDC0172
  • MEMBER
  • 1 POST
Electrical problem 4 cyl Front Wheel Drive Manual 69000 miles

the interior lights, map lights, and door chime do not work have checked fuse cant find any labeled for interior lights all test good under dash and under hood. checked for power none to light sockets all other electrical seems to be working door locks, windows, horn, dash lights, head lights and running lights. the key remote is not working either battery checks good.
Feb 24, 2010 at 6:27 PM
Advertisement
Avatar
STRAILER
  • CERTIFIED EXPERT
  • 53,854 POSTS
Hello,

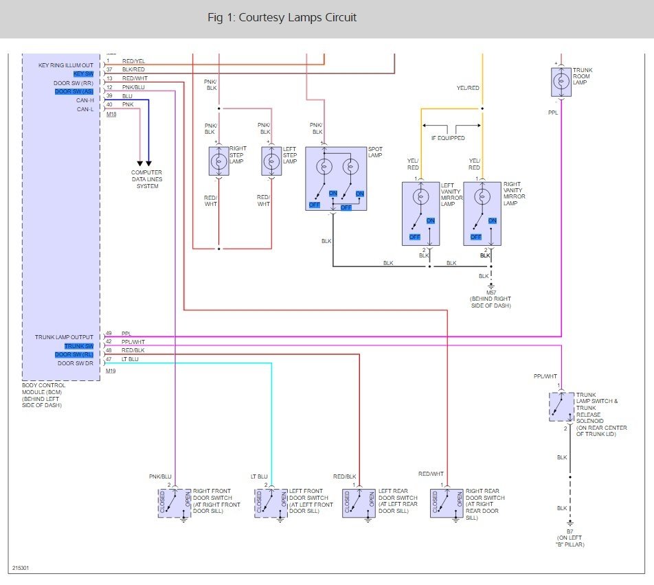
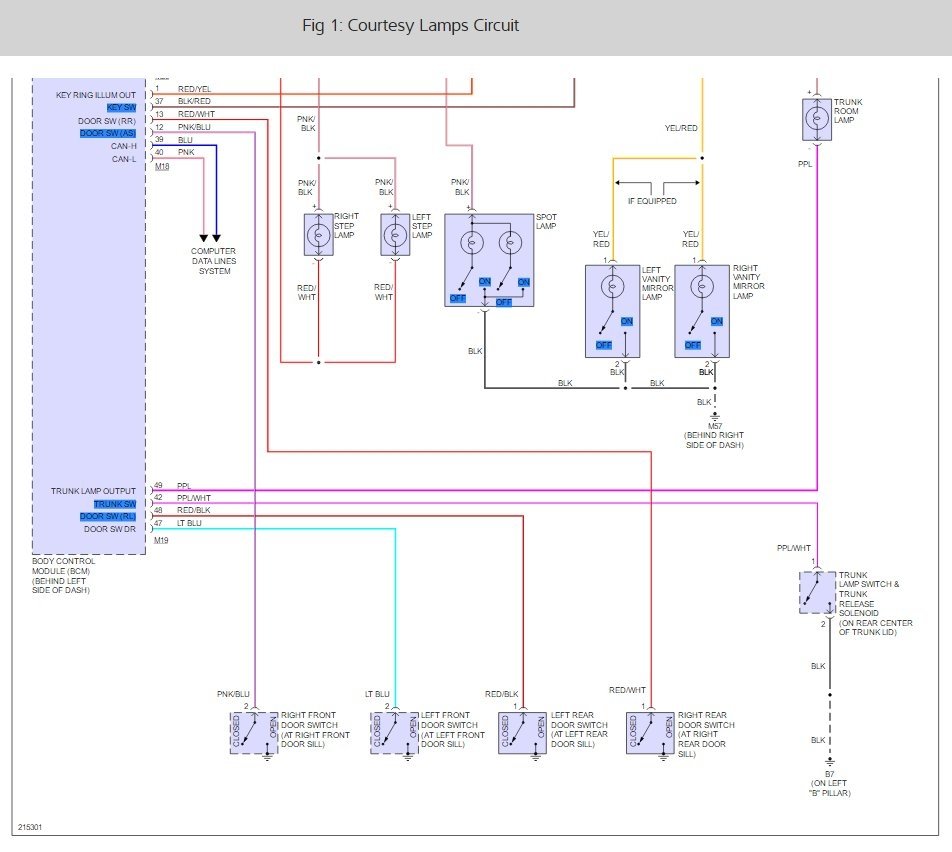
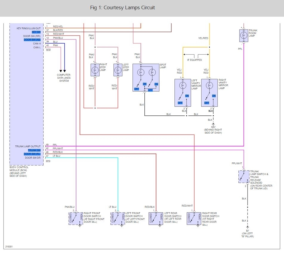
Here is a complete guide on the dome light wiring and fuse boxes. It looks like there is no fuse becasue it is run by the BCM. Here are some diagrams I have found for you. Check all of the fuses.

Here is a guide to help you check the fuses.

https://www.2carpros.com/articles/how-to-check-a-car-fuse

Please run some tests and get back to us so we can continue helping you.

Cheers, Ken


May 2, 2017 at 2:46 PM