☰
Login
Join
×
Home
Answered Questions
Repair Topics
Repair & Service Guides
Popular Questions
Warning Lights
Trouble Codes
How It Works
Testing / Diagnostics
Symptoms
Videos
Login
Become a Member
Home
Nissan
Altima
Electrical
Fuse Panel
Location
fuses but don't know where
2005 NISSAN ALTIMA
JCROWE
MEMBER
1 POST
FOLLOW
When stopped at a traffic light the lights went out I need to check the fuses but don't know where they are or how to check them can you help me?
Feb 11, 2010 at 5:27 PM
Advertisement
JACOBANDNICKOLAS
CERTIFIED EXPERT
110,175 POSTS
Hi,
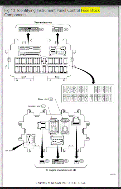
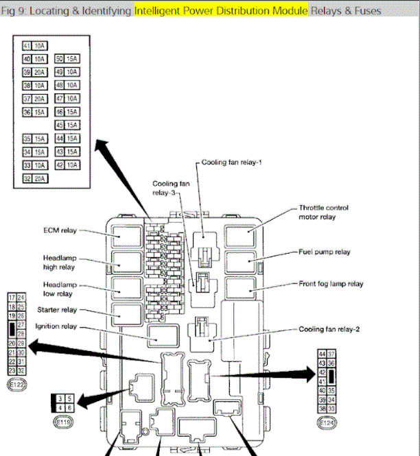
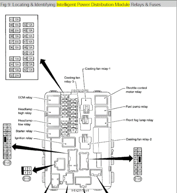
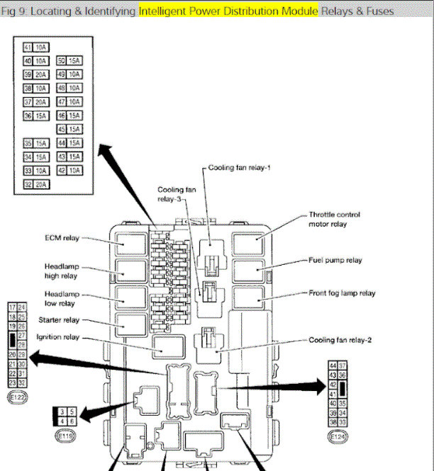
If you look at the attachments below, they provide the fuse box orientations and what each fuse is for.
In addition to just checking a fuse, make sure there is power to it. A fuse may be good and not be receiving power.
Here is a link that you may find helpful when testing:
https://www.2carpros.com/articles/how-to-check-a-car-fuse
I hope this helps. Let me know if you have additional questions.
Take care,
Joe
See pics below.
Images (Click to enlarge)
Jun 19, 2021 at 10:08 PM